Ответ на пост «Ожидание и реальность конструктора»1
Так получилось, что в этой истории я понимаю чуть более, чем всё немножко.
Приведу картинку из исходного поста, чтобы не нужно было переходить туда-сюда.
Слева фрагмент чертежа марки КМ. Это принципиальное решение, поэтому здесь не указан ни угол (он определяется по схемам), ни бóльшая часть размеров. Чертежи КМ (конструкции металлические) являются исходными данными для разработки чертежей КМД (конструкции металлические деталированные), на основании которых конструкции производятся на заводе и собираются на монтаже. На этом узле указаны только марки элементов, толщины пластин, и размеры (вот этот размер "40" от угла пластины до профиля), достаточные для построения узла в КМД. Размеры "515" и "640" нужны для приблизительного определения массы узла для сметы.
Размеры между болтами, обрезы от болта до края элемента, глубина, на которую пластина врезана в профиль - подбираются конструктором на стадии КМД либо по Сводам правил, либо по расчету. В проекте КМ должна быть есть ведомость, где указаны усилия в этих связях, на основании которых подбирается диаметр болта, длины заводских сварных швов и прочие параметры узла.
Далее. Монтажной сварки на этом узле не предусмотрено. "Ресничками" показывают заводскую сварку, далее связи собираются на постоянные болты. Такая конструкция легкособираемая на монтаже - закрутить 2 болта намного проще, чем приварить каждую связь минимум 10-15 см сварного шва. Тем более, что добиться высокого качества сварки в условиях монтажа намного сложнее, чем на заводе. Разборность конструкций не предусмотрена, болты под нагрузкой деформируются.
Конкретные размеры указаны либо на сборочном чертеже, либо в чертеже отдельных деталей и в файлах для ЧПУ-станков.
Вот аналогичный узел в 3D-модели (только тут к главной связи с каждой стороны подходит одна второстепенная.
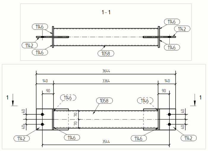
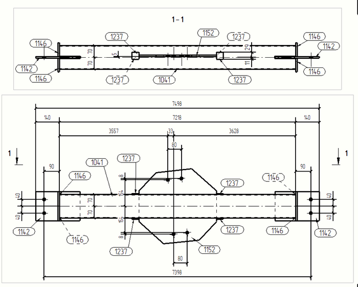
Вот фрагменты сборочных чертежей (сварка принята по контуру прилегания элементов, и условно не показана. Размер шва по умолчанию указан в техтребованиях к чертежу).
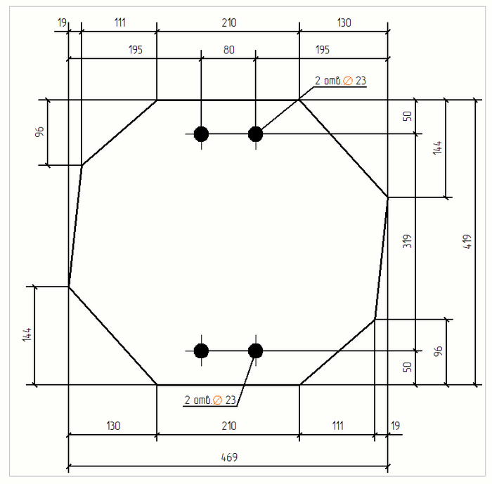
А вот примеры деталировочных:
Далее. На картинке справа - результат ситуации, когда заказчик решил "сэкономить" время и /или деньги и решил обойтись без завода-изготовителя, а завез железо на стройплощадку, чтобы работяги собрали по месту. В таком случае не заморачиваются такими узлами.
Конструкция на фото имеет ряд недостатков. Как верно отметили в комментариях к исходному посту, связи не соосны, качество сварки на вид плохое, я еще добавлю, что СП (новое наименование СНИПа) требует обязательно герметично заглушать концы коробчатых профилей, во избежание коррозии. Конструкция на фото сгниет за пару лет на улице и чуть дольше в помещении. Кроме того, она отвратно выглядит.
PS: оформление чертежей общепринятое для строительной отрасли в регионе, где я работаю. Другие конструктора могут оформлять иначе, данная отрасль строго не регулируется, главный критерий - удобство завода-изготовителя.
















