Knocking to the Death World
Шутка юмора. От бога смерти - другому богу смерти.Или.. Может от нелюбимого воплощения.Кто то знает.
Три проблемы Таната - Фанат - Фанарт
Слишком много сновидцев.Слишком много фанатов.И слишком много Арта.Слишком много Олимпа.
Импровизация 3 в 1
Решил выложить часть вечерней импровизации. Не претендую ни на что, просто понравилось. Здесь есть пример исполнения ак.перкуссии, ак.гитары и дисторшн-соло гитары на одном инструменте. Обожаю лупер.)
https://vk.com/inficats
Аналоговый гитарный эффект дисторшн в цифровой системе моделирования электрических схем
Звучание рок музыки, в частности направлений hard rock и heavy metal, во многом базируются на специально искаженном гитарном звуке, для получения которого используются электронные устройства "дисторшн", ламповые усилители в "перегруженном" режиме, компьютеры с соответствующим программным обеспечением обеспечением и цифровые процессоры, все чаще использующие алгоритмы нейронных сетей.
Набирать популярность искаженный звук электрогитар начал примерно с 1960-х годов. С тех времен считается, что звук перегруженных ламповых усилителей с выходом на мощные специальные гитарные колонки с большими специальными динамиками является эталоном в рок музыке. Но ламповые усилители были относительно дорогие и неудобные в эксплуатации. Поэтому разрабатывались полупроводниковые устройства дисторшн. В то время электрические принципиальные схемы устройств дисторшн были относительно простые и звучание сигнала с их выхода лишь отдаленно напоминало звучание перегруженного лампового усилителя. Тем не менее оно все же несколько походило на "звук лампы" и это давало мощный стимул разработчикам аналоговых полупроводниковых схем дисторшн продолжать свои исследования, усложнять схемы и предлагать новые схемные решения. Расцвет аналоговых полупроводниковых дисторшн пришёлся примерно на 1995-2010 года. Наиболее популярны были электрические принципиальные схемы наподобие приведенных на рисунке ниже.
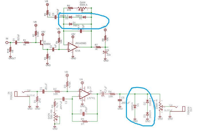
Примерные прототипы схем дисторшн на диодах
В дальнейшем схемы дисторшн несколько усложнились. Для смягчения ограничения сигнала и большей похожести на плавное ограничение в усилительных лампах увеличилось количество диодов и их число часто было разным для положительной и отрицательной полуволн сигнала.
Примерные прототипы дисторшн с несимметричным ограничением сигнала
Производились не совсем успешные (но и не провальные) попытки эмуляции лампового дисторшн на полевых транзисторах как на схеме ниже.
Примерная электрическая принципиальная схема (прототип) дсторшн на полевых транзисторах
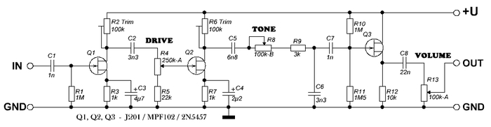
На вышеописанном этапе прогресс в электрических принципиальных схемах дисторшн для электрогитар значительно замедлился. К сожалению, инженерам по электронике не удалось разработать высокоточных симуляторов мощных ламп и выходных каскадов ламповых усилителей на транзисторах, диодах и операционных усилителях. Вероятно, наиболее заметными вершинами в этом направлении является приборы от AMT (симулятор маломощной лампы на трех высоковольтных полевых транзисторах) и SansAmp GT2 Tech 21 NYC. Схема этого устройства содержит входной ФВЧ, несколько ОУ, фильтр типа эквалайзера и выходные каскады. Основная идея SansAmp это перегруз без диодов в ООС ОУ и без шунтирующих диодов, но прямо внутри операционных усилителей, возможно, на полевых транзисторах внутри ОУ. 100% достоверную схему этого устройства в интернет найти затруднительно. И главное, для данной схемы перегруз ОУ и выходной сигнал критически сильно зависят от типа применяемых ОУ. Фактически радиолюбителям не удалось полностью достичь качества звука оригинального SansAmp и спаять полный аналог по звуку. Вероятно это произошло из-за отсутствия в свободной продаже именно тех самых старинных ОУ на полевых транзисторах, примененных в оригинальном SansAmp.
Примерная схема (прототип) по мотивам дисторшн SansAmp GT2
Незавершенность аналоговой эпохи и перспективные идеи для цифрового моделирования схем дисторшн
Цифровое программное моделирование существующих гитарных усилителей и эффектов получило весьма совершенное решение в виде процессоров на нейронных сетях (DSP). Все значимые и легендарные гитарные усилители, а также гитарные колонки и микрофоны получили хорошие адекватные модели, достойно противостоящие оригиналам при слепом тестовом прослушивании. Генерируемый DSP звук искаженных электрогитар сейчас трудно отличить от звука реальных ламповых усилителей. Однако, вероятно, цифровые процессоры с программной обработкой сигналов рановато отправили на "пенсию" много разработчиков полупроводниковых дисторшн-устройств и множество интересных со схемотехнической точки зрения проектов остались незавершенными.
Но творческая инженерная мысль желает двигается дальше. Дело в том, что разработать что-то принципиально новое по звучанию или значительно улучшить звук существующих гитарных усилителей с помощью нейронных сетей представляется проблематичным, так как нейронная сеть нуждается в обучающей последовательности сигналов, а значит необходимо эти сигналы создать каким-то прототипом из сигнала неискаженного звука электрогитары.
Радиолюбители пытаются изобрести подобные прототипы дисторшн со звуком интереснее, чем у стандартных брендовых ламповых гитарных усилителей. Спрос есть, ведь, как правило, гитаристы рок групп хотят оригинального мощного звука. Для новых разработок в области обработки сигналов электрогитар в настоящее время имеются хорошие условия. Многие значимые мощные системы цифрового моделирования аналоговых полупроводниковых устройств бесплатны. Имеются большие архивы со схемами дисторшн, ламповых гитарных усилителей, отзывы радиолюбителей, спаявших эти схемы, образцы звучания различных схем. Все это, вероятно, позволяет проанализировать и переосмыслить опыт аналоговой эпохи и на этой основе придумать, быстро смоделировать в цифре и услышать как будет звучать новый гитарный эффект.
Интересное, но малоизвестное, не до конца исследованное направление это многополосный и многокаскадный дисторш. Аналоговых реализаций очень мало ввиду сложности изготовления и настройки. Есть "софтовые" (т.е. программные) реализации. Они, как правило, не являются моделями аналоговых прототипов, а представляют собой упрощенные программные реализации алгоритмов цифровой обработки сигналов (ЦОС или DSP). Звучание таких реализаций не очень убедительно. Они производят недостаточно "жирные" искажения сигнала электрогитары и это больше похоже на мягкий "овердрайв". Но сама по себе идея красивая.
Активно изучается схема дисторшн на диодах с плавающим смещением, имитирующим сеточный ток перегруженных ламп выходного каскада гитарного усилителя. Его выходной звук напоминает перегруз ламп, а в некоторых аспектах даже может конкурировать с перегруженными ламповыми выходными каскадами гитарных усилителей. Достойная идея.
Оригинальные идеи принципов функционирования дисторшн возможно находятся на форумах радиолюбителей и "самодельщиков" электронных устройств. За 2020..2021 года удалось найти более 700 постов. Часто обсуждение велось на высоком профессиональном уровне с сэмплами, моделями схем на LTSpice, Microcap, Native Instrumets, TINA TI, VST и реальными осциллограммами с реальных перегруженных каскадов ламповых гитарных усилителей.
Цифровое моделирование схем дисторшн как творческий процесс
Неплохой системой моделирования считается бесплатная TINA TI (Texas Instrumets). Главное окно этой программы представляет собой виртуальное монтажное поле. Разработчик собирает схему из виртуальных резисторов (сопротивлений), конденсаторов, трансформаторов, дросселей, диодов, транзисторов, ламп, операционных усилителей, источников питания, генераторов сигналов и других элементов. На вход виртуальной схемы возможно подавать сигнал, записанный в обычный wav файл, например, сигнал электрогитары, записанный через звуковую карту компьютера. С выхода виртуальной схемы обработанный сигнал выводится в wav файл, на виртуальный осциллограф или сразу на звуковую карту и может быть прослушан через наушники или колонки. Несколько виртуальных осциллографов и вольтметров могут быть подключены во все узлы схемы и разработчик имеет возможность легко настроить схему по своим представлениям, выставляя требуемые напряжения путем изменения номиналов виртуальных резисторов (сопротивлений) и других элементов схемы.
Цифровая модель простейшего гитарного дисторшн в TINA TI
От разработчика требуется сама новая идея обработки сигнала, т.е. творческая идея. Реализация этой идеи в виде виртуальной схемы и ее испытания на реальных гитарных сигналах осуществляется через сборку схемы в TINA TI из готовых виртуальных элементов без низкоуровневого программирования алгоритмов цифровой обработки сигналов. Удачная виртуальная схема, вероятно, будет представлять коммерческую ценность при трансформации ее в загружаемую в аппаратный цифровой гитарный процессор программу DSP, VST модуль или при изготовлении ее в виде реального аналогового прибора для продвижения по обычным каналам продажи электромузыкального оборудования.
Не понятно, как нам поможет цифровой-симулятор. Зачем начинать с него?
Конечно истинный трушный велосипедист едет только на собранном им самим велосипеде. Шутка. Дело в том, что готовые блоки (могущие иметь внутри весьма сложный код и даже другие вложенные блоки с еще более сложным кодом внутри) с системой их виртуального соединения и адаптивной частотой дискретизации внутри системы моделирования позволяют разработчику вообще ничего не знающему о z-преобразовании тем не менее делать цифровую обработку сигналов весьма навороченными способами вообще без программирования. Замечу также, что самые крутые цифровые гитарные процессоры тем не менее именно моделируют аналоговые ламповые усилители, а не используют совершенно оригинальные рожденные сразу изначально в z-области чисто программные коды без привязки к реальному аналоговому миру. То есть путь изобретения гитарного звука в 21 веке все равно за основу берет РЕАЛЬНОЕ аналоговое устройство и моделирует его в цифре. Если вы НЕ изобрели новую аналоговую схему то и моделировать вам в цифре нечего, вот поэтому, на мой взгляд, прогресс в цифровых гитарных процессорах и замедлился. На возражение, что все схемы уже изобретены и больше переносить в цирфру нечего, не соглашусь. КАК РАЗ сегодня смотрел на YouTube на канале Соколова, известного обзорщика электрогитар и усилителей, обзор некоей японской примочки. Он сравнивал ее в своем педал-борде с Marshall и AMT. Это день и ночь! Сам Соколов у которого много сотен обзоров сказал, что такое впечатление, что Marshall и AMT просто сломались! Звук этой японской примочки настолько ярче, жирнее и насыщеннее, что окажется, что другие примочки просто сломались или у них села батарейка. Получается вроде как не все еще изобретено и перенесено в цифру.
Первый в истории гитарный дисторшн
На самом деле, хреновые звукосниматели и усилители электрогитар 30-х - 40-х годов сами по себе располагали к перегрузу, и оставлять его или нет - зависело только от желания музыканта сохранить чистоту звука, а большинство, судя по всему, до поры до времени не считало, что искажение может звучать хорошо. Кроме того, примитивного перегруза можно было случайно добиться и на обычной гитаре, если перестараться с усилением сигнала с микрофона. Поэтому сложно сказать, кто конкретно первым забил болт на искажение, а потом приручил его.
Мужик идёт в разнос на комбике Гибсон ЕН-185 1940 года и гибсоновской же гитаре 1952 года, доказывая, что хард-рок при желании можно было бы родить уже в конце 30-х. Полное видео здесь: https://www.youtube.com/watch?v=5tbU7SSg9Dk
Одной из самых ранних записей, в которой можно расслышать перегруз, считается легендарная песня Артура "Биг-Боя" Крудапа "That's All Right" 1946 года.
Первым человеком, который специально навалил дисторшна, считают Джуниора Барнарда. Его песня Fat Boy Rag вышла годом позже.
Jody Redlot - Severe mental illness
~$# Дата релиза - 2020.03.25
~$# Жанр - рейв, инди, синт








