Как подключить кабель HDMI к монитору с разъёмом VGA
Интересный переходник в разъём VGA, который позволяет вывести изображение уже по кабелю HDMI. Стоит такой адаптер 130 руб. Ссылка на него
Интересный переходник в разъём VGA, который позволяет вывести изображение уже по кабелю HDMI. Стоит такой адаптер 130 руб. Ссылка на него
Сделал для себя небольшое открытие.
Для игр использую ЭЛТ монитор. Если в спеке установлен VGA мод и проблем с картинкой нет, то с сегой все немного сложнее.
Апскейлер покупать пока душит жабка, поэтому использовал переходник AV2VGA, купленный за 500р. Но и цвета тусклые и картинка мыльная.


Коллега дал по пользоваться лежавшим у него без дела TV тюнер AverTV box 9 (на авито ценник в районе 1000р.) и вот что из этого вышло. И картинка более четкая и цвета посочнее.


Из минусов - нельзя записывать видео.
Из плюсов - теперь не нужно перетыкать туда сюда сегу и спекк 🤣
Итак, после разборки, плата и корпус были отмыты от грязи и настало время первого включения, он же дым тест:)
Питание 5В, это хорошо, на мое удивление, после 20 лет лежания на пыльном чердаке ИК-31 подал признаки жизни, светодиод горел, осциллограф показывал наличие видеосигнала на выходе.
Следующий вопрос - как и к чему подключить? Основная проблема - выход RGB, а ничего подходящего под рукой у меня небыло. На помощь пришел интернет, разработчики Мурмулятора разработали переходник RGB->VGA, за что им огромное спасибо.
Немного макетных плат, проводов и резисторов, танцев с бубном, в итоге получаем макет адаптера:
А на мониторе получаем тестовое изображение - матрас:
Настало время соединять Весту и адаптер.
Очень удивило расположение первой ноги микросхемы:) У современных микросхем первая нога обычно одна из угловых, но не в середине ряда же...)
Еще одной проблемой было отсутствие в интернете схемы сего девайса, но на выручку пришел добрый человек и помог с этой проблемой! И теперь схема есть!:)
В итоге получили сборку "мясом наружу":
Немного мучений с осциллографом, мультиметром и паяльником, как итог:
Теперь о планах:
1) обновить клавиатуру, поставив импортные мембраны.
2) вмонтировать адаптер VGA внутрь корпуса.
3) Проверить загрузку ПО. Проверить работу джойстика.
4) Собрать все в кучу.
Публикую свои посты на Дзен, буду очень благодарен за прочтение и подписку:)
Всем спасибо и хорошего дня.
Ребят можете помочь, мб есть какие то мысли?
Собрали компьютер, но видеокарта не обнаруживается, материнская плата показывает что POST не пройден светя индикатором VGA, то есть видеокарта якобы не исправна или не обнаружена. Вставляем в 1 слот PCI 16x.
Все разобрали и обнаружили что если вставляем в третий слот PCI который 4x то все прекрасно работает.
Ещё один момент, когда пробовали разные варианты попробовали убрать 1 оперативную память с 4 слота и все запустилось, однако попробовали вернуть ее и снова не работает, (кстати теперь и 1 плашкой ОЗУ отказывается работать), пробовали все слоты.
Проверяли ножки сокета, согнутых нет, проверяли с другой видеокартой, все тоже самое.
ОЗУ все плашки рабочие, Так же установлены 2 ссд m.2 NMVE думали возможно в них проблема. Их удаление проблему не решило.
Сборка:
i7 13700kf
MSI mag z790 tomahawk ddr5 wifi
ОЗУ: Kingston fury beast ddr5 16гб (2 штуки) на 6000мгц
Ссд kingston c3000 на 1 Тб и на 500гб
Видеокарта MSI 4070 Super gaming x slim 12gb
Охлаждение жидкостное Deepcool ls720
Блок питания исправный Deepcool PX850G голд
Итак ещё раз в первом слоте PCI 16х система не может обнаружить видеокарту. Bios и сбрасывал и обновлял, пробовал там выставлять насильно на 1 слот pci чтоб было gen3,4,5 без изменений. Попробовал запуститься вообще без ссд, без изменений. Так же вытаскивал батарейку с мат. платы - не помогло.
Третий день не могу понять где обкакался?
(Собирал такой же комп, на том же процессоре, с такой же ОЗУ, все все тоже самое, кроме видяхи, проблем нет все работает по сей день)
Есть мысли что проблема возникла из за:
2 SSD Nvme не дают видеокарте покушать (но странно что был запуск с этими двумя ссд и видеокартой, НО с одной плашкой ОЗУ, в тот момент я смог накатить Винду и поставить все дрова, хмп тогда я не выставлял и никак не трогал Bios)
БП хочет меня обмануть. Типа не хватает этой сборке 850 ватт, НО, опять таки уже запуск один был (с 1 ОЗУ) да и у товарища с i7 14700, 4070ti super, с 2мя ОЗУ по 6000мгц и такой же матью, все работает исправно. Подозрения есть так как в третьем слоте под видеокарту система работает исправно. (Мб типа потребления энерджи хватает и все ок?)
Процессор шалит. Почитал форумы писали про то что проц был с приколом что не давал питание на 1 слот PCI x16, замена проца решила проблему.
Материнка желает чтоб ее починили. Возможно тупо сломанный слот pci express x16? (При установке видеокарты есть не много хруст, хз откуда он. Тем не менее повторюсь очередной раз система запускалась с 1 ОЗУ однажды, (конечно мб просто повезло))
Руки из жопы, не отменяю того что я просто что то где то погнул, поцарапал и тд, но я проверил сокет - все ок (мб не заметил конечно) все защёлки закрыты нормально, все стоит плотно, ничего не болтается
Если была подобная проблема (а она как оказалась популярная) подскажите в чем может быть дело? Аппаратная ли она или Биос глючит? По ощущениям я уже все попробовал, но выхлопа ноль.
Скоро дам мать на диагностику посмотрю что скажут, и если что обновлю инфу
Доказательство того что система запускалась с 1 ОЗУ
Проблема решена!
Решили проблему покупкой новой материнской платы, точно такой же. Комплектующие совместимые, никаких проблем не возникло. Те кто говорил что это может быть БП или ОЗУ все не так. ОЗУ завелась на нормальной частоте, обе и без каких либо проблем. Температуры так же в норме. На этот раз закрепили процессор штатным креплением.
Что же не так в итоге со старой материнской платой? Сокет цел. Повреждений не видел, сдадим по гарантии. Какое то новогоднее чудо подкинул MSI. Но благо все заработало.
Спасибо тем кто помог как то разобраться в проблеме! Видимо эта штука переодически возникает в разных сборках и в абсолютно разных ситуациях, а единого решения нет. Все что я могу сказать перво на перво нужно "сузить круг подозреваемых" и далее уже принимать решение.
Некоторые вот тут Arduino nano и аппаратный UART просили показать что выйдет. @techmisty, @i.skuff, вам было непонято что это и зачем
Предпосылки: поиграться с модными нынче ардуинами, удалось; после х51 и ассемблера это просто пффф.
Идея: Сделать радио которое
- УКВ и FM
- уровень яркости индикаторов меняется от освещенности
- большой индикатор
- часы самоустанавливаются
- по возможности из деталей из гаража
Зачем:
Сделать то, чего нельзя купить. Большой индикатор для пожилого человека с плохим зрением.
Поиграться с ардуиной не на синтетическом "поморгай лампочкой", а на реальном примере, получить опыт.
Что вышло:
- УКВ и FM
- уровень яркости индикаторов меняется от освещенности, всего 3 уровня
- VGA монитор как индикатор 120х60 точек, ардуина нано больше не может)
- часы самосинхронизируются от GPS
- пульт ДУ
- управление через USB COM порт
Что не вышло:
- GPS через bluetooth, не осилил связь двух HC-05 и HC-06 (и других) друг с другом
- победить "вздрыгивание" VGA картинки при приеме данных по COM
- автоустановка часов, т.к. в моих местах часто подменяют сигнал GPS, он показывает 2027й год
Реализация:
Две Adruino Nano на Atmega328P, одна для всего, вторая - для вывода на монитор (идея взята вот отсюда https://habr.com/ru/articles/348380/)
Радио на TDA5807
Два уcилителя на TDA2030
Индикаторы на TM1638 и TM1637
Часы DS3231
GPS NEO-6M-0-001
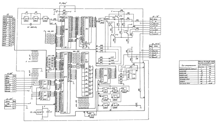
Сильно многабукоф не буду. Вот блок-схема и схема процессорного модуля. На вопросы если кому интересно отвечу. Могу поделиться и кодом, но из меня кодер как балерина. Голый Си. Сгородил свою "типа библиотеку" для RDA5807 с прямым вводом частоты т.к. существующие не хотят частоты некратные 25кГц. В RDS пока не полез. Может потом когда-нибудь.
Выводы:
- надо выносить аналоговые цепи на отдельную плату с экранированием и тщательным фильтрованием
- антенна нужна внешняя, коаксиальный кабель
- нужен регулятор громкости, тембра, баланса с памятью на каждую станцию отдельно
- сигналы VGA влияют на сигналы ИК ДУ, надо разносить и фильтровать питание
- все это пофиг при колонках 6АС-2 :) (ну были они у меня, пищалку только поменял)
Что дальше:
Это радио отдам тому, кому оно предназначено. Это пожилой человек с плохим зрением.
Попробую сгородить нечто с приемом и из эфира и из инета, добавлю i2c регулятор тембра. Или вообще ничего не буду делать. Ибо понимание что к чему появилось, возникнет нужда сделать то, чего не купить вот тогда и подумаем.