А для немцев штамповали дешевые клоны SHARP GF-777
Догадывались ли инженеры-конструкторы фирмы Шарп, обновляя модельный ряд выпускаемой бытовой радиоаппаратуры на 1981 год, какого джина из бутылки с конвейера они выпускают? Конечно же они надеялись, что аппаратура будет пользоваться хорошим спросом и принесет компании весомую прибыль, но о рождении будущей культовой модели не догадывался никто.
Модель SHARP GF-777 была создана для довольно-таки немногочисленной категории покупателей, любящих уличные тусовки под громкую музыку.
Эту категорию радиоаппаратуры окрестили жаргонным названием «геттобластеры», намекая на обитателей трущоб Америки, однако и в других странах, включая чопорную Англию, и до неприличия дисциплинированную Германию, был неизменный спрос на такие магнитолы.
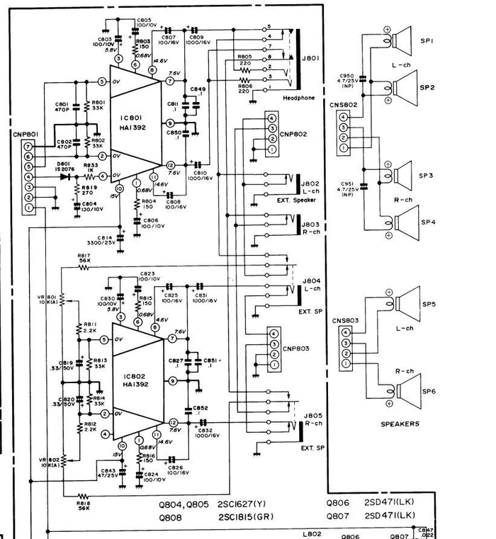
Вклад инженеров-конструкторов в успех модели SHARP GF-777 минимален. Тут нет ничего технически революционного или новаторского. Всё собрано из опробованных технических решений, как из кубиков. Культом магнитолу сделали маркетологи. Это они, вместе с дизайнерами, создали концепцию «красивой обертки», которую потом наполнили технари. Впрочем, и технари не боги, поэтому в некоторых моментах пришлось схитрить, а в некоторых и приврать. Чего стоит утверждение о выходной мощности магнитолы: 90 Ватт!!!!
И при этом вынуждены честно писать потребляемую от электросети мощность-60 Вт.
Чтобы было правильное понимание: усилитель магнитолы SHARP GF-777 собран на микросхемах Hitachi HA1392.
Максимально такая микросхема выдает 6,8 Вт на канал, да и то при питании 15 вольт. Только при такой мощности ни о каком качестве не может быть и речи-там коэффициент нелинейных искажений достигает 10%. Такие искажения даже глухой почувствует.
Спасают положение четыре динамика с диффузором по 16 сантиметров. Их звукоотдача настолько хорошая, что никто не осмелится утверждать, что магнитола играет тихо.
Ну а по остальным параметрам всё Тип-Топ:
- Коэффициент детонации (WRMS): 0,055%;
- Рабочий диапазон частот (лента Fe2O3): 30...14000 Гц;
- Рабочий диапазон частот (лента CrO2): 30...17000 Гц;
- Рабочий диапазон частот (лента Me): 30...18000 Гц;
- Соотношение сигнал/шум: 56 дБ;
- Соотношение сигнал/шум (с системой шумопонижения): 60 дБ;
Правда пластиковый корпус добавлял в звучание свой «окрас», но кто на это обращал внимание?
Магнитола продавалась по цене 585 долларов.
В Европу поставлялась модификация GF-777Н, а для Англии - GF-777Е. Была модификация и для СССР- GF777ZR/ В магазинах «Березка» можно было купить за 1861 рублей чеками. Говорят, что целая партия магнитол была закуплена для свободной продажи по цене 2400 рублей. Ни сам, ни знакомые в свободной продаже эту магнитолу не видели и поэтому утверждать не берусь.
Магнитола выпускалась 4 года и успела завоевать сердца молодежи.
Думаете, честные капиталисты, соблюдая авторские права, равнодушно смотрели на этот ажиотаж вокруг SHARP GF-777? Как бы не так. Тут же нашлись шустрые ребята, которые начали штамповать клоны.
ЛжеШарпы «Три топора» были меньше по размеру. Тут всего 53 x 29 x 14 см. ( у GF-777 размеры 73 х38 х 17см).
Изготавливали их в Гонконге и продавали в основном в ФРГ. Почему избрали Западную Германию-неизвестно. Там ведь и своих именитых производителей было достаточно. Реализовывалось под брендом RADIOTON, а вот названия моделей были разные: CORDOBA 900, Sound Lab RSD-900, Redwood 4004-S, Hanseatic GP-1, Schneider GP-1, Eversonic GP-1.
Было бы чудненько посмотреть на схему, но в сети не нашёл. На двух сайтах была ссылка на инструкцию, но увы, ссылки ведут на удаленные файлы.
Зато нашел фото разобранного клона:
Как видим, тут начинка ужата до минимума.
Шкала радиоприемника:
Очень интересно: по какой цене втюхивали эти магнитолы доверчивым фрицам?
«22 года спустя»: Распаковываем Linux-мечту гика из 2003 года — новый Sharp Zaurus SL-7500C
Недавно я исследовал китайские онлайн-барахолки и наткнулся на лот с продажей абсолютно новых КПК Sharp Zaurus за 4.500 рублей. Будучи прожженным гиком и ярым фанатом всего, что хоть как-то похоже на ноутбук и работает на ARM-процессоре, я не смог устоять и решил приобрести его в свою коллекцию необычных Linux-гаджетов. А поскольку устройство абсолютно новое и опечатанное, я решил оформить распаковку и ретроспективу в виде ламповой статьи!
❯ Предыстория
В наше время нет никаких проблем купить себе интересный гиковский гаджет. То и дело небольшие компании по типу Planet Computers и Pine64 выпускают необычные устройства, по большей части предназначенные для доводки напильником и ковыряния ради самого процесса. Более того, в эпоху DIY, многие начинающие инженеры сами себе собирают гиковские штучки: я и сам являюсь одним из таких доморощенных маминых конструкторов.
Но в девяностых и нулевых всё было не так просто: Open Hardware-компьютеров вообще практически не существовало (кроме смартфона Neo Freerunner), а серийные Linux-устройства можно было пересчитать по пальцам. Но обширное коммьюнити не отчаивалось и пыталось портировать ядро на все гаджеты, где есть MMU и хоть какая-то документация на процессор. HP Jornada, Dingoo A320, HTC Magician, HTC Gene - на все эти устройства Linux был полноценно портирован исключительно силами коммьюнити!
Среди легендарных гиковских гаджетов, особенно выделяется серия портативных компьютеров Sharp Zaurus. Ещё в 2001 году, японская корпорация поверила в перспективы Linux и Qt и выпустила один из первых серийных КПК с «пингвином» на борту - SL-5000D. Модель отличалась полноценной QWERTY-клавиатурой, которая пряталась под выдвигающимся блоком системных клавиш, крупным цветным дисплеем с приличным разрешением 240x320, мощным процессором Intel StrongARM и наличием свободного SDK для разработки программ с использованием Qt.
Несмотря на высокую цену, устройство стало бестселлером среди гиков, которые старались выжать из устройства максимум. Кастомные прошивки, ядра с разгоном процессора, порты программ с ПК - всё это появилось задолго до Android-смартфонов! Попробуйте представить себе, насколько круто было запустить полноценный Wolfenstein3D в 2002 году на портативном гаджете...
Будучи коллекционером и одним из таких энтузиастов, мне тоже захотелось обзавестись легендарным японским КПК. Сначала я купил за копейки SL-5500D из утиля с эффектом, известным как «уксусный синдром» - когда из-за неправильного хранения поляризационная пленка дисплея начинает отслаиваться и из-за кристаллизации клея изображение начинает «плыть».
А затем мне попался лот с абсолютно новым SL-7500C для китайского рынка по весьма приятной цене в 4.500 рублей. Благодаря подписчику Роману и сервису YouCanBuy, я смог заказать гаджет и привезти в Россию, за что вам огромное спасибо!
❯ Распаковываем
Поскольку многие модели Zaurus продавались в основном на рынке Японии, в другие страны их нередко ввозили «серым» импортом. Китай, однако, был исключением - там ввозом устройств занималась корпорация CEC и буква 'C' в конце названия модели как раз говорит о том, что у нас версия для Китая. От японской она отличается упаковкой и языком прошивки.
Гаджет приехал ко мне в посылке, где находился фирменный пакет, коробка с аксессуарами и опломбированная отдельная коробка для самого гаджета. В коробке с аксессуарами лежат два огромных талмуда - один с инструкцией для устройства, а второй для внешнего CF-модема GC, который позволяет добавить устройству GPRS и даже возможность звонить! Самого модема в комплекте не было, зато был диск с софтом и драйверами, проприетарный дата-кабель, блок питания (5В с Barrel-jack, как на PSP и КПК HTC/HP), запасной стилус, аккумулятор и гарантийная информация. В общем, почти стандартный набор для тех лет.
А вот сам гаджет упакован особенно: отдельная коробочка с ленточной подпоркой, обшитая красной тканью, в которой гордо расположился SL-7500C. В подобных коробочках поставляются либо шедевры ювелирной работы... либо крутейшие гиковские гаджеты!
В качестве аккумулятора здесь используется литий-ионный элемент на 950мАч. Учитывая что АКБ хранится отдельно, мне было интересно остался ли в нём ещё хоть какой-то заряд спустя 21 год после выхода устройства. При первичном замере на клеммах было 0В (это на BMS, в самом аккумуляторе было ~2.6В), однако АКБ сразу же раскачался от лабораторного блока питания и подал признаки жизни.
На первый взгляд кажется, что литий-ионные АКБ не могут жить так долго, но при условии правильного хранения, аккумуляторы могут лежать и 10, и 15 лет, сохраняя заводской заряд. У меня лежат запечатанные аккумуляторы для сонериков и моторолл, которые всё ещё неплохо держат заряд и даже у SL-5500D, который я показывал чуточку выше, аккумулятор всё ещё жив спустя почти 25 лет!
Ну что-ж, пришло время подзарядить аккумулятор и впервые за 21 год включить нашего красавца...
❯ Знакомимся ближе
Даже спустя 22 года после релиза этот красавец включается и работает как ни в чем не бывало, причём родной аккумулятор всё ещё держит заряд минимум несколько часов. При включении нас встречает консоль Linux, затем логотип Qtopia и рабочий стол устройства, который представляет из себя вариацию на тему Windows. Изначально интерфейс у большинства «Завриков» на японском или китайском языке и возможности сменить язык на английский нет - нужно прошивать кастомную прошивку.
У Zaurus есть своя консоль восстановления, откуда можно прошить кастом, сделать бэкап и отформатировать пользовательский раздел. Вызывается она включением с зажатой кнопкой «ОК», далее можно выбрать метод обновления: с CF-карточки, SD или через USB. «Завры» очень прихотливы к SD-картам, даже обычные MMC он не видит и нормально работает только с CompactFlash!
Самой популярной кастомной прошивкой была CackoROM, предположительно от разработчиков из СНГ. В довесок к стандартной Qtopia, CackoROM добавлял менеджер пакетов, позволяя устанавливать новый софт, терминал, порты различных программ на Qt с KDE и кастомное ядро. Даже Midnight Commander портировали. Буквально LineageOS в мире Zaurus!
После прошивки, printk начинает выводить логи на экран, что прибавляло к крутости владельца 100 очков... А ведь раньше даже во времена Android убирали бутанимацию и делали вывод сообщений ядра!
SL-7500 - кровный брат-близнец модели C750, работающий на идентичном железе. Под капотом у них флагманское для своих лет железо:
Процессор - Intel XScale PXA255 на частоте 400МГц с одним ARMv5-совместимым ядром собственной разработки Intel. Процессор набирает почти в два раза больше очков MIPS, чем Pentium MMX и идёт на равных с Pentium II 300 - уже в 2003 году!
ОЗУ - 64Мб типа SDRAM. Классика для КПК тех лет, хотя в 2003 году ещё выходили модели и с 32Мб памяти.
Постоянная память - 64Мб типа NAND, производства Samsung. Для расширения памяти есть слот для SD, а также для карт CompatFlash.
Дисплей - TN-матрица разработки CG-Silicon с огромным по меркам тех лет разрешением - 640x480, диагональю в 3.7" и отличной цветопередачей с глубиной пикселя в 16-бит. У компактного КПК дисплей был не хуже, чем у некоторых актуальных для тех лет десктопов!
Коммуникации - USB, COM-порт, Wi-Fi и ИК-порт. CF также можно использовать для расширения функционала устройства с помощью дополнительных модулей.
После загрузки нас встречает рабочий стол Qtopia, разделенный на несколько вкладок: основные приложения, Java-приложения, настройки и проводник. Есть также фирменное меню пуск и панель задач - у «Заврика», как и у любого уважающего себя Linux-гаджета, есть многоконность!
Также здесь есть поддержка Java, но не J2ME как на телефонах, а Jeode с профилем, близким к CDC (J2SE ~1.1). По сути, это почти полноценная Java-машина с поддержкой awt - а значит на ней можно запустить различный ретро-софт. Из коробки здесь есть демо-апплеты, а также игра крестики-нолики, да и в целом поверх этой JVM можно реализовать MIDP 1.0 и запускать игры и программы для ретро-телефонов.
Zaurus отличался очень неплохими мультимедийными возможностями. Уже из коробки был предустановлен MP3-плеер, а также видеоплеер с поддержкой формата 3gp. Конечно едва ли в те годы можно было посмотреть на нём фильм, SD-карточки были ещё слишком малого объёма, но вот счастливые обладатели CF-карт на 256Мб уже могли попробовать посмотреть сильно пережатый фильмец!
Помимо этого, у Zaurus был полноценный веб-браузер NetFront 3.1 от компании Access. Это вам не урезанные WAP-сайты: миниатюрный гаджет мог просматривать настоящие WEB 2.0 страницы, а двумя движениями ноутбук превращался... в компактный планшет! В SL-7500C к сожалению нет ни WLAN, ни Bluetooth, поэтому подключить его к сети я не смог. Но уверяю у вас, OpenNet он бы точно открыл!
Поскольку Zaurus - это ещё и органайзер, в нём предустановлен различный офисный софт. Заметки, клиент E-Mail, календарь, записная книжка - всё это входит в стандартный набор программ. В целом, Zaurus можно считать прямым конкурентом тех же самых HP Jornada, LG Phenom и других WinCE-субноутбуков тех лет.
Ну и какой-же Linux-КПК обходится без возможности зайти в консоль под рутом и управлять системой как вздумается? На Zaurus легко можно было запускать консольный софт вообще без особых изменений, а также GUI-софт. Причём Qt был необязателен: многие эмуляторы рисуют сами себя либо сразу в фреймбуфер, либо используют библиотеку SDL. Возможности моддинга гаджета были неограниченными!
❯ Заключение
Вот такой необычный Linux-гаджет разработали в Японии в далёком 2003 году. На первый взгляд кажется что у него совсем нет применений в современном мире, однако на практике это вполне достойный портативный терминал, печатная машинка, игровая консоль и... телефон, если конечно у вас есть CF-радиомодуль. Подытоживая, можно сказать что Zaurus - один из самых ярких представителей ушедшей эпохи карманных портативных компьютеров.
А если вам интересна тематика ремонта, моддинга и программирования для гаджетов прошлых лет — подписывайтесь на мой Telegram-канал «Клуб фанатов балдежа», куда я выкладываю бэкстейджи статей, ссылки на новые статьи и видео, а также иногда выкладываю полезные посты и щитпостю. А ролики (не всегда дублирующие статью) можно найти на моём YouTube канале.
Очень важно! Разыскиваются девайсы для будущих статей!
Друзья! Для подготовки статей с разработкой самопальных игрушек под необычные устройства, объявляется розыск телефонов и консолей! В 2000-х годах, китайцы часто делали дешевые телефоны с игровым уклоном — обычно у них было подобие геймпада (джойстика) или хотя бы две кнопки с верхней части устройства, выполняющие функцию A/B, а также предустановлены эмуляторы NES/Sega. Фишка в том, что на таких телефонах можно выполнять нативный код и портировать на них новые эмуляторы, чем я и хочу заняться и написать об этом подробную статью и записать видео! Если у вас есть телефон подобного формата и вы готовы его задонатить или продать, пожалуйста напишите мне в Telegram (@monobogdan) или в комментарии. Также интересуют смартфоны-консоли на Android (на рынке РФ точно была Func Much-01), там будет контент чуточку другого формата :)
А также я ищу старые (2010-2014) подделки на брендовые смартфоны Samsung, Apple и т. п. Они зачастую работают на весьма интересных чипсетах и поддаются хорошему моддингу, парочку статей уже вышло, но у меня ещё есть идеи по их моддингу! Также может у кого-то остались самые первые смартфоны Xiaomi (серии Mi), Meizu (ещё на Exynos) или телефоны Motorola на Linux (например, EM30, RAZR V8, ROKR Z6, ROKR E2, ROKR E5, ZINE ZN5 и т. п., о них я хотел бы подготовить специальную статью и видео т. к. на самом деле они работали на очень мощных для своих лет процессорах, поддавались серьезному моддингу и были способны запустить даже Quake!) и устройства на Windows Mobile. Всем большое спасибо за донаты!
Магнитофон SHARP GF800Z
Добрый день! От отца достался магнитофон, не работает радио, да общее состояние не очень. Может быть кто нибудь посоветует мастера в Санкт-Петербурге, кто может взяться за его ремонт?
Сгорела лампочка - сломался Sharp. Хитрая западня от японцев
При ремонте радиоаппаратуры, иногда сталкиваешься с очень странными техническими решениями, приводящими к быстрому выходу из строя аппарата. Создается ощущение, что это придумали враги народа, преднамеренно решившие подорвать имидж фирмы.
Начиная с 50х годов прошлого века становится популярным отдельный сегмент радиоаппаратуры- радиокомбайны.
В едином корпусе совмещается несколько видов радиоаппаратуры: радиоприемник, проигрыватель виниловых пластинок, магнитофон и даже телевизор. Всё это работает через общий качественный усилитель, нагруженный на не менее высококачественную акустику. Тут и удобство пользования (не надо возиться и переключать каждый раз соединительные шнуры) и престиж, благо корпуса тогда делали шикарные.
Хоть эти радиокомбайны стоили весьма недешево, на них всегда был неизменный спрос. С переходом на транзисторную схемотехнику и с появлением кассетных магнитофонов, радиокомбайны стали существенно компактнее, да и называться стали иначе «Музыкальный центр».
Этот класс аппаратуры достиг своего апогея во второй половине 70х. Каждый уважающий себя производитель бытовой радиоаппаратуры, имел в ассортименте несколько весьма шикарных моделей. Вот порадуйте себя.
В 1977 году, фирма Sharp, выпустила новую модель музыкального центра с фантастическим набором функций и с шикарными параметрами-Sharp SG 500H.
Начнем с дизайна: Такая шикарная внешность приправленная обилием стрелочных индикаторов пленит кого угодно с первого взгляда.
Все кнопки управления тут сенсорные - включаются легким касанием.
Ну и конечно же самый шик-пульт дистанционного управления с инфракрасным каналом. «Аппетит» у пульта был приличный -целых шесть батареек требовал.
Вот и характеристики музыкального центра.
Аппарат просто мечта, но и цена у него была ой какая космическая-в ФРГ продавался за 3000 дойчмарок. Для 1977года это огромная сумма.
Радиолюбителю Юрию попал в ремонт этот музыкальный центр. Давайте поглядим на внутреннюю компоновку Sharp.
ЭПУ, вид снизу.
Ну и остальные платы, связанные "бородой".
Лентопротяжный механизм, тоже на электромагнитах.
Юрий тщательно почистил лентопротяжный механизм магнитофонной панели, проверил пассики, моторчик, собрал обратно, но магнитофон категорически отказывался работать. С блока питания напряжение уходит нормально, все провода –выключатели целы, а напряжение до двигателя не доходит.
Пришлось сесть и подробнее изучить работу схемы этого монстра. Каково же было удивление у опытного радиолюбителя, когда выяснилось, что всему виной была…. ЛАМПОЧКА ПОДСВЕТКИ КАССЕТЫ!!!!
По какой-то, одному японскому богу известной причине, инженеры фирмы Sharp подали напряжение на схему управления ЛПМ через лампочку подсветки кассеты.
Получается, лампочка выполняла две функции: освещение окошка кассеты и стабилизация силы тока в цепи управления ЛПМ, своеобразный бареттер.
Стоило заменить это лампочку накаливания на исправную- тут же магнитофон заработал как часы.
Я даже не допускаю мысли, что инженеры хотели сэкономить на электронном стабилизаторе тока –аппарат совсем не того класса, когда экономят на спичках на нескольких радиодеталях. Какие причины побудили потомков самураев на такое схемное решение, теперь даже не узнаем- спросить уже не у кого.
Зато этот случай лишний раз подтверждает истину: в ремонте мелочей не бывает.
Китайцы начали выпускать культовый SHARP-888?
Казалось бы, уж давно отгремела слава кассетных магнитол. Самые жирные сливки, с этого сегмента рынка, сняли японские производители. Впрочем они и порадовали мир культовыми моделями. Уже на стадии падения спроса, на рынок ворвались корейские производители, насытившие рынок «батонами». Совсем уже на закате, подключились китайские производители.
Все люди, те что в здравом уме, уже прогнозировали завершение производства кассетных магнитофонов, а китайцы, как ни в чём не бывало, продолжали продавать очередные модели магнитол. Вот уже минуло четверть века, а даже на сегодня ассортимент выпускаемых кассетников насчитывает несколько десятков моделей.
Понять скромность китайских производителей можно- они делают аппараты с самой низкой себестоимостью.
Поэтому искать тут модели с Hi-Fi звучанием нет смысла.
На днях вижу рекламу: на али начали продавать магнитолы SHARP, разработанные в начале 80х! Причем не пародию, как это часто бывает, а натуральную копию легендарной модели!
Напомню чуток предысторию:
В 1978 году фирма SHARP разработала очень интересную переносную магнитолу для внутреннего рынка Японии- модель GF- 808.
Магнитола была практически напичкана новинками: тут было два лентопротяжных механизма с возможностью перезаписи или последовательного воспроизведения. Система поиска песни по паузам APLD (Auto Program Locate Device). Микширование между двумя кассетами и микрофоном.
Такой отличный аппарат и стоил подобающе-95000 йен (340$). Высокая цена нисколько не пугала покупателей и магнитолы продавались как горячие пирожки. Такой неожиданно высокий спрос подхлестнул срочно начать выпуск этой магнитолы на экспорт: GF-555 H для Европы, GF-555 Е для Англии, GF-555 Х для стран Юго-Восточной Азии. Даже для Советского Союза была разработана отдельная модель: GF-555 XR.
Первая реакция всех, кто брал в руки эту магнитолу: «Ой, какой тяжеленный!!!». Тут действительно очень массивный лентопротяжный механизм.
Мощное шасси и увесистые маховики-всё для снижения коэффициента детонации. А какие жесткие и звонкие клавиши! После них клавиши «Электроники-302» кажутся пушинкой.
Магнитола получилась очень удачной и еще претерпела несколько модернизаций: 515, 525, а для внутреннего рынка выпускали модель GF-888. Вы только посмотрите на характеристики этой магнитолы:
Диапазон частот: FM 76-108 МГц; AM 530-1605 кГц;
Коэффициент детонации: 0,06% (WRMS).
Частотная характеристика:
Обычная 30-14000 Гц;
Хромированная 30-15000 Гц.
Металлическая 30-17000 Гц.
Соотношение сигнал/шум:55 дБ (SNR: ВКЛЮЧЕНО), 50 дБ (SNR: выключено).
Выходная мощность: 12 Вт (6 Вт +6 Вт) EIAJ.
Динамики: 2 НЧ-динамика по 16 см; 2 твитера по 5 см.
Источник питания: 100 В переменного тока, 50/60 Гц 15В постоянного тока (UM/SUM-1, R20, HP-2 или батарея "D" или внешний источник постоянного тока).
Размеры:530x320x154 мм.
Вес (без батареек): 10,0 кг.
Ну и второстепенная информация:
Полупроводники: 10 микросхем, 48 транзисторов, 1 полевой транзистор, 1 SCR, 46 диодов, 14 светодиодов.
Как Вам такая двухъярусная «рояль» из клавиш ЛПМ?
Вот органы управления. По надписям все понятно.
Кстати, поделюсь хитростью, как SHARP из пяти светодиодов, запросто, мог сделать десять:
И вот представьте, что эта прелесть продается сейчас на алиэкспрессе.
Можно было подумать, что это продает частник свою магнитолу, однако уже 8 штук продано и торговля в самом разгаре. Может где в Японии раскопали старый склад этих магнитол?
С какой - то барахолки 47
Легендарная магнитола Sharp GF-800.
Дорого
Тем, кто уже побежал жаловаться - я ничего тут не продаю, просто показываю!
Это вы тут квартиры мраморные продаёте.













































































