Угловые адаптеры-переходники для различных устройств, предназначенные направить шнур сразу и напрямую в нужную точку, вместо большого 'крюка' с заламыванием, которые оставляют прямые шнуры питания и передачи данных.
USB адаптеры
8 видов USB адаптеров «папа-мама» под разными углами и под конкретные нужды. Стоит 1 штука 100-130 руб. с бесплатной доставкой. Выбрать и купить можно здесь.
Type-C адаптеры
Адаптеры-переходники с разъёмом Type-C. Стоит 1 штука 140-180 руб. в зависимости от модели. Ссылка на них.
Mini-USB адаптеры
Адаптеры угловые со старыми разъёмами питания Mini-USB, сделаны 2х видов: налево и направо. Такие обычно используются для видеорегистраторов, где в комплекте идут прямые шнуры и делают большой 'крюк'. Стоит комплект 203 руб. Ссылка. Также продаются отдельно по 107 руб.
Micro-USB адаптеры
Такие же адаптеры, только с разъёмом Micro-USB (лево и право). Стоит штука около 100 руб. Выбрать можно здесь.
Адаптер USB-USB Type-C
Переходник - адаптер с USB на USB Type-C. Стоит 109 руб.Ссылка на него
Адаптер USB Type-C на наушники 3,5 мм
Адаптер для смартфонов, в которых нет разъёма для наушников, будет полезен для игр на смартфоне, где постоянно мешается торчащий петлёй провод. Стоит такой около 300 руб. Ссылка на переходник.
Адаптеры HDMI
Угловой адаптер видео HDMI папа-мама. Стоит пара137 руб. Ссылка на них. Продаются по отдельности с разным расположением разъёма по 89 руб. Также есть для разрешения 8K по 280 руб.
Адаптеры зарядки для ноутбуков (Type-C)
Различные угловые адаптеры для зарядки ноутбуков c входом для кабеля Type-C. Стоит 1 штука 192 рубля. Выбрать нужный можно здесь.
Адаптеры для ПК
Различные угловые адаптеры-переходники для ПК, блоков питания и мониторов. Стоит штука 225-240 руб. в зависимости от вида. Ссылка на них. (2 вида на выбор, верх и вниз)
Адаптер IEC C7
Угловые адаптеры с разъёмом IEC C7. Стоит штука на выбор 289 руб. Ссылка на переходник
Адаптер Ethernet
Угловые адаптеры для сетевого кабеля, есть 4 варианта на выбор. Стоит штука около 160 руб. Ссылка на них
Адаптеры PH19A и PH19B
Адаптер-конвертер угловой для материнской платы USB 3.0 PH19A и PH19B на выбор. Стоит штука 116 руб. Ссылка
Разветвитель в розетку.
Удобный разветвитель с 3 розетками (по бокам и сверху), 3 usb портами и портом Type-C. Кнопка выключения. Стоит такой сетевой фильтр 1 203 руб. ссылка на него
Удлинитель с угловой вилкой
Удобный 2х метровый удлинитель-сетевой фильтр с 4 розетками, 3 USB и 1 USB Type-C и угловым подключением, что дает возможность включить его в розетку за диваном или шкафом, при этом задвинув мебель максимально близко к стене без повреждения шнура и вилки. Стоит такой 2 073 руб. Ссылка на удлинитель
Если вы хотите поближе познакомиться с таймером. Не обязательно этим. Понять что это вообще такое. Где и как его используют. То обязательно я вам рекомендую начать с очень популярного и известно во всём мире таймера NE555.
Микросхему NE555 можно спокойно отнести к универсальным таймерам. Который можно применять в различных схемных решениях. Даже довольно нестандартных. Так сказать на все случаи жизни.
Но чаще всего эту микросхему используют как генератор прямоугольных импульсов. Различной частоты и длительности.
И для каких схем не требуется большого количества дополнительных внешних деталей. И это одно из её достоинств. Одно из многих. Благодаря которому она завоевала такую популярность во всём мире.
И эта популярность. Как раз есть поводом чтобы начать именно с этого таймера. Потому что схемных решений на основе NE555 в мире существует огромное количество. Также на многих форумах обсуждается работа этой микросхемы. Плюс к этому существует много различной документации по ней. Переведённые на разные языки включая русский.
Знакомство с микросхемой NE555
Немного истории
Над разработкой этой микросхемы еще в далеком 1970 году занимался американский инженер- схемотехник Ганс Камензинд. А производство этого таймера начала американская фирма Signetics.
Обозначение и цоколёвка
За всё время которое выпускается это микросхема. Она претерпела некоторые внешние изменения. Но это отразилось только на её корпусе. Это такие корпуса как DIP-8, а так же для поверхностного монтажа (SOP-8, SOIC-8).
Но расположение выводов осталось прежним: 1 (земля, минус); 2 (запуск); 3 (выход); 4 (сброс); 5 (контроль); 6 (останов); 7 (разряд); 8 (плюс источника питания). Чтобы легко было найти первый вывод микросхемы. Возле него находится маленькое углубление.
На заре своего выпуска. Эта микросхема существовала и в металлическом корпусе LM555CH
Расположение и назначение выводов
NE555 и её аналоги преимущественно выпускаются в восьмивыводном корпусе типа PDIP8, TSSOP или SOIC. Расположение выводов независимо от корпуса – стандартное. Условное графическое обозначение таймера представляет собой прямоугольник с надписью G1 (для генератора одиночных импульсов) и GN (для мультивибраторов).
Общий (GND). Первый вывод относительно ключа. Подключается к минусу питания устройства.
Запуск (TRIG). Подача импульса низкого уровня на вход второго компаратора приводит к запуску и появлению на выходе сигнала высокого уровня, длительность которого зависит от номинала внешних элементов R и С. О возможных вариациях входного сигнала написано в разделе «Одновибратор».
Выход (OUT). Высокий уровень выходного сигнала равен (Uпит-1,5В), а низкий – около 0,25В. Переключение занимает около 0,1 мкс.
Сброс (RESET). Данный вход имеет наивысший приоритет и способен управлять работой таймера независимо от напряжения на остальных выводах. Для разрешения запуска необходимо, чтобы на нём присутствовал потенциал более 0,7 вольт. По этой причине его через резистор соединяют с питанием схемы. Появление импульса менее 0,7 вольт запрещает работу NE555.
Контроль (CTRL). Как видно из внутреннего устройства ИМС он напрямую соединен с делителем напряжения и в отсутствие внешнего воздействия выдаёт 2/3 Uпит. Подавая на CTRL управляющий сигнал, можно получить на выходе модулированный сигнал. В простых схемах он подключается к внешнему конденсатору.
Останов (THR). Является входом первого компаратора, появление на котором напряжения более 2/3Uпит останавливает работу триггера и переводит выход таймера в низкий уровень. При этом на выводе 2 должен отсутствовать запускающий сигнал, так как TRIG имеет приоритет перед THR (кроме КР1006ВИ1).
Разряд (DIS). Соединен напрямую с внутренним транзистором, который включен по схеме с общим коллектором. Обычно к переходу коллектор-эмиттер подключают времязадающий конденсатор, который разряжается, пока транзистор находится в открытом состоянии. Реже используется для наращивания нагрузочной способности таймера.
Питание (VCC). Подключается к плюсу источника питания 4,5–16В.
Аналоги микросхемы NE555
После очень большой популярности. Которую завоевала это микросхема. Её аналоги начали производить уже многие фирмы.
В Советском Союзе аналог этой микросхемы имел название КР1006ВИ1. Но эта микросхема имеет ряд небольших отличий. Которые нужно учитывать при разработке. А также повторении схем. В микросхеме КР1006ВИ1 вход останова (6) имеет приоритет над входом запуска (2). Импортные аналоги других фирм работают идентично оригиналу.
Также в СССР ещё в семидесятых годах. Был разработал аналог этой микросхемы более низким потреблением питания. На полевых транзисторах под названием КР1441ВИ1.
Параметры микросхемы NE555
Ниже представлены предельные эксплуатационные параметры NE555 . Они характерны для большинства её модификаций. Также у некоторых производителей они могут незначительно отличаться между собой. В зависимости от компании-изготовителя
напряжение источника питания от +4.5 до +18В;
мощность рассеивания до 600 мВт;
выходной ток до 200 мА;
максимальная рабочая частота 500 кГц;
температура: рабочая от 0 до 70ОС; хранения от -65 до +150ОС.
Посмотрим на внутреннюю схему таймера расположенную чуть выше. Если соединить входы THRES и TRIG и использовать их для подачи входного сигнала, то NE555 будет работать в режиме инвертирующего прецизионного триггера Шмитта с RS-триггером на аппаратном уровне. Входное напряжение будет делиться двумя композиторами на три участка. И при переходе входного напряжения через эти участки. Будет происходить срабатывания RS триггера в одну или в другую сторону. Величина гистерезиса определяется встроенным делителем и равна трети напряжения питания.
Одновибратор
Схема работает следующим образом. На вход таймера (2) подают одиночный импульс низкого уровня. Который приводит к переключению микросхемы. И появлению на выходе (3) высокого уровня сигнала. Который длится заданный промежуток времени t=1,1*R*C
Затем таймер переключается обратно в стабильное состояние (низкий уровень на выходе OUTPUT).
Стоит отметить два факта:
Появление низкого уровня на входе RESET переключает таймер в стабильное состояние и переводит выход OUTPUT на низкий уровень.
Напряжение источника питания не влияет на длительность импульсов. Чем больше напряжение питания, тем выше скорость заряда времязадающего конденсатора и тем больше амплитуда выходного сигнала.
Дополнительный импульс, который можно подать на вход после основного, не повлияет на работу таймера, пока не истечет время t.
Также такую схему можно использовать для формирования прямоугольных импульсов правильной формы. А так же для устранения дребезга контакта при переключении. Нужно только подобрать правильно время задающий конденсатор.
Мультивибратор
В режиме мультивибратора. Микросхема ne555 генерирует импульсы прямоугольной формы. На (3) выводе output. Заданной частоты (периода) и также скважности.
Также его отличие от одновибратора состоит в том, что мультивибратор не требует внешнего запускающего импульса. Генерация происходит постоянно.
В формировании повторяющихся импульсов участвуют резисторы R1, R2 и конденсатор С. Время импульса (t1), время паузы(t2), период (T) и частоту (f) рассчитывают по нижеприведенным формулам: Из данных формул несложно заметить, что время паузы не сможет превысить время импульса, то есть достичь скважности (S=T/t1) более 2 единиц не удастся. Для решения проблемы в схему добавляют диод, катод которого соединяют с выводом 6, а анод с выводом 7.
Схема работает следующим образом. В момент подачи питания конденсатор С1 разряжен, что переводит выход таймера в состояние высокого уровня. Затем С1 начинает заряжаться, набирая ёмкость до верхнего порогового значения 2/3 UПИТ. Достигнув порога ИМС переключается, и на выходе появляется низкий уровень сигнала. Начинается процесс разряда конденсатора (t1), который продолжается до нижнего порогового значения 1/3 UПИТ. По его достижении происходит обратное переключение, и на выходе таймера устанавливается высокий уровень сигнала. В результате схема переходит в автоколебательный режим.
Недостатки NE555 — или ложка дегтя в …
У таймера ne555 есть маленькая особенность. Делитель напряжения которые находятся внутри микросхемы. Он же и задаёт фиксированный верхний и нижний порог срабатывания для двух компараторов. И в связи с тем что делитель напряжения нельзя исключить, а пороговым напряжением нельзя управлять. Это немного сужает область применения этого таймера так как нельзя подключить внешнее управление.
Но более существенная проблема в том что Таймер ne555 выполнен на биполярных транзисторах. Этот недостаток проявляется в момент перехода таймера. А точнее выходного каскада из одного состояния в другое. Каждое переключение сопровождается паразитным сквозным током, который в пике может достигать 400 мА. Что приводит к повышенному энергопотребления микросхемой. А также к увеличению выделения тепла. Проблема частично решается установкой полярного конденсатора ёмкостью до 0,1 мкФ между общим проводом и выводом управления (5). Это повышается стабильность работы таймера. И способствует при запуске устройства.
Так же, для повышения помехоустойчивости. Желательно в цепь питания установить неполярный конденсатор 1 мкФ.
Кто бы мог подумать, что на никому не нужной, и даже отсталой советской телефонной станции, богатства как в пещере Аладдина. Я ведь на этих станциях много лет работал в молодости и не обращал на это внимания.
Когда в первый раз пришел работать на телефонную станцию, разочарованию не было предела. С точки зрения радиолюбителя, там ничего полезного для себя не было. Редкие транзисторные схемы были собраны на транзисторах с посредственными характеристиками серии МП. Какие-то стойки с оборудованием уплотнения были вообще ламповые.
Сама телефонная станция, это огромное царство реле РПН. Их там было миллион.
Да, мы знали, по паспортам этих реле, что там содержится «ноль целых надцать тысячных» грамма драгоценных металлов. Только вот этот факт никому не был интересен. Меня, как молодого (бесполезного) специалиста, даже как-то отправляли сдавать в вторчермет целую кучу этих реле. Причем нам только нужна была накладная о сдаче, чтобы списать эти реле с баланса.
Были модули с реле РЭС-10.
Их еще можно было применять в радиолюбительских конструкциях, но очень ограничено-контакты не рассчитаны на большой ток. Когда мне, по случаю, подогнали несколько десятков военных реле РЭС-47, выдерживающих любую нагрузку, я уже и смотреть не хотел на все эти РЭС-10, РЭС-22.
Вот такая грустная картина для молодого радиолюбителя: работаешь на огромной телефонной станции, где 5 технических этажей забиты оборудованием, но там нет ничего ценного для твоих поделок.
Решение было найдено где-то через полтора года скучной работы. Выяснилось, что детали можно выписывать с центральной лаборатории, для сборки рационализаторских схем. Вот я и начал собирать схемы для тестирования огромных релейных блоков после ремонта и профилактики. Тут уже можно было спокойно выписывать микросхемы, тиристоры и современные транзисторы.
Время летело быстро. Развалился СССР. Я уже работал на другом предприятии. В один из сиреневых вечеров, звонит знакомый связист, работающий на заводской телефонной станции и просит срочно выделить время для встречи: есть серьезная тема. Предложение посидеть в баре отметается-разговор предстоит без свидетелей.
При встрече он поведал интересную историю. На него вышли подозрительные личности с солнечного Кавказа, в весьма широкополых кепках, и сходу предложили зарплату связиста за 10 лет. За столь щедрое вознаграждение попросили мелкую услугу: организовать доступ к телефонной станции в выходной день, якобы для ремонта.
Кто работал в 90-ые годы, прекрасно помнит ту атмосферу неопределенности. Сегодня есть работа, а завтра можешь оказаться на улице. Зарплату получил - срочно закупи всё необходимое, иначе инфляция съест за месяц половину. Вот мой знакомый и задумался – соглашаться с щедрыми грузинами или это смертельный номер.
Этим предприимчивым генацвале, на старой телефонной станции, надо то было только скромный пучок проводов, но не абы каких, а именно с многократных координатных соединителей.
На телефонных станциях координатного типа, самый главный элемент коммутации телефонных линий- это МКС (многократный координатный соединитель).
В нём подвижные посеребренные контакты соединяются с натянутыми проводами (струнами). Так вот эти провода представляли собой сплав с высоким содержанием палладия. Этот вожделенный металл и заставил грузин кататься по всей стране с протянутой рукой, протягивая чемодан денег.
Они клятвенно обещали быстро поменять эти струны на другие, качественные, но без палладия. Мол никто не узнает.
Вот коллега и решил узнать моё мнение: стоит рисковать или нет. Меня, если честно, абсолютно не волновала судьба палладия. Я больше переживал за телефонную станцию. Да, когда они поменяют станция будет работать идеально- тут вопросов нет. А что станет с этими подменными струнами через месяц? Через год? Могут окислится, растянутся и пиши пропало- телефонная станция встанет. Я высказал свои опасения и посоветовал не связываться, мол, тебе в этом городе еще жить да жить. На этом и распрощались.
В ежедневной суете как то быстро забылся этот разговор. С этим товарищем больше не созванивались и случайно встретились только через пару лет. По ходу разговора я узнаю, что он вовсю занят ремонтом квартиры. Тут мозг начинает строить цепочку и вытягивает из глубин памяти былой разговор. Я и выпалил:
-Струны продал?
-Мммм… нуууу….. да!
Оказывается, он в тот раз грузинам категорически отказал. Они пропали. Объявились через полгода с еще более толстым чемоданом денег. Тут наш бедолага и задумался: семья растет, надо отселяться от родителей, а тут как раз на квартиру хватит, пусть даже вторичку. Телефонная станция.. ну что с ней стрясется. Начальство там вовсю ведет разговоры о покупке новой импортной электронной станции, авось и вытянем уж годик-другой на этих левых струнах.
Операция по замене струн прошла без проблем. Чемодан денег оказался даже толще, чем ожидалось, да еще и родственники подкинули денег и хватило на двухкомнатную квартиру. Телефонная станция проработала недолго и стройные ряды стоек координатки заменила небольшая тумбочка -электронная станция из Южной Кореи.
Вот рядом с таким богатством работали связисты в СССР и никто не обращал на это внимания.
При ремонте промышленных зарядных устройств (ЗУ), а также при разработке своих собственных ЗУ часто возникает потребность в имитаторе аккумуляторной батареи для отладки и проверки исправности устройства. Конечно, можно использовать для этого и реальные аккумуляторы, но это не всегда удобно. По нескольким причинам:
Аккумуляторы заряжаются и разряжаются достаточно медленно, поэтому, чтобы проверить поведение устройства при крайних значениях уровня заряда батареи, приходится долго ждать и при этом необходимо находиться рядом с испытуемым устройством чтобы не упустить нужный момент.
Реальные аккумуляторы являются накопителями энергии и при их существенной емкости представляют серьезную опасность при нештатных ситуациях, например, при коротком замыкании их клемм. Литиевые аккумуляторы, например, могут воспламениться и устроить серьезный пожар.
Тяговые аккумуляторные батареи, помимо вышеперечисленных пунктов, также имеют существенные габариты и вес, из-за чего их можно перемещать только с применением специальной техники. Что не очень удобно, поскольку обычно место ремонта аппаратуры находится далеко от места эксплуатации такой техники.
Имитаторы аккумуляторных батарей вполне себе производятся промышленно. Но это не самые ходовые приборы, потому они стоят существенно и достаточно редки. Поэтому изготовим такой прибор самостоятельно из доступных деталей.
Шильдик зарядного устройства
В моем случае необходим эквивалент тяговой свинцовой аккумуляторной батареи напряжением 24 В для ремонта ее зарядного устройства, которое выдает зарядный ток до 30 А. Нетрудно подсчитать, что при максимальном напряжении на батарее 30 В и максимальном зарядном токе, устройство должно рассеивать мощность порядка 900 Вт.
В радиолюбительской практике для изготовления различного рода нагрузок и эквивалентов издревле применяют обычные резисторы. Если включать резисторы последовательно и параллельно, комбинируя их в различные схемы, можно относительно легко подобрать нужное сопротивление под определенную рассеиваемую мощность. Мной когда-то давно были изготовлены подобные нагрузки (на фото ниже) для испытания самодельных усилителей мощности. Нагрузка состоит из четырех секций по 10 двухваттных резисторов в каждой. Резисторы сопротивлением 10 Ом, соответственно, сопротивление одной секции – 1 Ом. Секции соединены последовательно, поэтому сопротивление всей сборки – 4 Ом (это одно из самых часто встречающихся сопротивлений акустических систем). Поскольку, ко всем резисторам есть свободный доступ, подпаиваясь проводами к разным точкам нагрузки можно получить сопротивления как 4, так и 3, 2 и 1 Ом. А если соединить концы нагрузки вместе и подключиться в середине, можно получить 0,5 Ом и даже 0,25 Ом (когда все секции включены параллельно). Очень удобная получилась штука, пользуюсь ими постоянно вот уже пару десятков лет.
Нагрузки для испытаний усилителей мощности
Нагрузка обдувается вентилятором. Вентилятор может питаться от самой нагрузки, для этого стоит мостовой выпрямитель на ультрабыстрых диодах. Единственный момент – при измерении КНИ усилителя с такой нагрузкой, выпрямитель вентилятора необходимо отключать, так как нелинейность диодов вносит существенную погрешность в этом виде измерений. Номинальная мощность такой нагрузки – 40 х 2 Вт = 80 Вт, но благодаря принудительному обдуву она вполне может рассеивать и больше. Я полагаю, что даже мощность 100 – 120 Вт для нее будет вполне терпимой.
Однако, для рассеивания мощности в 1 кВт даже двух таких нагрузок будет совершенно недостаточно. Необходимо, как минимум, десять. Для десяти нагрузок придется приобрести 400 двухваттных резисторов, при цене за штуку 10-15 рублей, выглядит не очень бюджетно. И это не считая еще покупки вентиляторов и затрат на сборку всего этого. Если использовать мощные керамические резисторы, у них цена порядка 20-30 р за 10 Вт, их потребуется только 100, что уже выглядит выгоднее. Использовать мощные резисторы с ушками для крепления к радиатору вообще невыгодно, у них цена в разы больше, порядка 200 р за 25 Вт и порядка 800 за 100 Вт (примерные цены взяты с сайта чип-дип на текущий момент).
Да и вообще, использовать резисторы не очень удобно, поскольку аккумуляторная батарея, в отличие от простой нагрузки, обладает собственной ЭДС и чтобы ее сымитировать, необходимо подавать на резисторную сборку минимально необходимое напряжение для старта ЗУ, то есть, нужно иметь в наличии еще и источник питания, способный выдавать мощность, сравнимую с мощностью самого зарядного устройства. Такой источник питания не у каждого имеется под рукой.
Поскольку зарядные устройства по отношению к аккумуляторной батарее всегда являются источником тока (обеспечивают стабильный ток при зарядке), то имитатор батареи должен вести себя как стабилизатор напряжения. Грубо говоря – стабилитрон. Но стабилитронов на такую мощность я ни разу не встречал.
А на чем еще можно рассеять такую мощность, кроме резисторов? Например, на транзисторах. В интернете можно нагуглить такую схему имитатора мощного стабилитрона на биполярном транзисторе.
Аналог мощного стабилитрона
Схема проста, состоит из нескольких деталей и работает следующим образом: пороговым элементом является управляемый стабилитрон TL431. Делителем R1/R2 задается напряжение его открывания. Как только напряжение в точке их соединения превысит 2,5 В, стабилитрон откроется и свом током откроет мощный биполярный транзистор. Открытый транзистор, забирая на себя часть тока, будет стремиться уменьшить напряжение на делителе. Таким образом, напряжение стабилизируется.
Однако, в нашем случае необходимо рассеять мощность порядка одного киловатта, а биполярные транзисторы плохо с этим справляются. Типичный максимальный ток силового биполярного транзистора – 10…15 А, а типичная максимальная рассеиваемая мощность (в обычных корпусах типа ТО-220 и ТО-3) – 100…150 Вт. Иными словами, для рассеивания такой мощности нужно как минимум 10 штук таких транзисторов, огромного размера радиатор и обязательно надо заморочиться с тем, чтобы ток поделился между всеми транзисторами поровну, вне зависимости от разброса их параметров и особенно, температуры. Хорошо хоть такие транзисторы стоят недорого. Например, очень популярный 2N3055 (NPN, 60 В, 15 А, 115 Вт) стоит всего около 70 р. Правда, его корпус ТО-3 не очень удобный, но если есть большое количество радиаторов от старой советской техники, этот вариант можно и рассмотреть.
Гораздо лучше ситуация с рассеиваемой мощностью у полевых транзисторов. У многих экземпляров в корпусах ТО-3PN и To-247 заявляется мощность до 300…400 Вт и даже больше. Но тут необходимо смотреть даташит, а конкретно, на область безопасной работы при постоянном токе. Часто она очень мала и в нее даже не попадает наше относительно низкое напряжение 30 В. Если выбирать высоковольтные экземпляры, то там уже лучше. Например, транзистор SPW47N60CFD (600 В, 46 А, 417 Вт) как раз имеет подходящую для нас область безопасной работы (см. график). Если, к примеру, взять 3…4 таких транзистора, вполне можно попробовать рассеять киловатт. Но, опять же, для транзисторов необходим радиатор циклопических размеров и к нему в придачу такого же размера вентиляторы, чтобы удержать температуру в пределах 100 градусов на кристалле.
Схема имитатора на полевом транзисторе
Вот схема, похожая на предыдущую, но с использованием полевого транзистора. Работает аналогично, только открывшийся биполярный транзистор открывает за собой еще и полевой, который и рассеивает на себе основную мощность.
Поигравшись немного с полевиками, этот путь был признан бесперспективным. Вообще, рассеивание тепла на активных электронных полупроводниковых компонентах, работающих в линейном режиме – бесперспективный путь. Во-первых, потому что надо очень серьезно заморачиваться с отводом тепла, иначе полупроводник перегреется и выйдет из строя. Затем необходимо заморачиваться с режимом работы прибора. Не допускать самовозбуждения и неравномерного распределения тока между отдельными компонентами, работающими параллельно. А это очень сильно усложняет схемотехнику. Ну и в третьих, это все хозяйство занимает очень много места, а хотелось бы иметь небольшое приспособление, которое можно было бы расположить на рабочем столе рядом с ремонтируемым устройством. Полупроводники в линейном режиме подойдут для совсем уж маломощных устройств.
Поэтому я начал искать, на чем еще можно рассеять такую мощность. Прежде всего, можно использовать различные нагревательные устройства – лампы накаливания, электрокомфорки, ТЭНы, обогреватели. Если лампы накаливания на мощность более 100 Вт сейчас найти проблематично, то остальные приборы – вполне реально и часто даже бесплатно, в составе неисправной бытовой техники. Электрокомфорка, у которой перегорела одна спираль, в быту уже бесполезна, а как нагрузка вполне сгодится. Единственный момент, который все портит – все эти нагреватели рассчитаны на питание от сети 230 В и имеют соответствующее этому напряжению довольно высокое активное сопротивление. Поскольку мощность пропорциональна квадрату напряжения, то при нашем напряжении батареи 24 В, рассеиваемая мощность получается крошечной. Необходимо как-то или коммутировать различные нагревательные элементы в параллель, чтобы получить сопротивление пониже или повышать напряжение каким-либо преобразователем. Мне показался перспективным второй вариант.
Нагреватель
А в качестве нагревателя я применил нагревательный элемент от малогабаритной стиральной машинки, когда-то выпускавшейся горьковским автозаводом (!!!). Эта машинка, помимо сложной механики и хитрой автоматики, имела еще и встроенную сушку. И этот нагревательный элемент как раз от нее. Он имеет мощность 900 Вт и размеры всего 110х55х35 мм. Разумеется, при такой мощности в таком объеме этот нагреватель необходимо интенсивно продувать воздухом, но это не составляет проблемы. С этим справляется обычный 24-вольтовый вентилятор 120х120мм. Аналогично, можно было бы применить нагреватель от сломанного бытового или промышленного фена. В них нагреватель также весьма компактный, достаточно мощный, и идет уже в сборе с вентилятором.
Внешний вид
Осталась одна проблема – как преобразовать киловатт мощности напряжением 24…30 В в 220 В. По сути, не сказать что это задача со звездочкой. Такие преобразователи широко распространены в виде источников бесперебойного питания (ИБП) и походных инверторов. Последние не используют тяжелых и громоздких железных трансформаторов, а используют более легкие и компактные ферритовые трансформаторы. И преобразование происходит не на частоте сети 50 Гц, а значительно выше. Это напряжение потом выпрямляется в постоянное ~310 В и из него транзисторными ключами уже формируют переменное с частотой 50 Гц. Сейчас часто встречаются модели, даже формирующие чистый синус на выходе.
Но нам чистый синус не нужен. И переменный ток 50 Гц тоже. Даже выпрямлять высокочастотное напряжение не обязательно. Нагрузку можно подключить напрямую к повышающему трансформатору. Благодаря этому схему можно сильно упростить. В результате получилась такая схема:
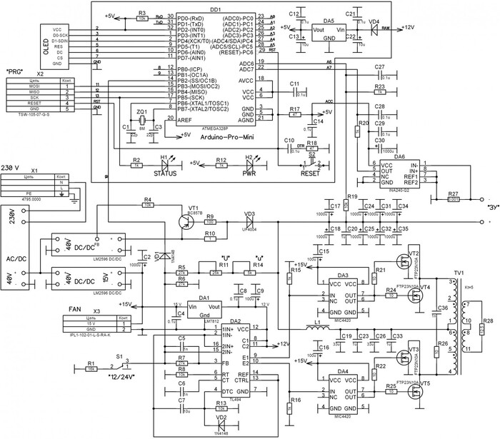
Схема имитатора
Повышающий преобразователь собран на широко распространенной микросхеме TL494 (DA3) по прямоходовой схеме. Микросхема управляет силовыми ключами VT2 – VT5 через драйверы DA3, DA4. Ключи коммутируют обмотки трансформатора TV1. Трансформатор взят готовый из неисправного зарядного устройства и включен наоборот. Поскольку в исходной схеме трансформатор был включен в полумост, его коэффициент трансформации все равно получился меньше необходимого. Из-за чего нагрузку (R28) пришлось немного доработать. Исходно, ее сопротивление составляло 50 Ом. Я соединил концы спирали вместе к одному выводу, а вторым выводом подключился в середине. Результирующее сопротивление теперь составило 12,5 Ом. Теперь нагреватель может работать при напряжении 115 В, а именно такое напряжение получается снять с трансформатора. Демпферная цепочка С36R26 гасит выбросы самоиндукции трансформатора. Но даже при ее наличии, необходимо выбирать транзисторы VT2 – VT5 с допустимым напряжением на стоке не менее 100…150 В. Я взял транзисторы FTP23N10A из неисправного 24-вольтового компьютерного ИБП. Их параметры не впечатляют, 100 В, 57А и 23 мОм сопротивление открытого канала, поэтому поставил их по 2 шт в каждое плечо. До этого я пробовал IRFP4110, но с ними мне не повезло - попались контрафактные, с сопротивлением канала даже бОльшим, чем у FTP23N10A. При коэффициенте трансформации К=5, сопротивление нагрузки 12,5 Ом превращается в 0,5 Ом для транзистора. Поэтому коммутирующие транзисторы необходимо выбирать с сопротивлением открытого канала не более 5…10 мОм и с максимальным током не менее 100…120 А. Разумеется, эти транзисторы необходимо установить на приличного размера радиатор, а сам радиатор расположить так, чтобы его обдувало потоком воздуха от вентилятора.
Преобразуемое напряжение подается на среднюю точку трансформатора через фильтр. Фильтр необходим для сглаживания потребления тока преобразователем. Поскольку преобразователь работает на высокой частоте и нагружаемое им устройство также работает на высокой частоте, они не должны никак влиять друг на друга. Фильтр из индуктивности L1 с конденсаторами С19, C23, C26, С33 фильтруют высокочастотные помехи, а батарея электролитических конденсаторов C17, C18, C24, C25, C31, C32, C34, C35 фильтрует низкочастотные флуктуации. Мощный дроссель L1 и конденсаторы также взяты готовые из неисправного ЗУ. Мотать различные катушки и трансформаторы – к этому у меня давняя нелюбовь.
Логика работы обратной связи преобразователя как нагрузки отличается от таковой у обычного преобразователя. У обычного преобразователя обратная связь заводится с выхода и настраивается так, чтобы поддерживать на выходе стабильное напряжение или ток. Здесь же необходимо реализовать функцию ограничения напряжения на входе. При напряжении меньше некоторого порогового преобразователь должен быть выключен. При повышении напряжения выше порогового, преобразователь должен включаться и увеличивать скважность импульсов, нагружая вход так, чтобы напряжение на нем больше не росло. Для этого на плюсовой вход второго компаратора микросхемы TL494 подается опорное напряжение 5 В, а на минусовой вход – напряжение с делителя входного напряжения. Делитель образован резисторами R5, R6, R11, R14 и R1. R11 и R14 – переменные для грубой и точной установки напряжения. R1 подключается дополнительно тумблером. Если он подключен, то диапазон регулировки напряжения примерно 19…33 В, то есть, для имитации 24-вольтовых батарей. Если резистор отключен, то диапазон становится 10…15 В для имитации 12-вольтовых батарей. Второй режим мне как бы не нужен был, но поскольку он реализуется лишь одним дополнительным резистором и тумблером, то почему бы его и не сделать.
Имитацию внутреннего сопротивления батареи можно регулировать резистором обратной связи R7. Чем меньше его сопротивление, тем батарея «мягче», ее «сопротивление» больше. Это важно для тех зарядных устройств, которые заряжают пульсирующим током сетевой частоты.
А что будет, если на преобразователь будет подана мощность больше той, что он может преобразовать? В этом случае стабилизация перестанет работать, напряжение будет расти до тех пор, пока не сработает защита, о которой подробнее будет рассказано далее.
Микросхема TL494 питается от 12 В стабилизатора на DA1. От этого же стабилизатора питается узел защиты на микроконтроллере. На стабилизатор подается напряжение 15В от DC/DC преобразователя на стандартном модуле на основе LM2596. Напряжение 15 В также питает 24-вольтовый вентилятор. При этом напряжении вентилятор уже достаточно сильно дует и пока еще не так громко шумит. Это напряжение можно регулировать в небольших пределах DC/DC модулем, это никак не скажется на остальной схеме. DC/DC модуль питается от напряжения около 40 В.
Напряжение для имитации ЭДС батареи создается вторым DC/DC преобразователем. Этот преобразователь с помощью простой схемки на одном транзисторе превращен в источник тока порядка 0,5 А. Такого тока вполне достаточно чтобы зарядные устройства «почуяли» батарею. Напряжение питания 40 В берется от готового блока питания из какого-то вышедшего из строя лазерного МФУ.
Блок защиты, помимо самой защиты еще осуществляет индикацию текущих тока, напряжения, вычисляет мощность и считает ампер-часы. Напряжение измеряется обычным резистивным делителем. Ток – с помощью специальной микросхемы-усилителя напряжения шунта INA240. Напряжение и ток после простейших RC-фильтров оцифровываются встроенным АЦП. Поскольку и напряжение и ток не всегда могут быть постоянными, оцифрованные значения прогоняются через вычислитель RMS (средне-квадратичное значение). Если один из параметров – напряжение, ток или мощность выйдут за уставку, микроконтроллер на выход 10 выдаст логический 0, который заглушит преобразователь. При этом на экране зафиксируются последние измеренные цифры, а тот параметр, по которому произошло срабатывание защиты, начнет мигать. Выйти из этого состояния можно по нажатию кнопки «Сброс» на плате микроконтроллера. ПО доступно на гитхабе.
Поскольку устройство разрабатывается как приспособление, в единственном экземпляре, оно собрано из подручных деталей на нескольких небольших макетных платах.
За основу устройства взят ещё популярный во времена СССР полевой транзистор. Это транзистор очень чувствительный. И если его не экранировать, очень сильно ловит разного рода наводки. Это его негативное свойство в данной ситуации как раз и пригодилась.
Потому что задача нашего детектора Скрытой Проводки, как раз и состоит в том чтобы ловить разного рода электромагнитные излучения от электрических проводов.
В советское время он применялся не только для поиска электрических силовых кабелей. Ну и для поиска проводов для радио Точек. Которые были популярны в то время.
Ну на сегодняшний день это всё не актуально. И нас интересует только провода электропроводки.
Хотя я думаю что этот пробник на сегодняшний день подойдёт также для поиска проводов витой пары. Которые мы используем для интернета. Но это всё конечно требует испытания и проверки.
И вот наконец реальная и очень простая схема
Схема очень простая имеет минимум деталей и все эти детали когда-то были широко распространённые. Хотя на сегодняшний день — этот транзистор можно и не найти. Всё это из-за того что он имеет позолоченный корпус.
В этой схеме применять можно транзисторы широко распространённые раньше типа КП103, КПЗОЗ . Транзисторы можно применять с любыми буквенным индексом (у последнего вывод корпуса соединяют с выводом затвора).
Детектор скрытой проводки
А теперь поговорим о других деталях которые также присутствуют в этой схеме. Телефон BF1 — высокоомный, сопротивлением 1600…2200 Ом . Что тоже на сегодняшний день является редкость.
Полярность подключения батареи питания GB1 роли не играет. Это связано с тем что на вход приходит сигнал переменного значения. И нам неважно какой полупериод, положительный или отрицательный будет открывать наш транзистор.
При поиске скрытых проводов можно вводить корпусом транзистора прямо по поверхности стены. И расположение провода определяют по максимальной громкости звучания сигнала частотой 50 Гц. Если же конечно мы ищем сетевую электропроводку.
Вместо индикатора можно применять не только звуковой телефон. Но также измерительный прибор (Включены в режиме измерения сопротивления) он изображён пунктирными линиями.
Примечание: при использовании измерительного мультиметра, звуковой телефон, а также источник питания не нужны.
Расположение электропроводов ищет по максимальному отклонению стрелки прибора.
Тестер розеток и УЗО - многофункциональный инструмент, который поможет вам быстро и точно проверить состояние вашей электросети.
Тестер оснащен светодиодной индикацией, которая позволяет определить правильность подключения евро-розеток к электролинии с УЗО. Вы сможете легко определить, есть ли заземление, ноль (нейтраль) и фаза, а также избежать путаницы между ними.
ЖК-дисплей отображает величину теста УЗО, напряжения в сети и тока утечки, что позволяет быстро и точно определить состояние вашей электросети. Ссылка на такой тестер
6-портовый быстросъёмный линейный разветвитель низковольтных проводов, например, для подключения LED мини лампочек или лент. Стоит такой 137 руб.Ссылка на него.
3х портовый разветвитель проводов. Стоит такой 104 руб. Ссылка на него
Клемма Т-образная для разводки высоковольтных проводов. Стоит 2 штуки 269 руб. Ссылка на них
Клемма Т-образная для разводки 1 провода. Стоит 2 штуки 269 руб. Ссылка на неё
Автомобильные разъемы мама-папа влагозащитные с защёлкой в ассортименте. С кусками проводов. Стоят 2 шт. от 58 руб. Ссылка на них
Комплекты разъёмов JST XH2.54 в ассортименте с проводами. Стоят от 61 руб.ссылка на них
Адаптер питания DC 5.5x2.1 мм для подключения электропроводов от светодиодной ленты или камеры наблюдения. Стоит комплект мама-папа 70 руб. Ссылка на них
Разъемы JST SM «папа-мама» с проводами. Стоит 10 пар одного вида на выбор от 104 руб. Ссылка на них
Автомобильные разъемы 2,8 мм 2/3/4/6/9 пин на выбор с кусками проводов. Стоит штука от 58 руб. Ссылка на них
Разъёмы 12В DC с кусками проводов. Стоит штука на выбор от 47 руб. Ссылка на них
JST разъемы с проводами 150 мм. Стоит 10 пар 159 руб. Ссылка на комплект
Разъёмы USB-C с проводами для самоделок. Стоит штука 115 руб. ссылка на них
Клеммы для подключения проводов со штекерами типа банан. Стоит штука на выбор 107 руб. ссылка на них.
Водонепроницаемые IP68 соединители 2 3 4 5 6 7 8-контактные на выбор с кусками проводов. Стоят 2 шт. от 200 руб. ссылка на них
Клеммы подпружиненные для аудиосистем. Стоит 2 штуки 133 руб. Ссылка на них
Самоблокирующиеся клеммы для проводов. Стоит 3х пиновый 10 штук 85 руб. Ссылка на них
Клеммы для сращивания PCT с зажимами в боксе. Стоит 54 штуки микс 2 000 руб. Ссылка на набор
Клеммы для самостоятельного обжима. Стоит набор из 280 штук около 920 руб. Ссылка на них
Различные разъёмы на выбор. Стоит 5 пар от 189 руб. Ссылка на них
Разъёмы SMA папа-мама RG316 RG174 на выбор. Стоят по 109 руб. Ссылка на них
Клеммы-зажимы типа крокодил 'сделай сам'. Стоит пара 118 руб.Ссылка на них
2-контактный винтовой клеммный разъем KF301-2P. Стоит 10 штук 77 руб.Ссылка на них
Терминалы для высоковольтных проводов до 800V. Стоит 10 штук 829 руб.Ссылка на них
Разъемы 14AWG с проводами 10 см. Стоит комплект мама-папа 189 руб. Ссылка на них
Магнитные разъёмы в ассортименте. Стоят от 700 руб.Ссылка на них