VomBut
Raspberry выпустила Pi Pico стоимостью 4$
Raspberry выпустила свой первый микроконтроллер, с процессором собственной разработки RP2040.
Raspberry Pi Pico не поддерживает установку полноценных операционных систем. Но может выполнять скрипты на MicroPython и C/C++. К минусам платы можно отнести отсутствие Wi-Fi и Bluetooth.
Характеристики Raspberry Pi Pico
Размер 51×21 мм.
Микроконтроллер RP2040 в который входят два ядра Cortex-M0+ с частотой до 133 МГц.
264 КБ SRAM-памяти.
2 МБ флеш-памяти QSPI.
26 GPIO-контактов (всего плата поддерживает 30).
2 × UART, 2 × SPI-контроллер, 2 × I2C-контроллер, 16 × PWM-канал.
Контроллер USB 1.1 и PHY.
8 × PIO.
12-битный датчик температуры (от –20 до +85 °C).
Входящее напряжение 1.8–5.5V DC.
SWD-порт (трёхконтактный).
Часы реального времени и аппаратный таймер.
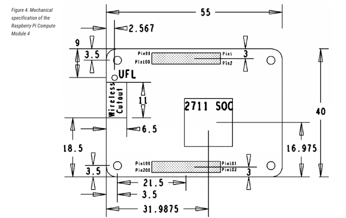
Вышел Raspberry pi Compute Module 4
Compute Module 4 не сохранил совместимость с предыдущими вычислительными модулями. Если предыдущие модули использовали механический стандарт DDR2 SODIMM, то теперь сигналы ввода-вывода передаются на два перпендикулярных разъема высокой плотности (один для силовых и низкоскоростных интерфейсов, а другой для высокоскоростных интерфейсов)
Характеристики:
Broadcom BCM2711, четырехъядерный процессор Cortex-A72 (ARM v8), 64-разрядная SoC @ 1,5 ГГц
H.265 (HEVC) (декодирование до 4Kp60), H.264 (декодирование до 1080p60, кодирование 1080p30)
Графика OpenGL ES 3.0
Варианты для 1 ГБ, 2 ГБ, 4 ГБ или 8 ГБ LPDDR4-3200 SDRAM (в зависимости от варианта)
Варианты для флэш-памяти eMMC 0 ГБ («Lite»), 8 ГБ, 16 ГБ или 32 ГБ (в зависимости от варианта)
Вариант полностью сертифицированного радиомодуля:
2,4 ГГц, 5,0 ГГц IEEE 802.11 b / g / n / ac беспроводной;
Bluetooth 5.0, BLE;
Встроенный электронный переключатель для выбора внешней антенны или трассирующей антенны на печатной плате
Уже сейчас известна цена на все комплектации платы.
Доступна новая IO плата расширения.
Для улучшения сигнала wifi к CM4 можно подсоединить антенну.
Уже сейчас можно изучить спецификацию.
По заверениям разработчиков вычислительный модуль Raspberry Pi 4 останется впроизводстве до января 2028 года.
8 Гб Raspberry Pi 4 уже в продаже за 75 долларов
Компания-разработчик одноплатного компьютера Raspberry Pi 4 сообщила, что теперь он будет поставляться в конфигурациях с объемом оперативной памяти до 8 ГБ в дополнение к моделям с 2 и 4 ГБ. «Топовая» версия Raspberry Pi 4 обойдется в $75. Новая модификация компьютера, ориентированного на энтузиастов и поклонников DIY, стала самой дорогой в линейке.
Если вы опытный пользователь, намереваясь скомпилировать и связать большие куски программного обеспечения или запустить тяжелые серверные нагрузки, или вы просто хотите иметь возможность открывать еще больше вкладок браузера одновременно, это определенно Raspberry Pi для вас.
Что еще изменилось?
Чтобы подать немного более высокие пиковые токи, необходимые для нового пакета памяти, Джеймс переставил компоненты блока питания на плате, убрав импульсный источник питания с правой стороны платы рядом с разъемами USB 2.0 и добавив Новый переключатель рядом с разъемом питания USB-C.
Что насчет поддержки 64-битных ОС?
Образ операционной системы Rasbian по умолчанию использует 32-разрядное ядро LPAE и 32-разрядное пользовательское пространство. Это позволяет нескольким процессам совместно использовать все 8 ГБ памяти при условии, что ни один процесс не может использовать более 3 ГБ. Для большинства пользователей это не является серьезным ограничением, тем более что каждая вкладка в Chromium имеет свой собственный процесс. Преимущество использования 32-разрядного пользовательского пространства заключается в том, что один и то же образ будет работать на каждой плате, от альфа-платы 2011 года до сегодняшнего нового продукта объемом 8 ГБ.
Но опытные пользователи, которые хотят иметь возможность отображать все 8 ГБ в адресное пространство одного процесса, нуждаются в 64-битном пользовательском пространстве. Существует множество вариантов, в том числе Ubuntu и Gentoo .
Вчера была выпущена ранняя бета-версия собственного 64-битного образа операционной системы. Он содержит тот же набор приложений и ту же среду рабочего стола, которую вы найдете в нашем обычном 32-битном образе, но построенный на порте Debian arm64.
И наши 32-битные, и 64-битные образы операционной системы получили новое имя: Raspberry Pi OS.
Обновление Raspberry Pi Desktop для всех образов операционной системы также вышло вчера, и об этом сегодня будет пост на официальном сайте сообщества.
Магия:)
Пикабу, как информационное оружие
Паранойя
Три поста на различную тематику. Но во всех трех постах в конце предложений троеточие. Все три написаны через час после регистрации автора и с промежутком, опять-таки, в час между собой (примерно). У каждого стоят теги моё и текст. "Ушла от мужа в никуда" и "Полтергейст" очень похожи на фейки. Все три рассчитаны на пикабу: клик помощи (сила пикабу), прикольная история из жизни, и горячо любимые авторские рассказы.И написаны они так, что бы попасть в утреннюю ленту. В 4 часа утра я могу ошибаться, сорри. *Призыв лиги детективов*
Телефон багает ссылка на посты в коментарии.


























