22

Прошу помощи!

Господа, помогите развеять сомнения! Имеется блок питания, 48 В 20А. После трансформатора и выпрямительного диода установлен дроссель. Так вот этот дроссель со временем самоуничтожился

Дроссель выполнен из 24-х витков, 4 проволоки параллельно 1,25 мм2 каждая, то есть в сумме получается 5 мм2. Не долго думая, для эксперимента я намотал 24 витка проводом 6 мм2.

Всё работает. Вопрос, можно ли оставить как есть, либо взять лакированную проволоку сечение 2,5 мм2 и так же в 4 линии параллельно намотать что бы не грелось. Заранее спасибо!!!

Правила сообщества

Посты с процессом ремонта создавайте в родительском сообществе pikabu.ru/community/remont.


В этом сообществе, можно выкладывать посты с просьбами о помощи в ремонте электро-техники. Цифровой, бытовой и т.п., а про ремонт картин, квартир, ванн и унитазов, писать в других сообществах :)

Требования к оформлению постов:

1. Максимально полное наименование устройства.

2. Какие условия привели к поломке, если таковые известны.

3. Что уже делали с устройством.

4. Какое имеется оборудование.

5. Ну и соответственно, уровень знаний.

1
Автор поста оценил этот комментарий
Иллюстрация к комментарию
раскрыть ветку (1)
1
Автор поста оценил этот комментарий
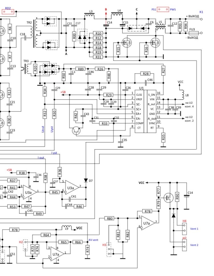
Сдвоенного диода перед L3 по факту в схеме нет
10
Автор поста оценил этот комментарий

Наличие двух диодов после трансформатора подсказывает, что это однотактная схема, следовательно данный дроссель накопительный, и раз дроссель самоуничтожился, следовательно можно предположить, что накопил он слишком много. Проверьте на обрыв замыкающий диод: http://schmidt-walter-schaltnetzteile.de/smps_e/hdw_hilfe_e.... - в этой схеме обозначен, как D3 


ЗЫ

А ещё на третьей картинке самоуничтожился (отвалился) резистор, см. вложение.

Иллюстрация к комментарию
раскрыть ветку (1)
1
Автор поста оценил этот комментарий
Иллюстрация к комментарию
показать ответы
10
Автор поста оценил этот комментарий

Наличие двух диодов после трансформатора подсказывает, что это однотактная схема, следовательно данный дроссель накопительный, и раз дроссель самоуничтожился, следовательно можно предположить, что накопил он слишком много. Проверьте на обрыв замыкающий диод: http://schmidt-walter-schaltnetzteile.de/smps_e/hdw_hilfe_e.... - в этой схеме обозначен, как D3 


ЗЫ

А ещё на третьей картинке самоуничтожился (отвалился) резистор, см. вложение.

Иллюстрация к комментарию
раскрыть ветку (1)
1
Автор поста оценил этот комментарий
Таких блоков питания 2, содержат в буферном режиме аккумуляторные батарее, соответственно ток не более одного ампера. За го аналогичная ситуация, дроссель перегрелся отпаялся и ушёл в обрыв. Диод проверил, работает
показать ответы
0
Автор поста оценил этот комментарий

ни в коем случае не ферритовый!! тут уже 5 человек сказали что дросселя мотаются на распылёнке! а ферритовый, тем более с 36 витками сразу улетит в насыщение. есть конечно "способ" поставить ферритовый, но по размеру это нужно брать либо в 2-3 раза крупней или 2-3штуки сразу, и делать в них зазоры(ломать).

индуктивность должна выйти в пределах ДЕСЯТКОВ микрогенри, а не тысяч.

раскрыть ветку (1)
0
Автор поста оценил этот комментарий
Закажу материал 52 и при следующем ТО заменю
0
Автор поста оценил этот комментарий

ни в коем случае не ферритовый!! тут уже 5 человек сказали что дросселя мотаются на распылёнке! а ферритовый, тем более с 36 витками сразу улетит в насыщение. есть конечно "способ" поставить ферритовый, но по размеру это нужно брать либо в 2-3 раза крупней или 2-3штуки сразу, и делать в них зазоры(ломать).

индуктивность должна выйти в пределах ДЕСЯТКОВ микрогенри, а не тысяч.

раскрыть ветку (1)
0
Автор поста оценил этот комментарий
Нужно было срочно решать что то, ибо батарея стояла без подзаряда. Я не могу с уверенностью сказать был ли это феррит или нет. Но, при меньшем количестве витков был страшный писк и размашистые пульсации на выходе, а при такой конфигурации и писка нет и пульсаций практически отсутствуют
1
Автор поста оценил этот комментарий

сечение провода было приемлемо, при 20а получается около 4А/мм2. а вот сам материал дросселя, или его индуктивность в целом, видимо проектировщиком были выбраны неверно - получились большие пульсации перемагничивания и слишком большой нагрев бублика. если он грелся до обугливания лака, значит там было явно выше 120градусов, и значит теперь материал сердечника "спёкся" и перематывай сколько угодно, свою функцию выполнять больше не сможет. если не заменишь сам сердечник, то следующими на очереди в помойку будут выходные конденсаторы и питаемая аппаратура.

замерь размеры кольца и подбери сердечник получше - например из материала -52.

ferrite.ru/products/pulverizated/p_toroids/

ferrite.ru/warehouse/serdechniki-i-aksessuary-ru/iz-r...

раскрыть ветку (1)
0
Автор поста оценил этот комментарий
В общем, материала 52 у меня не было. Нашёл ферритовый сердечник такого же размера. Методом подбора наматывал витки вышло 36 витков (против 24 в оригинале) индуктивность нового дросселя составила 7 мГн. Старый сердечник действительно спекся намотал на него провод индуктивность 0. На максимальном токе греется максимум градусов до 40
показать ответы
7
Автор поста оценил этот комментарий

Так оставлять нельзя. Во первых дроссель высокочастотный, и из за скин эффекта нагрев при использовании нескольких проводов должен быть меньше. Во вторых он при работе похоже неплохо нагревается. Обычная ПВХ изоляция при нормальных для этого дросселя температурах может "поплыть". Эмаль гораздо более термостойкая.

раскрыть ветку (1)
0
Автор поста оценил этот комментарий
Думаю вы правы, возьму несколько обмоточных проволок сечением побольше и намотаю
1
Автор поста оценил этот комментарий

В таком случае можно не переживать...

раскрыть ветку (1)
0
Автор поста оценил этот комментарий
Как вы считаете, если я увеличу сечение в полтора раза это устранит нагрев?
показать ответы
2
Автор поста оценил этот комментарий

Если сечение совпадает, то норм.

Но, если старый дроссель так обуглился, я бы процентов на 30 минимум сечение увеличил.

Только по фото желтый провод как то на 6мм2 не очень тянет

раскрыть ветку (1)
0
Автор поста оценил этот комментарий
Честно говоря не мерил, подписан как 6. Поищу какой нить посерьёзней. Спасибо!
показать ответы