После таких постов с фото невольно ждёшь следующего на тему: " Поставил тяжёлое что-то на крышку ноутбука и теперь нет ****(вместо "*" любая проблема)" )))
раскрыть ветку (1)
Жена как-то закрыла бук 17" когда там что-то лежало. Но матрицу без проблем сам нашёл и поменял. Что-то простое сам могу делать, но скила в диагностике пока нет
раскрыть ветку (1)
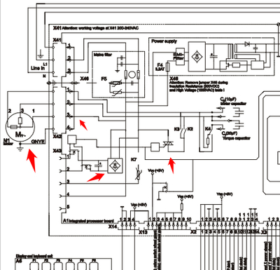
Пробовали менять BTA24 800BW, он был разорван, после включения опять задымился. Он прикручен к большому черному радиатору
показать ответы




Сообщество Ремонтёров - Помощь
11.3K постов14.7K подписчиков
Правила сообщества
Посты с процессом ремонта создавайте в родительском сообществе pikabu.ru/community/remont.
В этом сообществе, можно выкладывать посты с просьбами о помощи в ремонте электро-техники. Цифровой, бытовой и т.п., а про ремонт картин, квартир, ванн и унитазов, писать в других сообществах :)
Требования к оформлению постов:
1. Максимально полное наименование устройства.
2. Какие условия привели к поломке, если таковые известны.
3. Что уже делали с устройством.
4. Какое имеется оборудование.
5. Ну и соответственно, уровень знаний.