Студийные микрофоны своими руками
Здравствуйте,
Некоторое время делаю студийные микрофоны по схеме RODE NT1-A, хотел бы с вами поделиться тем что получается.
Сначала заказываем микрофоны, от них мы возьмем корпус, и капсюли, я беру капсюли с мембранами с двух сторон что бы получить дальше режимы работы Омни Кардиоиду и Восьмерку, это превращает наш будущий микрофон из NT1-A практически в NT2-A.
На JLCPCB денег нет по этому делаю платы сам, я их делаю на чпу станке потому, что он у меня есть.
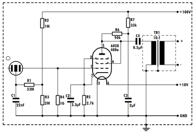
Распаиваем все детали по схеме и крепим все в корпус.
Микрофон получается на 2х платах, одна плата это Усилитель, вторая - полляризация +60V на переднюю мембрану -60 на заднюю для получения восьмерки, что бы получить круг надо замкнуть обе мембраны на +60.
Капсюли я заказывал у разных продавцов, по этому и Звук у них немного разный.
От первого АЧХ
https://drive.google.com/file/d/19JXAPpaIVDPkc17S87m5Uh7zn5U...
https://drive.google.com/file/d/1ildn9HMD2tfnJRstxNTfuNgZkKb...
Первое песнопение было ужасно, решил перезаписать)
Самодельный микрофон Rode
Дорогой ламповый микрофон Se Electronic Z5600II
https://drive.google.com/file/d/1hNFPOsQlxeZyV0oBZU9eMDdUaOs...
Петь не умею так что простите.
Следующий буду делать по схеме Neumann U87, если кому то интересно - обязательно здесь напишу, вот кстати заготовочка.































Рукодельники
61.6K поста60.7K подписчика
Правила сообщества
В сообществе запрещена торговля, обсуждение цен, ссылки на страницы с продажами, контакты автора в комментариях. Обязательна информация о материалах и инструментах в текстовом виде.
0. Соблюдайте основные правила Пикабу.
1. Будьте вежливы, старайтесь писать грамотно.
2. В публикациях используйте четкие и красивые фотографии.
3. Автор поста с тегом [моё] может оставить ссылку на свой профиль, группу или канал на других источниках, при условии, что ссылки (активные и не активные) не ведут на прямые продажи. Допускается не больше четырёх ссылок и только в конце поста (п. 8.5 основных правил).
Запрещены:
-ссылки рекламного характера/спам;
-ссылки, ведущие на магазины с указанием стоимости товара/услуги;
-ссылки, ведущие на призывы, покупки, продажи, подписки, репосты, голосование и тому подобное.
(нарушение основных правил сайта, п.8.1 и п. 8.2).
При переходе по ссылке запрещено наличие активных (кликабельных) ссылок, ведущих на вышеперечисленное в п.3, содержание таких ключевых слов как «товар», «услуга», «купить», «продам», «в наличии», «под заказ» и т.п.
3.1 Размещение контактов автора (самим автором или другими пользователями) в комментариях запрещено и подлежит удалению (п. 9.1 и 9.3 основных правил).
4. Обязательным для авторов является наличие технических характеристик изделия в публикациях (материалы, техники, авторские приемы, размеры, времязатраты и прочее) в текстовом виде.
Также помечайте свою работу тегом «Рукоделие с процессом» или «Рукоделие без процесса».
5. Пост-видео, пост-фото без текстового описания переносится в общую ленту. Даже если в видео показан подробный процесс изготовления, делайте краткое описание для тех, у кого нет возможности/желания смотреть видео.
Администрация оставляет за собой право решать, насколько описание соответствует п. 5.
6. Посты с нарушениями без предупреждения переносятся в общую ленту.
За неоднократные нарушения автор получает бан.
Автор может размещать новую публикацию в сообществе, не допуская полученных ранее замечаний.