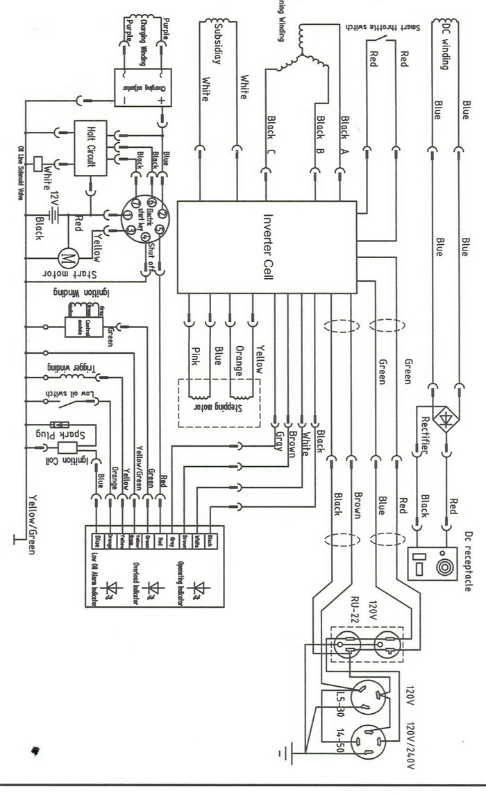
Бензогенератор инверторный
Здравствуйте! Лига, прошу Вашей помощи. После пуска постоянно моргает сигнал перегрузки, электроприборы не включали. Как я понимаю AVR блокирует выход 220в при перегрузке. При открытии дросселя вручную лампа не тухнет. Была заменена плата AVR, старую кто-то пытался вскрыть. Прилагаю фото, видео, документация на диске https://yadi.sk/i/b5JbJFMBbBKZVA . Заранее благодарю!
Показать полностью
4
АБЗ Lintec
Может кому пригодятся, однолинейные схемы АБЗ Lintec https://yadi.sk/i/-CUwqLzS-D7rEg








