Бензогенератор инверторный
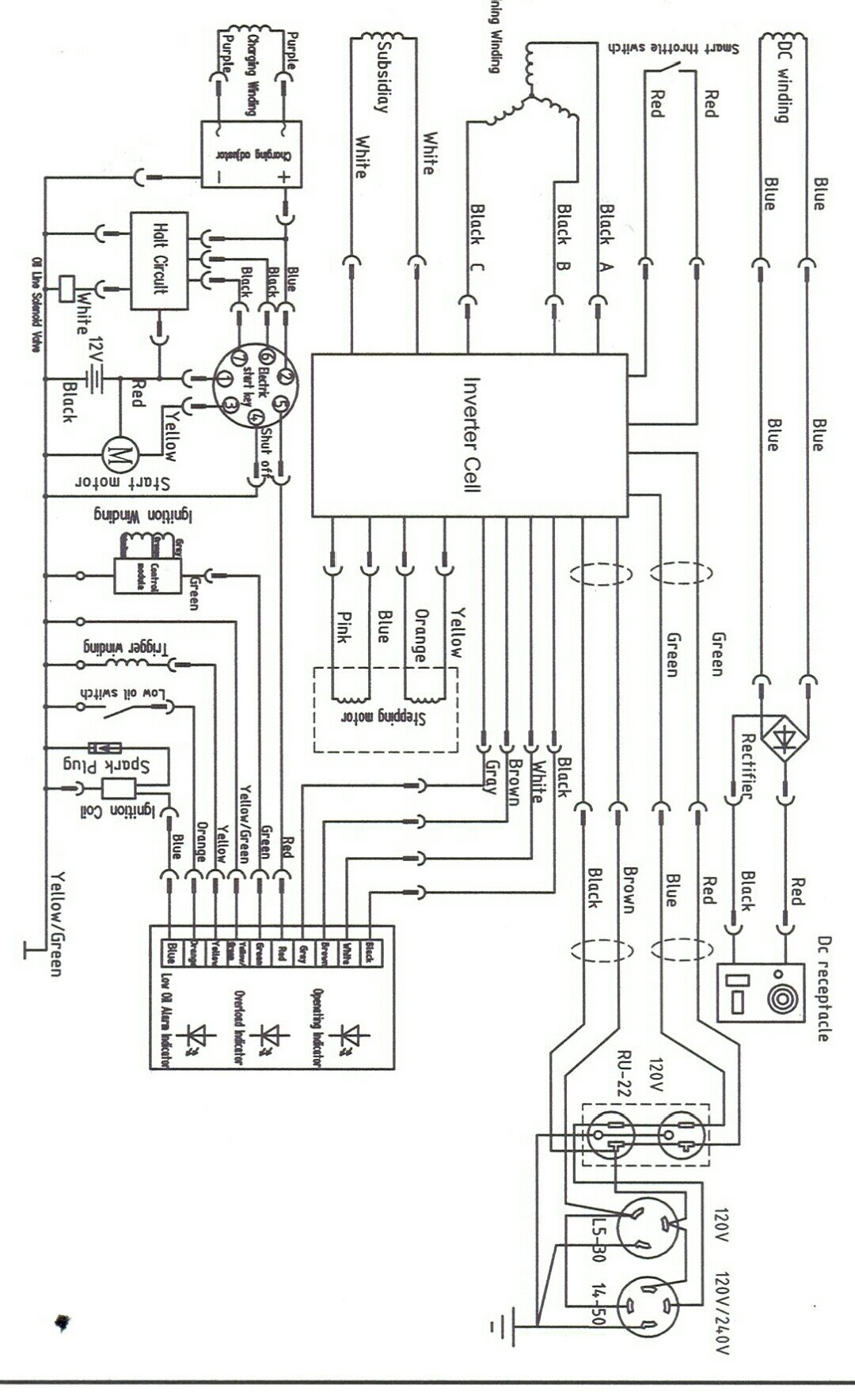
Здравствуйте! Лига, прошу Вашей помощи. После пуска постоянно моргает сигнал перегрузки, электроприборы не включали. Как я понимаю AVR блокирует выход 220в при перегрузке. При открытии дросселя вручную лампа не тухнет. Была заменена плата AVR, старую кто-то пытался вскрыть. Прилагаю фото, видео, документация на диске https://yadi.sk/i/b5JbJFMBbBKZVA . Заранее благодарю!




Лига электриков
5.7K пост25.9K подписчиков
Правила сообщества
Запрещён оффтоп, нарушение основных правил пикабу