Он ведь сказал что не разбирается, а так, как поговорке "Обезьянка видит – обезьянка делает"
Ничуть не умаляю автора и никакого отрицательного контекста в этом комментарии ))
Лучше один раз увидеть, чем сто раз услышать.
Это для дома, у меня стоят колонки вега 50АС-104 и отец подогнал усилитель, вот пытаюсь его сделать)
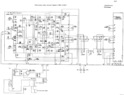
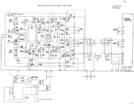
Неправильно спаяно, двуполярное питание, на трансе должны 2-3 ножки соединены быть, это средняя точка, крайние идут на диодный мост
может я не правильно на диодный мост припаял ? Их нужно в разные ? там 2+2 не соединены.
в том то и дело, что поблизости нет никого, кто мог бы отремонтировать( А палить не охота, поэтому обратился к вам, знатокам )
я не разбираюсь. Мне сказали, что провода нужно припаять правильно, а куда что понятия не имею (
что ты там паял не разбираясь? у тебя на транс 2 провода 220 входит( катушка с большим числом витков) и выходят 2 провода 30в( например. мало витков больше сечение) переменки. дальше эта переменка подается на диодный мост. гугли что это такое. и на выходе с моста у тебя 30 в постоянки которые и питают усилитель. изи
изи, когда не понимаю вообще о чем речь кроме вольтов )
Я имею ввиду, можно ли подсказать какие провода не правильно припаяны.





