ABS BOSCH 9.1 неисправность
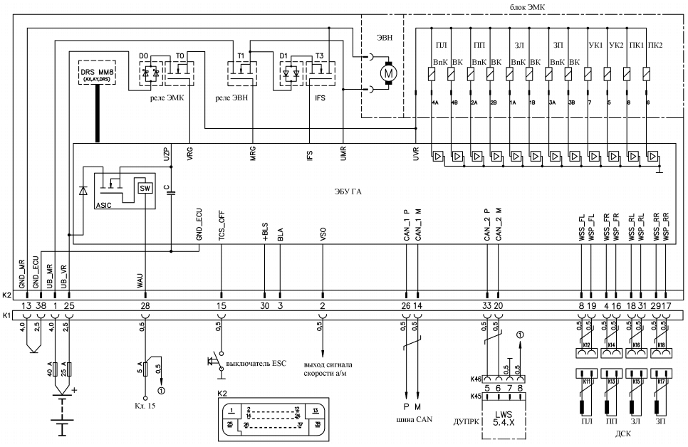
Ребятки, выручайте. У кого есть на руках такой блок вскрытый?. Нет "земли" на 38 контакте, F26 на месте, подключаю на столе, постоянная ошибка С1205 после сброса. Может кто прозвонить на плате до какого элемента 38 пин должен долетать? Такое ощущение, что была плохая "масса" и через несиловой контакт решила пройти силовая "земля" (если по-простому).
Предполагаю, что к 8ногому мосфету/сборке (asic? в обозначениях lada (на втором фото внизу справа) Как я понял, проблема в "электронном реле ЭКБ", чтобы это ни значило. ;) Типовая схема для подключения на столе +12В - 25,28, GND -38, CAN -14,26 - не работает, но достаточно соединить 13 и 38 пины, всё начинает выходить на связь. Как-то так. Либо какой-то мосфетик или диодик мне голову делает, либо где-то дорожка отгорела в межслое.



Автодиагностика
26 постов155 подписчиков