Вопрос по arduino и c++
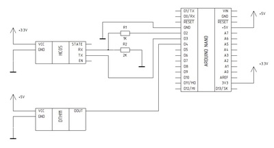
Здравствуйте, всем шарящим и не очень. Я делаю проект для учёбы и мне нужен хороший проект. Почти всё готово, но осталась одна деталь : код на c++ под ардуинку (вернее его малая часть). Нужно, чтобы ардуинка снимала показания с датчика dht11 (влажность, температура воздуха) и передавала их по bluetooth на телефон. Приложение с этой и другими функциями я уже замутил в app inventor 2, а в с++ не силён (согласно возрасту и опыту). Спасибо всем за ответы, и буду очень рад, если кто - то захочет написать за меня код. Так же буду рад другим советам.
Надеюсь, сила Пикабу поможет.
З.Ы. всем добра и коммент для минусов внизу.






Arduino & Pi
1.5K поста20.8K подписчика
Правила сообщества
В нашем сообществе запрещается:
• Добавлять посты не относящиеся к тематике сообщества, либо не несущие какой-либо полезной нагрузки (флуд)
• Задавать очевидные вопросы в виде постов, не воспользовавшись перед этим поиском
• Выкладывать код прямо в посте - используйте для этого сервисы ideone.com, gist.github.com или схожие ресурсы (pastebin запрещен)
• Рассуждать на темы политики
• Нарушать установленные правила Пикабу