Ремонт телевизора КВН-49
Всем привет! Увлекаюсь ремонтом и реставрацией старой техники самого различного рода, вот впервые решил оформить пост на эту тему. Вроде бы похожих постов по ремонту здесь еще не проскакивало)
Сегодня на ремонте культовый, можно сказать, телевизор, мечта простых советских граждан в 50-60-е годы, КВН-49. На самом деле, это больше обзор, чем ремонт, поскольку на данный момент я его уже отремонтировал. Но, конечно, и о процессе ремонта обязательно расскажу. Осторожно, большой длиннопост.
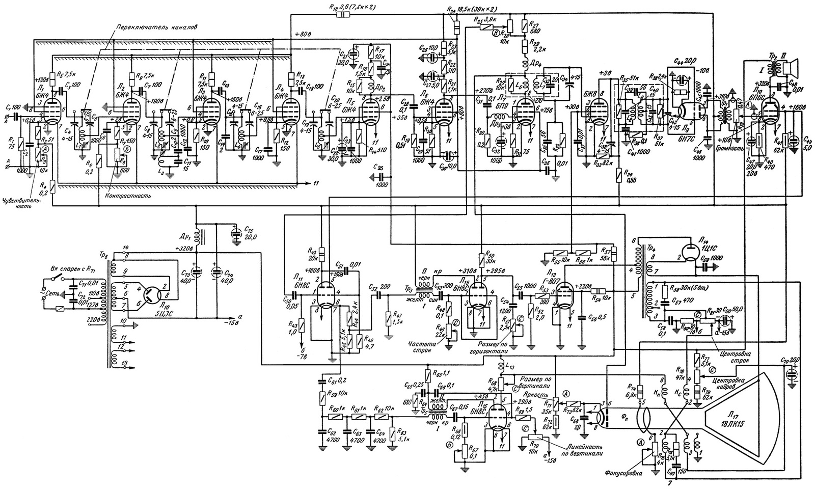
Сначала немного из истории. Хронологически КВН-49 не был первым, до него наша промышленность уже выпускала несколько моделей телевизоров. Однако, большим спросом они не пользовались: очень дорогие, ненадежные (срок службы около полугода), в основном поставлялись в учреждения культуры. Всего с 1938 года до появления КВН-49 было выпущено около 11 тысяч телевизоров разных моделей. Для сравнения, КВН-49, освоенный в производстве, как можно видеть из названия, в 1949 году, был выпущен в количестве 1.3 млн экземпляров. Таким образом, сейчас бы его назвали первым коммерчески успешным телевизором в СССР. Выпускался он аж до начала 60-х годов. Низкая стоимость, и, как следствие, популярность телевизора была обусловлена максимально упрощенной электрической схемой:
Для сравнения, схема выпускавшегося тоже с 1949 года телевизора Ленинград Т-2:
http://www.radiolamps.ru/prom/t2/shem-gray-1.gif
Многие схемные решения, примененные ради удешевления в КВН-49, были очень необычными, уникальными, не применявшимися ни в предыдущих, ни в последующих моделях. Например, входной усилитель телесигнала построен по схеме прямого усиления. Нет автоподстройки частот строчной и кадровой развертки, их нужно регулировать вручную.
Диагональ экрана у КВН-49, как и у его предшественников, небольшая - всего 7 дюймов. Поэтому вместе с телевизором продавалась специальная линза, наполняемая водой или глицерином, позволявшая увеличить изображение примерно в 1.5 раза:
Спереди у него четыре ручки регулировки: громкость, яркость, контрастность и фокусировка. Последние три параметра в процессе работы "уплывали" по мере прогрева ламп и других деталей, поэтому их регулировку и вынесли вперед.
Каналов здесь предусмотрено всего три, и они переключались рычажком сзади (справа). В Москве в 40-50 вещал только один канал (первый), позднее появился еще один (нынешний ТВЦ). Эти два канала на сегодняшний день и способен принимать этот телевизор:
Также сзади есть переключатель напряжения сети (слева). В СССР параллельно существевало две системы, старая 127В и современная 220В, появившаяся в конце 1930-х. Переход происходил очень медленно, аж до 1980-х. В 1940-е годы 220В в розетке было только в новых домах.
Антенный штекер немного отличается от современного. А в ранних версиях вместо него были просто два винтовых зажима:
Сетевая вилка, типичная для 50-60 годов. Интересной особенностью была возможность соединять несколько вилок "паровозиком":
Снимем заднюю крышку. Конструкция, типичная для того времени: массивное шасси, сверху которого расположены лампы, электролитические конденсаторы и кинескоп, а снизу - навесным монтажом мелкие детали. Ни о каких печатных платах тогда еще не слышали.
Вид снизу. Слева в верхнем углу сетевой трансформатор, рядом с ним дроссель фильтрации выпрямителя, справа вертикальный ряд красных катушек - контуры усилителя телесигнала, снизу видно кусочек динамика:
Шасси без корпуса:
За железным кожухом спрятан блок строчной развертки. Рядом с ним большая лампа - выпрямитель напряжения для питания ламп, так называемый кенотрон. По сути, обычный диод. Алюминиевые "бочонки" по соседству - электролитические конденсаторы. В отличие от современных, они не высыхают, не вздуваются и, как можно видеть, успешно доживают до сегодняшнего времени. Черные "бочонки" - тоже лампы, но с металлическим корпусом.
Блок строчной развертки без кожуха:
В нем генерируется пилообразный сигнал для отклонения луча кинескопа по горизонтали, а также высокое анодное напряжение для кинескопа (5000 В, что конечно, по меркам более новых телевизоров очень мало - у них порядка 20000). Можно видеть строчный трансформатор, высоковольтный диод над ним и генераторную лампу Г-807 сзади. Во время работы она излучает опасное для человека излучение, от которого и спасает железный кожух. Также это излучение, взаимодействуя со стеклом лампы, вызывает в ней загадочное синее свечение (мне не удалось сфотографировать, поэтому фото из интернета):
Кинескоп отдельно. Я не стал его снимать только ради того, чтобы сфотографировать, поскольку каждое снятие - это дополнительный риск разбить его. Поэтому эти картинки тоже из интернета:
Все кинескопы тех времен были круглыми, так как технологической возможности делать прямоугольные тогда не было. Еще одной их особенностью было отсутствие экранирующего покрытия, благодаря чему картинка видна и сзади (это и последующие фото уже мои):
Луч кинескопа отклоняется так называемой отклоняющей системой (ОС), надеваемой на его горловину. ОС представляет из себя три катушки: строчную (отклонение по горизонтали), кадровую (по вертикали) и фокусирующую (направляет весь поток электронов в одну точку). В КВН-49 она очень простая:
И еще одна деталь, использовавшаяся в кинескопах 50-х годов - ионная ловушка. После откачки внутри ЭЛТ неизбежно остаётся часть молекул воздуха. Они ионизируются пучком электронов и постепенно выжигают люминофор в центре экрана, образуя так называемое ионное пятно. Для борьбы с этим ось электронной пушки располагалась под некоторым углом к оси кинескопа, а расположенный снаружи регулируемый магнит обеспечивал поле, поворачивающее поток электронов к оси. Массивные же ионы, двигаясь прямолинейно, попадали в собственно ловушку. В начале 1960-х годов был разработан новый способ защиты люминофора, алюминирование экрана, и необходимость в ионной ловушке отпала. Вот он, этот регулируемый магнит:
Теперь, наконец, непосредственно о ремонте. Внешне сохранился он неплохо, предыдущий хозяин его покрыл лаком, поэтому реставрационных работ над ним я не проводил. Но попытка восстановить работоспособность у бывшего владельца не удалась.
Звук работает на обоих каналах, картинки нет. Иногда лишь появляется вертикальная полоса на экране.
Первое, что я сделал - проверил все детали и соединения по схеме. Когда аппарату 60 лет, не имеет смысла браться сразу искать неисправность, т. к. неисправных деталей может быть много, и целесообразнее проверить их сразу все. Кроме того, часто можно встретить замененные предыдущими мастерами детали, иногда неправильного номинала. Такие детали я тоже заменяю, на "правильные" - нужного номинала и по возможности соответствующие году выпуска. По результатам проверки здесь я заменил несколько "неправильных" резисторов и конденсаторов, два неисправных переменных резистора и исправил обрыв в отклоняющей системе (из-за этого обрыва луч не отклонялся по горизонтали, и картинка превращалась в ту самую вертикальную линию).
Но далее меня ждало разочарование: картинки по-прежнему не было, экран не светился вообще. Поиск проблемы, лазание с осциллографом, мультиметрами по всем точкам растянулся надолго(.
В итоге, я пришел к выводу, что скорее всего неисправен строчный трансформатор. Он звонится мультиметром, сопротивление соответствует прописанному в инструкции по ремонту. Но не исключена возможность межвиткового замыкания. Закинул на профильный форум объявление, и уже через месяц получил по почте совершенно новый строчник от замечательного человека из Санкт-Петербурга).
Поменял, включаю, по прежнему тишина. Дело было вечером, решил погасить свет в комнате, занавесить шторы и проверить, есть ли хоть какое-то свечение на экране (со старым строчником тоже так делал, безрезультатно). И вот - при повороте ручки яркость в максимальное положение я увидел, что экран слабенько, еле-еле светится. Первый результат за долгое время)) Затем, немного отойдя от испытанной радости, решил попробовать покрутить магнитик той самой ионной ловушки - когда ремонтировал ОС, нужно было снять этот магнит. А он должен стоять в определенном положении, чтобы электроны летели, куда надо. Поворачиваю - на мгновение на экране проскакивает картинка. Оставалось только найти положение магнита, при котором картинка занимает правильное место и горит наиболее ярко. Поскольку остальные детали я проверил, теперь осталось только подкрутить ручки настроек и добиться наиболее хорошего изображения (кроме упомянутых выше яркости, контрастности и фокусировки, сбоку есть еще "сервисные" ручки регулировки вертикального и горизонтального размера картинки, положения картинки и частот кадровой и строчной развертки).
Но идеального изображения добиться не удалось, скорее всего из-за неподходящей антенны, здесь нужна большая для метрового диапазона.
Резюмируя вышесказанное, диагноз таков: основными проблемами были строчник с короткозамнкутыми витками и обрыв провода к одной из отклоняющих катушек ОС. Из-за обрыва в ОС луч не отклонялся по горизонтали, и изображение вырождалось в линию. Из-за замыкания строчник выдавал гораздо меньшее анодное напряжение на кинескоп, чем нужно. Но этого напряжения было достаточно, чтобы светилась линия. После ремонта ОС эта линия "растянулась" до полного кадра, и, соответственно, плотность засветки снизилась настолько, что экран светиться вовсе перестал. Замена строчника исправила эту проблему.
После успешного восстановления КВН-49 я сделал переходник, с помощью которого теперь можно подключить его к ноутбуку в качестве внешнего монитора (купленный конвертер HDMI в аналоговый сигнал + делитель) и смотреть старые фильмы
Всем спасибо за внимание, пока!
Специально для


















Сообщество Ремонтёров
8.1K постов44.2K подписчиков
Правила сообщества
ЕСЛИ НЕ ХОТИТЕ, ЧТОБЫ ВАС ЗАМИНУСИЛИ НЕ ПУБЛИКУЙТЕ В ЭТОМ СООБЩЕСТВЕ ПРОСЬБЫ О ПОМОЩИ В РЕМОНТЕ, ДЛЯ ЭТОГО ЕСТЬ ВТОРОЕ СООБЩЕСТВО:
Посты с просьбами о помощи в ремонте создаются в дочернем сообществе:
К публикации допускаются только тематические статьи с тегом "Ремонт техники".
В сообществе строго запрещено и карается баном всего две вещи:
1. Оскорбления.
2. Реклама.
В остальном действуют базовые правила Пикабу.