Купи на авито древнюю/дохлую видюху такого формата, они там стоят три копейки и тупо смародерствуй переходник
раскрыть ветку (1)
Сомневаюсь что кто то скажет. Либо на плату искать описание, либо вызванивать. Ничего сложного там нет.
раскрыть ветку (1)
10-pin VGA вроде как не стандарт, но устоявшийся формат на таких платах.
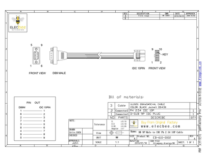
Судя по аналогичным решениям, распиновка такая:
1 - RED
2 - GND
3 - GREEN
4 - GND
5 - BLUE
6 - GND
7 - V-SYNC
8 - GND
9 - H-SYNC
10 - GND
H-SYNC и V-SYNC у разных производителей могут меняться местами, остальные сигналы на своих пинах.
раскрыть ветку (1)



