Диммер для болгарки на симисторе ВТА
Уважаемые радиолюбители! Доброго времени суток!
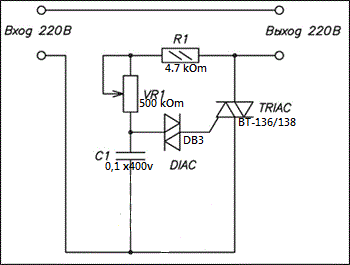
Подскажите по симисторному регулятору болгарки GREAPO 900 Вт: заменил я в нём повреждённый BTA 12 600 В (мне он попал оторванным от платы) на BTA 12 800 В- не регулирует он, не работает плата, на лампе накаливания 220В пробовал. Вопрос:
1) правильно ли определён мной вход напряжения и выход на нагрузку? (обозначен стрелками на плате)
2) правильно ли впаян симистор- расположение контактов?
3) по каким причинам плата не работает? Вращаю ручку сопротивления - не загорается лампочка 220В (в качестве нагрузки).




