Телефон после воды, пролежал не вскрытым около месяца, батарея в ноль, везде где дежурило 3.7 вольта VBAT_SYS окислы.
Куплена новая АКБ.
Очищены окислы, замерены напряжения до нажатия на кнопку включения.
3.7 вольт только на батарее.
Нажимаю на кнопку включения - через 4-6 секунд есть легкая вибрация и включается подсветка.
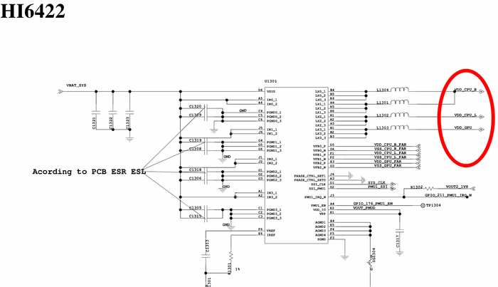
После включения поднимаются напряжения на vdd_cpu_l 0.9 вольт.
Загорается подсветка экрана,есть напряжение до 14.5 В на С1703.
Нет изображения.
На vdd_gpu напряжений нет.
Отпаял катушку, конденсатор и драйвер дисплея L1701, C1722 и U1702.
Телефон включается также, напряжения как и прежде есть там же, подсветка есть, появились звуки "свист" сигнализирующий об уведомлениях андроида после загрузки.
При подключении ЗУ горит светодиод LED2601 и есть звуковой сигнал.
Повышается напряжение на АКБ, идёт заряд.
При этом греется U300 как понимаю это ЦП.
По схеме напряжение vdd_gpu и vdd_cpu_l выходят из контроллера питания U1301
Из ЦП выходит только vdd_gpu_l.
Вопрос в следующем, если я заменю драйвер подсветки U1702(TPS65132), катушку L1702 появиться ли у меня изо?
Или дело в контроллере питания U1301 который не даёт питание на графическую часть ЦП U300?
Почему на схеме стрелки напряжений в разные стороны направлены. Ведь не просто так?
Ради интереса сравнил схему драйвера питания с айфоном 6S plus.
Почти один в один, только добавлены HVLDO1...3