Задача вызвана тем, что
1) блок герконов будет находится в агрессивной среде, внутри заземленного железного ящика, на расстоянии (1-5 метров) от микроконтроллера.
2) возможно в будущем количество герконов будет увеличено (или уменьшено).
3) некоторая "защита от дурака" - 2 провода можно включать "в любой полярности".
Опрос будет не постоянный. Микроконтроллер будет просыпаться раз в N*v минут.
дядя, ты какой-то очень странный. с точки зрения электронщиков - насрать где герконы стоят, хоть в выгребной яме, хоть в атомном реакторе. вопрос в том, что эти герконы делают и в чём смысл схемы. они управляют или они как датчики. что в этом смысле необходимо получить в качестве сигнала на АЦП. вроде 100 раз спросили, но по ходу тебе не помощь нужна, а потрендеть
вопрос в том, что эти герконы делают и в чём смысл схемы. они управляют или они как датчики.
Мне даже интересно стало.
Покажи, дядя-электронщик, пожалуйста схему, в которой герконы, в зависимости от поданного на них напряжения чем-то управляют?
Если мы не хотим сделать красиво (т.е. чтобы при срабатывании геркона перещелкивался один из старших разрядов) - то да, решается перестройкой делителя.
я тут подумал - микроконтроллером будет ESP8266 (с датчиком на 5 или 6 герконов) и ESP32-C3 mini (с датчиком на 4 или 5 герконов).
вот под их АЦП нужно прикинуть набор резисторов.
ADC у ESP настраивается на диапазон работы переключением внутреннего делителя. Я ж не знаю какой у тебя диапазон. Тем более, судя по 8 бит - у тебя не ESP. В чем сложность просто сказать: на АЦП должно приходить не более ХХ вольт?
потому что у меня еще нет окончательного решения какой АЦП. :) я до той части схемы еще не дошел. :)
"8 бит" сказал, потому что, да собственно похрен сколько бит,
тут всего 10 фиксированных уровней напряжения нужно различать. значимых 4 разряда. хватило бы 4 битного.
любой современный микроконтроллер подойдет. ESP32-C3 mini в приоритете, из-за габаритов модуля.
на АЦП должно приходить не более ХХ вольт?
это не решается разве изменением одного R1 (или всего делителя R1/R2) ?
у ESP любой GPIO вход рассчитан на (Vdd + 0.3V )
у ADC в дипазоне выше 2.5В погрешность растет. с +-10мВ до +-35мВ.
https://documentation.espressif.com/esp32-c3_datasheet_en.pd...
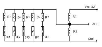
У меня в схеме делитель чтоб нога не болталась в воздухе, а при обрыве длинного провода к датчику у датчика, на нем не наводилась статика и помеха.
по хорошему конечно нужно бы и диодами защитить. и к герконам еще постоянный резистор воткнуть, определять обрыв/наличие датчика.
Спасибо за очевидное уточнение.
В этой точке, само собой, есть соединение, так же как разумеется и у R7 R6 R5 R4.




Лига Радиолюбителей
1.4K постов10K подписчиков
Правила сообщества
Соблюдайте правила Пикабу. Посты выкладывать лишь касаемо нашей тематики. Приветствуется грамотное изложение. Старайтесь не использовать мат.
Постарайтесь не быть снобами в отношении новичков. Все мы когда-то ничего не знали и ничего не умели.
За попытку приплести политику или религию - предупреждение. 2 предупреждения - бан.