5

Подобрать резисторы

Подобрать резисторы

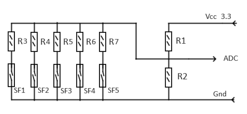
Помогите с решением, нужно подобрать резисторы в такую схему.

Герконы SF1..SF5 могут замыкаться по одному или попарно (SF1+SF2, SF2+SF3, SF3+SF4, SF4+SF5), но не могут в других комбинациях (больше 2 и через одного)

ADC 8 бит.

Лига Радиолюбителей

1.4K постов10K подписчиков

Правила сообщества

Соблюдайте правила Пикабу. Посты выкладывать лишь касаемо нашей тематики. Приветствуется грамотное изложение. Старайтесь не использовать мат.

Постарайтесь не быть снобами в отношении новичков. Все мы когда-то ничего не знали и ничего не умели.

За попытку приплести политику или религию - предупреждение. 2 предупреждения - бан.

Темы

Политика

Теги

Популярные авторы

Сообщества

18+

Теги

Популярные авторы

Сообщества

Игры

Теги

Популярные авторы

Сообщества

Юмор

Теги

Популярные авторы

Сообщества

Отношения

Теги

Популярные авторы

Сообщества

Здоровье

Теги

Популярные авторы

Сообщества

Путешествия

Теги

Популярные авторы

Сообщества

Спорт

Теги

Популярные авторы

Сообщества

Хобби

Теги

Популярные авторы

Сообщества

Сервис

Теги

Популярные авторы

Сообщества

Природа

Теги

Популярные авторы

Сообщества

Бизнес

Теги

Популярные авторы

Сообщества

Транспорт

Теги

Популярные авторы

Сообщества

Общение

Теги

Популярные авторы

Сообщества

Юриспруденция

Теги

Популярные авторы

Сообщества

Наука

Теги

Популярные авторы

Сообщества

IT

Теги

Популярные авторы

Сообщества

Животные

Теги

Популярные авторы

Сообщества

Кино и сериалы

Теги

Популярные авторы

Сообщества

Экономика

Теги

Популярные авторы

Сообщества

Кулинария

Теги

Популярные авторы

Сообщества

История

Теги

Популярные авторы

Сообщества