Нужна помощь в автоматизации
Привет! Прошу помощи специалистов в атоматизации процесса описанного ниже. Немного вводных:
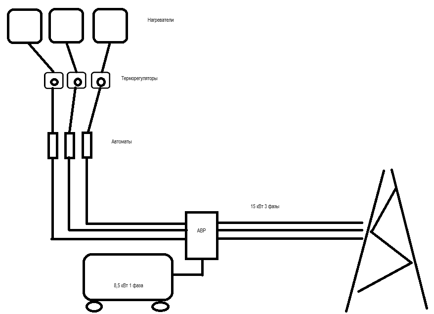
Живу в частном доме, где отопление сделано полностью электрическими конвекторами. Дома подключено 15 квт и есть генератор с авр на 8,5 квт. Поскольку все конвекторы управляются терморегуляторами, то шанс, что они все работают действительно одновременно, низкий. Но в лютые морозы такое все же происходит. Тем не менее, 15 квт хватает на все. Однако в жуткие морозы, видимо весь ближайший частный сектор включает отопительные приботы и электричество в районе отрубается. Тогда у меня заводится генератор и в основном я счастлив, но в жуткие морозы 8,5 квт не достаточно, чтобы потянуть все отопление в доме и генератор автоматически глохнет. Тогда я остаюсь вообще без электричества и мне приходится ходить и вручную отключать лишние обогреватели, чтобы остались только те, что в спальнях. Вот это я и хотел автоматизировать. В генераторной есть розетки только от сети, только от генератора, и общая линия.
Есть идея заменить автоматы на умные с туей например, а в генераторной включить какое-то устройство в розетку от только сети. Когда есть электричество - оно работает, когда нет электричества - оно выключается и это становится триггером для выполнения сценария на отключение умного автомата. И соответственно, когда электричество появляется - включается устройство и выполняется сченарий включить автоматы. Возможно также включить это устройство в розетку только от генератора и тогда все наоборот - выключать автомат, когда устройство выключено.
Может кто-нибудь посоветовать, как лучше и какое железо покупать?
Вот накидал схемку в пэинте

Умный дом
236 постов2.5K подписчиков