2

Нужна помощь в автоматизации

Привет! Прошу помощи специалистов в атоматизации процесса описанного ниже. Немного вводных:

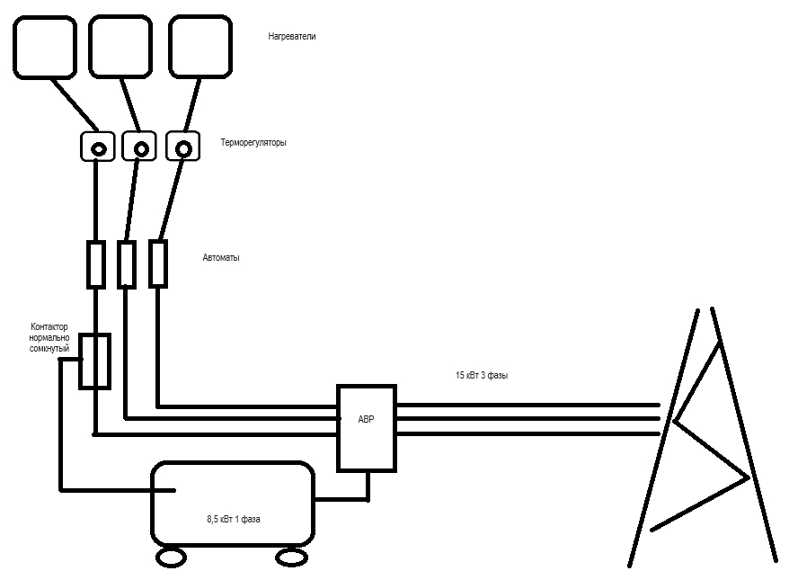
Живу в частном доме, где отопление сделано полностью электрическими конвекторами. Дома подключено 15 квт и есть генератор с авр на 8,5 квт. Поскольку все конвекторы управляются терморегуляторами, то шанс, что они все работают действительно одновременно, низкий. Но в лютые морозы такое все же происходит. Тем не менее, 15 квт хватает на все. Однако в жуткие морозы, видимо весь ближайший частный сектор включает отопительные приботы и электричество в районе отрубается. Тогда у меня заводится генератор и в основном я счастлив, но в жуткие морозы 8,5 квт не достаточно, чтобы потянуть все отопление в доме и генератор автоматически глохнет. Тогда я остаюсь вообще без электричества и мне приходится ходить и вручную отключать лишние обогреватели, чтобы остались только те, что в спальнях. Вот это я и хотел автоматизировать. В генераторной есть розетки только от сети, только от генератора, и общая линия.

Есть идея заменить автоматы на умные с туей например, а в генераторной включить какое-то устройство в розетку от только сети. Когда есть электричество - оно работает, когда нет электричества - оно выключается и это становится триггером для выполнения сценария на отключение умного автомата. И соответственно, когда электричество появляется - включается устройство и выполняется сченарий включить автоматы. Возможно также включить это устройство в розетку только от генератора и тогда все наоборот - выключать автомат, когда устройство выключено.

Может кто-нибудь посоветовать, как лучше и какое железо покупать?

Вот накидал схемку в пэинте

Нужна помощь в автоматизации

Умный дом

214 постов2.4K подписчиков

1
Автор поста оценил этот комментарий
В видео рассказано как переделать датчика открытия двери.
Идея в том, чтобы он отреагировал на появления напряжения на генераторе. Для этого его надо подключить через реле, а реле запитать напряжением генератора. Далее прописать логику на хабе. Завелся Гена, отключай потребители.
ну и резервное питание на хаб.

На хаб нужно будет отдельное питание сделать, какой нить ИБП на базе 18650 соорудить, чтоб во время переключения сети, не потеряться
Предпросмотр
YouTube11:10
раскрыть ветку (1)
1
Автор поста оценил этот комментарий

Вот! Как раз то что нужно! Спасибо!

показать ответы
0
Автор поста оценил этот комментарий
Да блиииин. Купите tuyaрозетки на количество радиаторов которые надо отключать+1. Этот один воткнете в розетку генератора. И сценарии, если на розетки генератора напряжение больше 150. То включать каждую на радиаторе. И все
раскрыть ветку (1)
0
Автор поста оценил этот комментарий

В доме 18 радиаторов. Дороговато розетки на каждый покупать

показать ответы
0
Автор поста оценил этот комментарий

Я извиняюсь, но если у вас итак коммутация будет происходить на автоматах (в щитке видимо), то в чём проблема сразу их (автоматы не-критичных отопителей) запитать от внешней сети, а критичные - от резервируемой линии? В сети напряжение пропадёт - радиаторы и отключатся.

В чём профит пляски с датчиками и туей?

раскрыть ветку (1)
0
Автор поста оценил этот комментарий

Для этого надо, чтобы провода от сети и провода от генератора отдельно заходили в дом. А они заходят в генераторную - отдельный домик в другом конце участка (см. приложенную схему

показать ответы
0
Автор поста оценил этот комментарий

Можно тогда вообще с реле не заморачиваться. Одного контактора достаточно. Но это нужно провести провод отдельный от генератора к контактору. Для этого мне придется перекопать участок - вот это не хотелось делать. Поэтому ищу беспроводное решение.

Иллюстрация к комментарию
раскрыть ветку (1)
0
Автор поста оценил этот комментарий

кроме того, если электричество отключается ночью, что обогрев надо оставлять в спальнях и выключать в других комнатах. Если днем, то наоборот спальни не нужны... в общем на герконе и туе получается лучше кмк

0
Автор поста оценил этот комментарий

Реле ставится перед АВР, чтобы в нормальном режиме работы от сети оно не работало, а при переходе на генератор появлялось в цепи. При отсутствии перегруза оно опять же не будет давать о себе знать, это тупо трансформатор тока, там даже силовой провод не разрывается, а просто пропускается через дырку в корпусе. Контактор берётся с нормально закрытыми контактами, чтобы без питания (т.е. при работе от городской сети) он всегда был замкнут (будто его и нет) и спокойно работали все радиаторы, а при включении генератора, и в случае сработки реле, на контактор подавалось питание и контакты открывались, отрубая часть радиаторов.

раскрыть ветку (1)
0
Автор поста оценил этот комментарий

Можно тогда вообще с реле не заморачиваться. Одного контактора достаточно. Но это нужно провести провод отдельный от генератора к контактору. Для этого мне придется перекопать участок - вот это не хотелось делать. Поэтому ищу беспроводное решение.

Иллюстрация к комментарию
показать ответы
0
Автор поста оценил этот комментарий
Как вариант в каждую розетку воткнуть по ZigBee (WiFi)реле и в случае включения генератора, отключать часть потребителей. Только нужно что-то придумать на контроле появления напряжения от генератора. Можно датчик открытия двери использовать.
раскрыть ветку (1)
0
Автор поста оценил этот комментарий

вот. я тоже думал про датчик открытия дверей. Но не понял такую штуку. Допустим я ключаю этот датчик в розетку непосредственно в генераторе, так что когда не заведен электричества нет. Убираем ответную часть - пусть оно думает, что дверь открыта. Делаем сценарий, когда дверь открыта выключать автомат. А потом что? Когда включается основное электричество - генератор вырубается и датчик просто пропадает, а не переходит в положение "закрыто". Как этот момент обыграть?

показать ответы
0
Автор поста оценил этот комментарий

Какой авр используете?

раскрыть ветку (1)
0
Автор поста оценил этот комментарий

не пмню какой точно. Надо в генераторной смотреть

показать ответы
0
Автор поста оценил этот комментарий

не думаю, что эта схема сработает. Если я выставлю предельный ток на то, что может потянуть генератор, то при питании от городской сети, он тоже будет вырубаться

раскрыть ветку (1)
0
Автор поста оценил этот комментарий

А наличие в этой схеме контактора подразумеват, что наод кинуть дополнительный провод от генераторной до контактора, а я не хочу лишних проводов тянуть

показать ответы
2
Автор поста оценил этот комментарий

Элементарно. Реле приоритета нагрузки. И контактор разумеется. При превышении определённого тока, реле подаёт сигнал на контактор, который отрубает то, что на него завели (не самые важные потребители).

Когда-то давно делал схему квартиры с таким реле.

Суть в наличии мощного проточника. Вся квартира с ним более-менее работает, а вот плиту на всю мощность включать уже нельзя. На всякий случай в схему было добавлено РПН.

Иллюстрация к комментарию
Иллюстрация к комментарию
раскрыть ветку (1)
0
Автор поста оценил этот комментарий

не думаю, что эта схема сработает. Если я выставлю предельный ток на то, что может потянуть генератор, то при питании от городской сети, он тоже будет вырубаться

показать ответы
0
Автор поста оценил этот комментарий
Конвекторы и другие розетки/приборы/электроприборы, которые должны работать в аварийном режиме пересадить на отдельные провода.
При включении авр и генератора будет питаться только то, что на этих проводах.
Планируется на этапе строительства обычно, но делается это примерно никем. Ибо "да все и так норм будет, нах нам аварийное питание.."..
Возможно в вашем случае модет и наоборот - считать все аварийным питанием, а на "ненужные" конвекторы/ потребители кинуть доп провода или вывести из питания сектор целиком, изменив схема проезда питания в щите (улица/подвал/сарай). Ведь чаще всего отключаем всё "лишнее" в первую очередь во всяких подвалах/чердаках/техниках/улица/сарай и прочее.
раскрыть ветку (1)
0
Автор поста оценил этот комментарий

да, это можно было бы решить контактором, но не хотелось дополнительные провод бросать - придется пол участка перекопать

2
Автор поста оценил этот комментарий

Генератор превращает в электричество хорошо, если 25% энергии топлива, остальное улетает на улицу. Не лучше ли топить дизельным отопителем?
Дешевле в разы будет

раскрыть ветку (1)
Автор поста оценил этот комментарий

Ну может и лучше. Только вонь дизельную в доме сами нюхайте

показать ответы