Нет элемента в схеме
Имеется ТВ на 21 дюйм, Erisson 2108
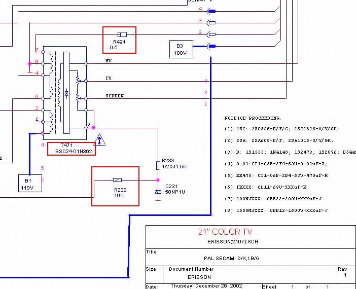
Схема 2107 совпадает с 2108, потому картинка верная
Но, есть проблема. Внутри есть треснувшийся стабилитрон, под номером VD453. На схеме его нету, а на плате он рядом с ТДКС, можно ли поставить вместо него 1N4004?
Телевизор полез чинить из-за сломанных кнопок, грязь начал убирать и тут стабилитрон так легко рассыпался, хочется его побыстрее собрать и отдать бесплатно нуждающимся
UPD: #comment_142893470 Извините пожалуйста, но, я всё нашёл на этой же схеме. 3 пункт, перечислены диоды (1S1555, 1N4148, 1S2473, 1S2075)



Сообщество Ремонтёров - Помощь
11.3K поста14.7K подписчиков
Правила сообщества
Посты с процессом ремонта создавайте в родительском сообществе pikabu.ru/community/remont.
В этом сообществе, можно выкладывать посты с просьбами о помощи в ремонте электро-техники. Цифровой, бытовой и т.п., а про ремонт картин, квартир, ванн и унитазов, писать в других сообществах :)
Требования к оформлению постов:
1. Максимально полное наименование устройства.
2. Какие условия привели к поломке, если таковые известны.
3. Что уже делали с устройством.
4. Какое имеется оборудование.
5. Ну и соответственно, уровень знаний.