Аномалия
Сосед сварщик принес мне старенький инвертор на ремонт. Я не сильный профи в их ремонте, но взялся.
Аппарат 2011 года. Китай. Умер в 2024. Платы изготовлены 2006. Был весь в металлопыли. Платы лакированные, корозия - минимум. Очистил, отмыл растворителем.
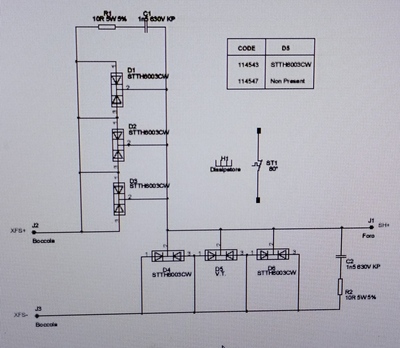
Выход собран на диодах D92-02.
Полевые K2698.
Входные диодные мосты
S25VB100X.
Так вот...
Первая -
Из 12-ти диодов (выпаял все), попался один критический.
Ладно, проехали. Но всё равно не понятно.
Цена вопроса - 200-600р.
Вторая -
Диодные мосты. Измерения проводил тремя приборами. Стрелочным, Цифровым (SZ08), и Т7-Н. У всех показания разные.
НО!
Неделю назад у одного из них было пробитие по плюсовому плечу!!!
А сейчас нету😳😬
Показания переписал на лист. Он выше.
И если емкость перехода меня устраивает (150 pF +(-)). То во значения Ir - нет.
В чем магия? Или где я облажался?
Почему у первого Ir - 36, а вот у второго Ir - 6-17 nA.??? Или я гоню уже???
Покупать новый (500-800р.) Или собирать на них???

















Сообщество Ремонтёров
8.1K поста44.1K подписчиков
Правила сообщества
ЕСЛИ НЕ ХОТИТЕ, ЧТОБЫ ВАС ЗАМИНУСИЛИ НЕ ПУБЛИКУЙТЕ В ЭТОМ СООБЩЕСТВЕ ПРОСЬБЫ О ПОМОЩИ В РЕМОНТЕ, ДЛЯ ЭТОГО ЕСТЬ ВТОРОЕ СООБЩЕСТВО:
Посты с просьбами о помощи в ремонте создаются в дочернем сообществе:
К публикации допускаются только тематические статьи с тегом "Ремонт техники".
В сообществе строго запрещено и карается баном всего две вещи:
1. Оскорбления.
2. Реклама.
В остальном действуют базовые правила Пикабу.