Прошу помощи
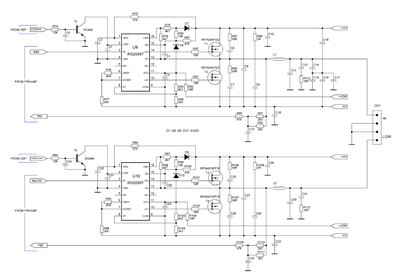
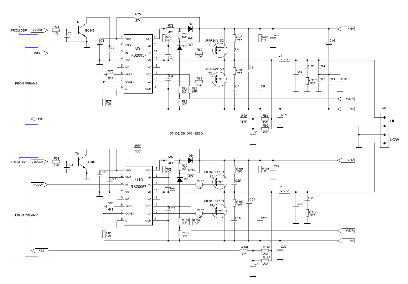
Есть в наличии актвная колонка FLEXSYS F10, чего с ней делали не знаю, но по итогам имею Горелый улилитель на низовой динамик (отдельные унч на вуфер и твитер), усилитель класс D, сгорели два полевика IRFR24N15DPBF и драйвер управления ими, теперь вот большая просьба, если у кого есть схема данного адского девайса, поделитесь, так как на драйвере ни одной надписи, или может кто чем поможет....


Сообщество Ремонтёров - Помощь
11.3K постов14.7K подписчиков
Правила сообщества
Посты с процессом ремонта создавайте в родительском сообществе pikabu.ru/community/remont.
В этом сообществе, можно выкладывать посты с просьбами о помощи в ремонте электро-техники. Цифровой, бытовой и т.п., а про ремонт картин, квартир, ванн и унитазов, писать в других сообществах :)
Требования к оформлению постов:
1. Максимально полное наименование устройства.
2. Какие условия привели к поломке, если таковые известны.
3. Что уже делали с устройством.
4. Какое имеется оборудование.
5. Ну и соответственно, уровень знаний.