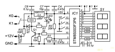
Нужен совет по датчикам температуры.
Доброго времени суток. Есть необходимость в покупке или сборки термометра с выносным датчиком с максимальной температурой измерения +100 и более. Обязательно влагозащищенный. Ну и естественно в разумных целях.
Можно с выводом температуры на дисплей. Но желательно с беспроводной передачи данных на прибор (который можно положить в карман или поставить где нибудь).
Заинтересовался в сборке для передачи данных на телефон. мониторингом температуры и предупреждением о превышении допустимой температуры. Естественно на основе arduino. Плата и прошивка есть. ПО для телефона тоже (Пользуюсь самодельной системой умного дома второй год и проблем вообще нет. Могу запилить пост с подробной инструкцией о создании этой системы. Себестоимость меньше 2000р. Это 5 реле, плата, датчики температуры и влажности комнаты и частичной возможностью управлять камерой с любой точки мира)
Но возникла проблема, не могу найти хороший датчик с влагозащитой и измерением +100 или выше. Хочется что то интересное самому собрать, чем покупать дорогой термометр с ограниченными возможностями.
Интересны будут предложения и интересна ли тема о создании системы умного дома. Можно али или где нибудь в Москве. Заранее спасибо) а то всю голову сломал.



