AD7793 миллиомметр (Arduino)
AD7793 — малошумящий 24-разрядный сигма-дельта АЦП с тремя дифференциальными аналоговыми входами. АЦП AD7793 предназначен для высокоточного измерения постоянного напряжения, может применяться для измерения напряжения термопар и других датчиков с выходным напряжением в несколько единиц или десятков мВ.
Перед прочтением статьи рекомендую ознакомится с тремя первыми статьями про АЦП AD7793:
На базе AD7793 с использованием Arduino Nano можно собрать миллиомметр с диапазоном измерения от 0,0000 до 32,000 Ом.
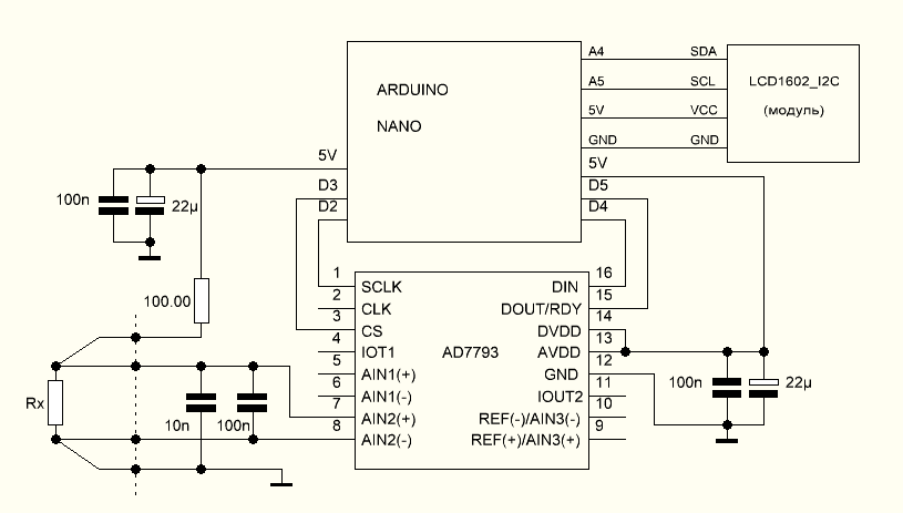
Схема миллиомметра
Вход АЦП сконфигурирован как несимметричный вход, предусилитель АЦП имеет коэффициент усиления равный 1, частота опроса 4,17 Гц.
Для точного измерения необходимо иметь эталонное сопротивление 100 Ом (манганин) через которое подается ток на измеряемое сопротивление, от точности эталонного сопротивления зависит точность прибора. Если нет возможности очень точно изготовить (намотать из манганиновой проволоки) эталонное сопротивление, то откалибровать прибор можно при помощи другого эталонного сопротивления 1…30 Ом с классом точности не менее 0.02 %.
Для упрощения конструкции прибора напряжение на эталонное сопротивление 100 Ом подается от источника питания +5 В Arduino, которое также является аналоговым напряжением питания АЦП AD7793, а так как в АЦП имеется возможность контроля этого напряжения, то оно становится опорным, так как перед каждым замером сопротивления производится измерения аналогового напряжения питания АЦП которое также подается на эталонное сопротивление.
Для получения большой точности при измерении сопротивлений миллиомметр нуждается в калибровке:
#define R_100 99.969
#define K_0 0.0015
#define K_AVDD 6.065
K_AVDD — калибровочный коэффициент напряжения подаваемого на эталонное сопротивление, так как оно является аналоговым напряжением питания АЦП и имеется возможность его измерять, то необходимо очень точно произвести калибровку результата его измерения. Для этого измерьте напряжение подаваемое на эталонное сопротивление, откройте монитор порта и сравните его с измеренным значением.
AVDD — напряжением аналогового питания АЦП (выделено красным)
Измените K_AVDD таким образом, чтобы напряжение подаваемое на эталонное сопротивление соответствовало напряжению AVDD в мониторе порта.
R_100 — точное значение эталонного сопротивления.
K_0 — калибровка нуля. Замкните вход омметра, если показания не равны нулю, то укажите в K_0 погрешность нуля.
Результаты измерений
Скетч - http://rcl-radio.ru/?p=128992






