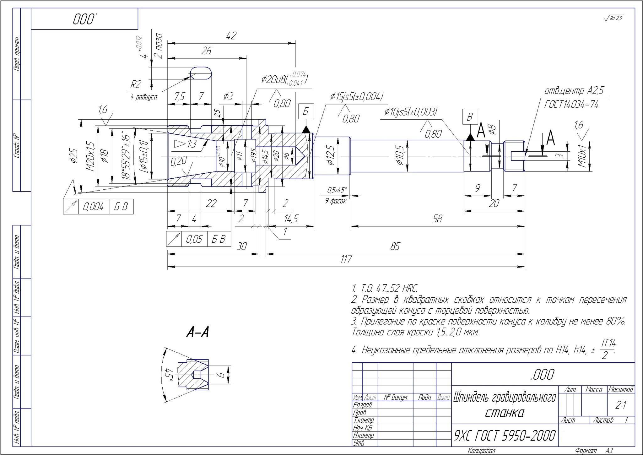
Прошу помочь изготовить деталь
Здравствуйте, нет ли на пикабу такого человека который поможет мне изготовить деталь на заказ по чертежу? Искал спец конторы, как-то не зашло. Либо от 100 штук либо просто морозятся и отказывают. А мне нужна 1 штука. Это дипломная работа.
Или может подскажете организацию кто возьмётся за изготовление детали за разумные деньги...
СПб









Лига ЧПУшников
2.1K постов12.1K подписчика
Правила сообщества
никакой политики