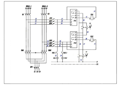
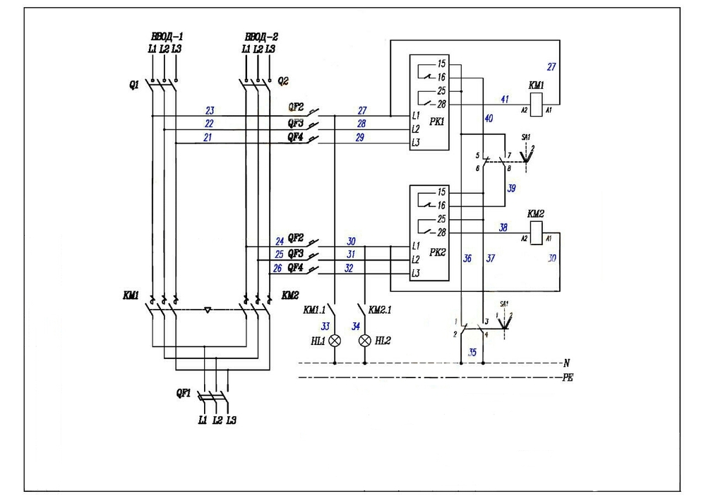
Сборка щита шкфа АВР
В тему поста
@d32en, коллега))
Фотографировал на синюю изоленту
В тему поста
@d32en, коллега))
Фотографировал на синюю изоленту
Затейливая примерка, с закрытием лотков... :)))
Эх... я после этого вспоминаю фарш во фрезере и каруселке, и грустнею... :(((
Потому, что они хотели дёшево, но что б работало. Пытались объяснить про сию фирму, но тщетно...
