Его замена абсолютно ничего не поменяла, в итоге собрал другой диммер по этой схеме https://samelectric.ru/komponenty/remont-dimmera-na-simistore.html
100E - это 100Ом
Цепь R1-R2-R3 можно и четвертьваттную, но тогда конденсаторы C1 и C2 не должны быть пробиты ни при каких условиях (берите на напругу от 600 вольт)... В крайнем случае они (резисторы) просто сгорят... Тот переменник, что в чипидипе - он больше для аудио подходит в неответственных узлах :)
Лайфхак: убитые пылесосы с живым регулятором периодически мелькают то тут, то там... Может даже у Ваших знакомых есть кандидат на помойку
UPD. Переменник можно заменить галетным переключателем с несколькими резисторами "по вкусу" на несколько фиксированных скоростей :)
Пылесосы если попадаются то я их скорее отремонтирую и продам чем пущу на такое.
А это развлекалово для души.
Ну и переключатель не подошёл бы ибо уж больно разные значения нагрузки будут.
Завтра возьму материалы на эту схему + кондёр поменьше на прошлую и проверим будет ли искрить(он искрил от лампочки 60 вт)
Однозначно нет,
R4 - мощща поболе будет (возможно, что даже больше 1Вт, т.к. цепь C3R4 будет работать снаббером)
R3 - зависит от тока, который идет на динистор, 146%, что 0,25 Вт хватит
R1, R2 лучше взять с запасом (>=0,5Вт)
конденсаторы должны быть на напряжение НЕ НИЖЕ (220+10%)*sqrt(2) = 350 вольт
(а, учитывая индуктивный характер нагрузки, то и 450 может вдруг оказаться недостаточным )
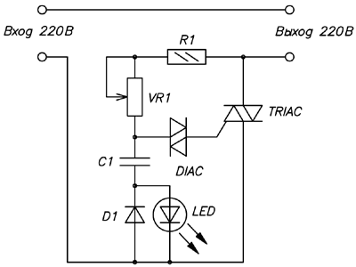
Резистор R4 указан как 100E что под этим хотели сказать ?
100 ом, 100кОм ? (склоняюсь к 100 ом)
И переменных резисторов в Чип и Дип не нашёл больше чем на четверть ватта.
Вот это похоже идеально подойдёт на первое время, спасибо огромное!
Я ведь правильно понимаю что резисторы подойдут на четверть вата в этой схеме ?(У меня их упаковка валяется)
TDA1085 и обвязка к ней стоит не так и много.
Впрочем, если хотите симисторов, есть такой вариант (не айс)
а не найдётся ли у вас варианта всё же диммера у которого не светились бы резисторы при включении двигателя?
Нет конечно!
Если движок щеточный - ШИМ драйвер, если асинхронный - копайте в сторону трехфазных инверторов...
Движок щёточный, на текущий момент регулирую ЛАТРом но им не удобно ибо здоровый. а шим что то слишком сложные мне кажется.
Искрить будет, эта схема не может не искрить :)
Особенно, если Вы ей прибор с реактивным сопротивлением регулируете.
А вот эта https://samelectric.ru/komponenty/remont-dimmera-na-simistore.html подойдёт для двигателя стиралки ?
А лучше собери по этой схеме https://samelectric.ru/komponenty/remont-dimmera-na-simistore.html
Извиняюсь, просто когда написал все слова изначально правильно словарь подчеркнул их как неправильные ну и исправил их на Диме
без спорно но готовый регулятор на али стоит 600 руб. и я даже при такой цене хотел бы сам собрать просто потому что ХОЧУ.
Но хотелось бы пока на уровне диммера сделать.

