Ремонт неплохого компьютерного БП
Приветствую посетителей Пикабу. Сегодня я расскажу про ремонт компьютерного блока питания Thermaltake TR2 730W - довольно неплохого блока приличной мощности и с сертификатом 80 PLUS. Для любителей видео я выложил про это ролик на ютубе. А теперь сразу к делу!
Раскручиваем корпус, отсоединяем вентилятор, извлекаем плату. Далее внимательно осматриваем ее со всех сторон на предмет любых повреждений. Визуально все выглядит отлично - никаких прогаров, копоти, ничего не отвалилось, цвет не изменило. Плата выглядит солидно, плотно напичкана силовыми элементами.
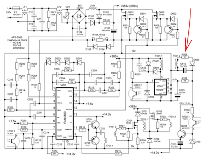
Далее я хочу проверить, что там у нас по высоковольтной части. Первым делом прозваниваю все силовые транзисторы, диод PFC, диодный мост. Это все исправно, что радует - не придется мучаться с выпаиванием радиаторов и тратить деньги на новые транзисторы, которые сейчас резко стали еще недешевле, чем раньше. Поскольку по высокой стороне нигде короткого нет, я могу с чистой совестью включить блок и посмотреть, что будет, а именно - будет ли на выходе дежурка 5 вольт и сигнал PS_ON на зеленом проводе.
Спойлер - не будет. Дежурки нет, сигнала PS_ON тоже. Также измерил напряжение "внутренней" дежурки, питающей управление высоковольтной частью, на соответствующем конденсаторе - там тоже по нулям.
Тогда я перемещаю свой пристальный взгляд в сторону микросхемы дежурки. В данном блоке это TNY278 - популярная дешевая микросхема. Внимательно осматриваю область вокруг нее и нахожу перегоревший резистор на 2.2 Ома. Этот резистор служит предохранителем, и раз он сгорел, значит, по линии дежурки (на высоковольтное стороне) произошло что-то плохое. Заменяю резистор.
После замены ничего не изменилось, дежурка не появилась. Вероятнее всего, сгорела сама TNY278. Поскольку у меня есть замена в наличии, то я сразу решаю заменить и не париться. Ставлю китайскую TNY280 с алишки. Несмотря на явные признаки перемаркировки, эти схемки проверены и отлично работают.
Ура, дежурка появилась! Подсобрал блок, пытаюсь его включить (пока что без нагрузки) - и ничего не происходит, вентилятор не крутится.
Подозрение резко упало на основной ШИМ. В качестве него в данном блоке используется FAN4800 - еще одна популярная дешевая микросхема. Обычно, если все остальное исправно, но блок не включается, то виновата именно она. Поскольку такая у меня также есть в наличии, я решаю просто заменить ее и посмотреть что будет. Отпаиваю вертикальную плату, на которой расположена данная ШИМка, и меняю.
Теперь я подключаю к блоку нагрузку в виде ламп, и - о чудо! - лампы засветились. Блок работает!
Но недолгой была моя радость. Подсобрав блок снова, я обнаружил, что вентилятор все равно не крутится. Скорее всего, ШИМку я менял зря: блок включался и до ее замены, а проблема была именно в том, что не крутился вентилятор.
Проверил сам вентилятор - он исправен. А вот на разъеме питания вентилятора оказалось всего лишь 2.9 вольт вместо положенного близкого к 12 вольтам напряжения. Из-за этого он и не крутился.
Потратив некоторое количество времени на раздумья и сканирование области вокруг разъема вентилятора, я обнаружил сгоревший стабилитрон. Вместо того, чтобы быть диодом, он звонится как резистор на 250 КОм.
Его номинал было тяжело нагуглить, но оказалось, что он около 6 вольт. И чем меньше номинал, тем выше будут обороты вентилятора "по умолчанию", при холодном радиаторе. Хитрая схема подает на вентилятор 12 вольт минус номинал данного стабилитрона плюс компенсация от схемы управления оборотами в зависимости от температуры. У меня в коллекции нашелся ближайший стабилитрон на 5 с чем-то вольт. После замены вентилятор закрутился как полагается, а блок заработал полностью.
На этом ремонт можно считать успешным. В итоге, можно предположить, что изначально сгорел именно стабилитрон, из-за чего остановился кулер, из-за чего перегрелась и сгорела микросхема дежурки, обесточив блок. Повезло! Обычно от перегрева первыми вылетают силовые ключи, после чего ремонт получается сложнее и дороже.
Резюмируя, можно сказать, что ремонт получился несложным и недорогим. Сложнее всего было найти стабилитрон - пришлось прозванивать все подряд в области разъема питания вентилятора.
Друзья, этот аккаунт я создал специально для тематических постов про ремонт. Надеюсь что смогу постить более-менее регулярно. Спасибо за внимание!














Сообщество Ремонтёров
8.2K постов44.4K подписчиков
Правила сообщества
ЕСЛИ НЕ ХОТИТЕ, ЧТОБЫ ВАС ЗАМИНУСИЛИ НЕ ПУБЛИКУЙТЕ В ЭТОМ СООБЩЕСТВЕ ПРОСЬБЫ О ПОМОЩИ В РЕМОНТЕ, ДЛЯ ЭТОГО ЕСТЬ ВТОРОЕ СООБЩЕСТВО:
Посты с просьбами о помощи в ремонте создаются в дочернем сообществе:
К публикации допускаются только тематические статьи с тегом "Ремонт техники".
В сообществе строго запрещено и карается баном всего две вещи:
1. Оскорбления.
2. Реклама.
В остальном действуют базовые правила Пикабу.