Проект хозблока / бани
Попался мне тут на глаза пост, в котором автор дарит обществу проект каркасного блока, весьма спорной конструкции. И вот подумалось мне, что кому-то может быть действительно нужен простой и недорогой вариант брусового хозблока, который в перспективе можно преобразовать и в баню. Проект набросал часа за полтора, так что "знатокам" того, как тут всё не правильно и не по ГОСТам, скажу - идите своей дорогой, сталкеры.
Заказчики нередко у меня просят что-то подобное в придачу к проекту дома, так что вещь востребованная. Берите, кому нужно.
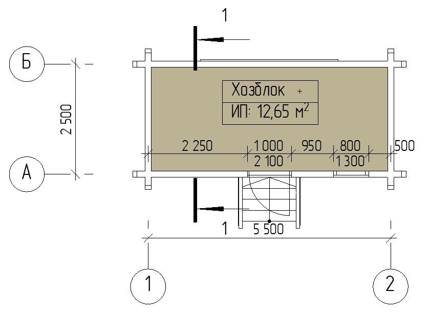
Выступающие части внизу - чисто для украшения. Свесы кровли таковы, чтобы отступы от границ участка измерялись не до них, а до фундамента.
Размеры выбраны исходя из стандартной длины брусовых заготовок 6 метров. С учетом выступающих чашек как раз применены детали по 3 и 6 метров соответственно. Можно было бы сделать и вовсе без выступов (в тёплый угол), тогда пространства внутри получилось бы больше, но я предполагаю, что проект может быть использован для резки деталей на станках, а там почти всегда делают чашки с выпуском. В общем, если вдруг понадобится без выпусков - скажите, сделаю и вариант без них.
Всего на проект требуется 7 м3 стенового бруса, и ещё чуть меньше 2 м3 других пиломатериалов, так что цена выйдет весьма невысокая. Если брус будет профилированный, то и отделки почти не потребуется (покрасить снаружи, отшлифовать и покрасить изнутри).
Также могу помимо хозблока "запилить" на досуге и какой-нибудь маленький проектик дома или бани в размере 6х6.
Проект можете качать отсюда:



Строительство и ремонт
10.9K поста48.6K подписчиков
Правила сообщества
Правила оформления постов.
Посты видеоролики должны обязательно иметь описание о чём видео. Если видео длинное, то крайне желательно указать время, когда и о чём рассказываете.
В случае нарушения пост выносится из сообщества.
Правила общения.
Запрещено регулярное хамское и неуважительное обращение к другим участникам сообщества в рамках общения в комментариях. В случае первого нарушения бан в сообществе на 2-3 недели. В случае повтора постоянный.
Про нейросети
Тексты сгенерированные нейросетью, выносятся из сообщества, пользователь блокируется на неделю. При повторном нарушении перманентный бан для пользователя.
Про рекламу
Рекламные посты от платных/бесплатных аккаунтов запрещены. За первое нарушение блокировка на 7 дней. За второе перманентная блокировка.
Только для профессиональных участников рынка строительных услуг. (публикующихся регулярно)
Пост должен быть основан на личном опыте.
Должен быть информационно-познавательным (разъясняет/ объясняет что-то связанное с материалом/работой/организацией/и.т.д.) или пищей для ума (Взгляд на проблему, с другой стороны)
Запрещается публикация видео длиной более 5 минут без текстового таймлайна. ( надо указать где и о чём вы рассказываете в видео)
Не злоупотребляйте тэгами. Количество своих тэгов не более 4х шт. Тэги проставляемые системой не учитываются. (Длиннопост, видео, и.т.д.)