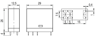
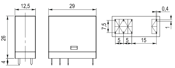
Помогите подобрать реле
Всем привет, подскажите нужно wifi реле сухого контакта или компактное реле с сухим контактом у которого питание 220в, нужно удаленно открывать дверь, у меня есть wifi реле Tuya, оно только может подавать питание при включении, а мне нужно просто замкнуть два провода. хотел к нему подключить компактное реле, но нигде не могу найти, все реле на 220в большие, всем спасибо!


