cpsskipper

На Пикабу
Дата рождения: 28 декабря
651 рейтинг 78 подписчиков 29 подписок 6 постов 5 в горячем
Награды:
5 лет на Пикабу
144

Управляем кондиционером по wifi

Компании-инсталляторы так называемых умных домов утверждают, что мы никак не можем прожить без автоматического управления климатическими системами. Наш дом в обязательном порядке должен сам охладиться к нашему приходу. Что ж, давайте посмотрим, как нам предлагают это сделать. Вариантов управления на самом деле не много:

1. Родной беспроводной модуль кондиционера. Сможете управлять климатом с телефона через облако производителя. Связь двунаправленная, ибо используется, как правило UART, т.е. мы получаем текущее состояние кондиционера. К примеру для Mitsubishi Electric такая штука стоит около 15 т.р. Подходит не ко всем моделям.

2. Модуль CoolMaster от компании CoolAutomation. Штука умеет интегрироваться с большим количеством HVAC систем и не меньшим количеством систем домашней автоматизации. Связь так же двунаправленная. Стоимость соответствующая.

3. Отдельный ИК модуль, направленный на кондиционер. Связь односторонняя. Т.е если кто-то нажмет выключение на родном пульте, система об этом не узнает.

Таки образом, HVAC можно управлять по ИК и по UART.


Мой кондиционер Mitsubishi Electric HJ35 умеет только ИК, но это не надолго! Будем делать полноценную двустороннюю связь с управлением по WiFi и поддержкой MQTT

Это руководство подходит только к кондиционерам Mitsubishi Electric!

Все что нужно для переделки:

ESP8266, в моем случае это Wemos D1 mini.

Разъем папа:  JST pap-05v-s

Опционально разъем мама: JST S05B-PASK-2 S05B-PASK-2


Работа с "железом".

Все что вы делаете со своим кондиционером, вы делаете на свой страх и риск. Автор ответственности не несет.

1. Вскрываем кондиционер

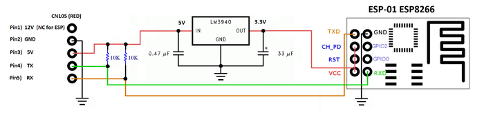
2. Достаем плату управления. Нас интересует разъем CN105 (выделен красным кружком). На моделях, поддерживающих модули WiFi он уже установлен. У меня его нет -  значит припаиваем.

3. Обжимаем провода? припаиваем их к ESP8266 и подключаем к управляющей плате

4. Прошиваем ESP8266 для работы с кондиционером Mitsubishi Electric

Исходники, описание  и файлы интеграции с Home assistant тут:

https://github.com/SwiCago/HeatPump

5. Устанавливаем плату в кондиционер

Собираем кондиционер.  Все, с железом мы завершили


6. Настраиваем Home Assistant

Копируем в папку /custom_components/mitsubishi_mqtt файлы climate.py и manifest.json

В файл Configuration.yaml вносим следующий текст


climate:

- platform: mitsubishi_mqtt

name: "Mistubishi Heatpump"

command_topic: "heatpump/set"

temperature_state_topic: "heatpump/status"

state_topic: "heatpump"


Перезагружаем Home Assistant

Добавляем кондиционер на домашний экран Home Assistant

На этом интеграция в систему домашней автоматизации завершена при том управление с родного ИК пульта сохранено.

Данное решение не требует отдельных приложений и подключения к облакам производителя. Любую идею, будь то голосовое управление, внешние экраны или работа кондиционера с учетом погоды на улице, присутствия хозяев и пр. теперь легко можно реализовать.


Стоимость доработки составила от силы 400 рублей.

Показать полностью 9
247

Считаем воду и не только

Лень двигатель прогресса... В очередной раз забыв передать показания счетчика в управляющую компанию, я решил, что с этим надо что-то делать. На тот момент у меня не было никакой домашней автоматизации, о всяких ардуино я слышал только краем уха, не говоря уже о ЛУТ и прочем. Сейчас оглядываясь назад я могу с уверенностью сказать: лентяй, который двигает прогресс- тот еще трудоголик.

Но, как говорится, от слов к делу.

За все время использования у меня было 3 версии счетчика воды :

v1. Умеет считывать и хранить расход воды и отправлять через WiFi письма в УК, имеет web интерфейс

v2. Все то же самое, только еще считывает статус с устройства защиты от протечек Нептун, а так же может им управлять через web интерфейс, строит графики потребления воды.

v3. Не умеет отправлять почту, нет web интерфейса. Ну чем не прогресс? Зато вся логика вынесена в Home Assistant, устройство умеет общаться по mqtt с сервером. Такая архитектура дала возможность установить на стояк батарей (он у меня один) электро краны и сделать простейшее устройство управляемое по mqtt, а не покупать отдельный блок нептуна для них.


Схема устройства

https://easyeda.com/cpsskipper/water_counter

Плата изготовлена по технологии ЛУТ

Esp8266 (в реализации Wemos) - микропроцессор и связь по WiFi

ADS1115 АЦП, т.к в EPS8266 только один АЦП. Использование АЦП связано с типом счетчиков воды. В моем случае параллельно геркону в счетчике стоит сопротивление, поэтому цепь не размыкается никогда.

Реле на 5V - замыкание сухих контактов в Нептуне для управления кранами

Прошивка написана в Arduino IDE. не забудьте скачать библиотеку для ESP8266.

Принцип написания - побольше говнокода и костылей, так что не пинайте. написано давно, вычищать лень.

В коде подставляем свои логин и пароль от WiFi и mqtt

https://yadi.sk/d/z7ja-BHBmF7Sag

Настройка Home Assistant

Скачиваем и сохраняем water.yaml в директорию /config/packages/

https://yadi.sk/d/PeAGvBkg7-M1Bw

Письма отправляются через Gmail. Прописываем вашу учетку в Email Notify, отредактируйте текст письма, чтобы было понятно от какой квартиры пришли показания.


В файле configuration.yaml указываем

homeassistant:

packages: !include_dir_named packages


На Lovelace вытаскиваем созданные объекты. В итоге получится следующая карточка

По итогу

1. Счетчик воды. При отключении электричества показания не сбрасываются.

2. Передача показаний счетчиков в УК по Email в заданный день месяца

3. Можно легко прикрутить графики потребления воды с помощью плагина Grafana

4. Информирование по Email о перекрытии кранов в доме

5. Позволяет удаленно перекрывать воду в доме


P.S Если у вас что-то не получается - пишите. Постараюсь помочь.

Показать полностью 3
23

Домашний питомец робот пылесос Xiaomi Roborock

Я всегда мечтал о домашнем питомце. Помню еще в младших классах я притащил домой только продравшего глаза котенка. Через пару лет он вырос в черно-белого кота, способного построить во дворе любую собаку. Потом был аквариум, собака. Родители всячески поддерживали во мне интерес к животным, но только сейчас я понимаю, насколько это было тяжело в плане выгула, кормления и уборки. С появлением собаки уже в моей семье я задумался о втором питомце. Питомец, который разговаривает, кушает только электричество и после себя оставляет... чистоту. Зовут его Xiaomi Roborock S2

Обзоров на это создание в интернете очень много, от себя могу лишь отметить умение робота возвращаться на базу из любого угла квартиры. После iRobot Roomba 780 это кажется фантастикой. Ну и убирает вроде тоже неплохо.


Управление роботом возможно с кнопок на лицевой панели и из приложения MiHome: запуск, остановка, маршрут и карта, ресурс щеток. В принципе этого вполне достаточно.


Цель поста - показать, как подключить робот -пылесос в систему домашней автоматизации Home Assistant.


Итак, как всегда пошаговое руководство.


1. Нам нужно получить Token робота. Удаляем приложение MiHome на телефоне и устанавливаем ломаную версию


https://4pda.ru/pages/go/?u=https%3A%2F%2Fcloud.mail.ru%2Fpu...


Далее


1.1. Заходим в плагин пылесоса

1.2. Вызываем меню пылесоса (три точки в правом верхнем углу)

1.3. General settings

1.4. Информация о сети.

Если пылесос был добавлен ранее, до установки MI HOME от vevs, нужно его удалить и добавить заново вручную.


1.5 После получения плагина приложение можно удалить и установить родной MiHome


2. Заходим в Home Assistant (Hassio)

Скачиваем и сохраняем файл vacuum_xiaomi.yaml в директорию /config/packages/

https://yadi.sk/d/8l5ZQV-nJx8ZeQ

3. Добавляем карточку робота на основной экран Lovelace. Создаем ManualCard и в редактор вставляем текст файла Lovelace.txt из архива

4. Радуемся результату

Теперь пылесос будет запускаться по команде умного дома в 8:00 каждый день и убираться на полной мощности

Что мы теперь можем из интерфейса карточки: Запускать, останавливать уборку, отправлять пылесос на базу, запускать локальную уборку, устанавливать мощность пылесоса, управлять расписанием уборки.


В целом все то-же самое, как и в приложении MiHome, только теперь роботом можно управлять по событиям умного дома.


Кстати, робот все так же может управляться с приложения Mihome. В этом плане мы ничего не поломали.


Тема следующей статьи... не решил. Или начну цикл про медиацентры или расскажу как автоматически отправлять показания счетчиков воды в Управляющую компанию.


P.S Если у вас что-то не получается - пишите. Постараюсь помочь.

Показать полностью 2
30

Умный дом Xiaomi с шапочкой из фольги

Я ни разу не параноик и никогда не переживал, что мой аккаунт в контакте взломают злодеи и прочтут всю ту ахинею, которую я пишу друзьям. Но подключение "мозгов" умного дома к облаку, будь то китайское или американское, да хоть русское- это выше моего пофигизма. С другой стороны, сейчас на рынке много заманчивых предложений по автоматизации, которые достойны внимания. К примеру Xiaomi.

Итак, мы имеем кучу интересных и, что уж греха таить, достаточно дешевых устройств для домашней автоматизации, хаб, который всем этим управляет по протоколу ZigBee и мобильное приложение, которое взаимодействует с хабом через китайское облако.



Что получим в итоге - управление устройствами через приложение Home Assistant без хаба Xiaomi, т.е без слива данных китайцам.


От слов к делу.


У меня это работает следующим образом:


На RaspberryPi 3B установлен Home Assistant в виде образа Hassio и сервер MQTT, в малинку воткнут Zigbee модем СС2531. Команда из Home Assistant уходит в MQTT, потом на свисток, откуда передается в сеть Zigbee. Информация от устройств Xiaomi возвращается обратным порядком.


Итак, нам понадобится usb - Zigbee свисток СС2531

Эта штука заменит нам хаб Xiaomi.

Я брал тут:


https://ru.aliexpress.com/item/CC2531-Zigbee-Bluetooth-BLE-4...


Программатор CC Debugger для прошивки свистка

Я брал тут:


https://ru.aliexpress.com/item/Wholesale-CC-DEBUGGER-Debugge...


Теперь нужно прошить свисток через программатор, чтобы он стал "мостом" между устройствами Xiaomi и Home Assistant. Процесс прошивки подробно описан тут:


https://www.zigbee2mqtt.io/getting_started/flashing_the_cc25...


Переходим к Home Assistant. Напомню это бесплатное программное обеспечение, позволяющее управлять вашими устройствами по различным протоколам. Когда-нибудь напишу статейку про его установку и поставлю ссылку на нее сюда.


1. Переходим на вкладку Hass.io на закладку ADD-ON STORE и добавляем новый репозиторий https://github.com/danielwelch/hassio-zigbee2mqtt

2. Устанавливаем аддон Zigbee2mqtt

3. Теперь нужно определить путь к нашему свистку. Заходим в закладку System и нажимаем кнопку Hardware. У меня он находится по адресу /dev/ttyACM1. Настоятельно советую отключить остальные устройства из usb для чистоты эксперимента.

4. Переходим на закладку Dashboard, плагин Zigbee2mqtt. В поле Config вносим следующую конфигурацию


{


"data_path": "/share/zigbee2mqtt",


"homeassistant": true,


"permit_join": false,


"mqtt_base_topic": "zigbee2mqtt",


"mqtt_server": "mqtt://<ip адрес сервера mqtt>:< порт MQTT, обычно 1883>",


"serial_port": "<адрес свистка, у меня /dev/ttyACM1>",


"devices": [],


"network_key": []


}


Сохраняем и рестартуем плагин. Проверяем лог плагина. Красных строк быть не должно.

5. В файл Configuration.yaml должен быть настроен доступ к mqtt серверу

https://www.home-assistant.io/components/mqtt/


6. Скачиваем и сохраняем файл zigbee.yaml в директорию /config/packages/

https://yadi.sk/d/8l5ZQV-nJx8ZeQ


7. Добавляем на основной экран (Lovelace) объекты " Allow devices to join ", Time remaining , и Bridge state.

Настройка Home Assistant закончена.


Подключение устройства Xiaomi на примере Xiaomi Aqara Window Door Sensor


1. Включаем поиск устройств Allow devices to join в Home Assistant


2. Открываем лог аддона ZigBee2MQTT


3. Нажимаем кнопку сопряжения на Aqara Window Door Sensor где то на 3 сек. Синий огонек начнет мигать.


4. Ждем появления записей об подключении в логе аддона ZigBee2MQTT


5. При необходимости повторить с п.3.


В итоге у вас появляется устройство binary_sensor.<номер>_contact


В интерфейсе у меня датчик контролирует открытие окна и, соответственно, называется Окно. выглядит следующим образом:

Описание всех параметров аддона Zigbee2Mqtt можно посмотреть здесь


https://github.com/danielwelch/hassio-zigbee2mqtt


Полный перечень поддерживаемых устройств (только zigbee, пылесосы, очистители воздуха и пр. работают по WiFi) приведен тут:


https://www.zigbee2mqtt.io/information/supported_devices.htm...


Поздравляю! Теперь вы можете использовать устройства Xiaomi без передачи данных чужим людям.


Если вам нужна помощь в прошивке или настройке- обращайтесь. Помогу чем смогу.


P.S. Ссылка на канал в Яндекс Дзен

https://zen.yandex.ru/id/5b800a0c5559cb00aa5e3500?clid=&amp;...

Показать полностью 6
19

Монитор CO2

Всем привет!

Это мой первый пост и прошу не судить строго. Я же постараюсь быть кратким...

Тема IoT (Интернет вещей) сейчас достаточно популярна и считается крайне перспективной. Эксперты предсказывают, что  будущем основной объем данных будут генерировать именно такие "вещички". основная задача этих устройств - создание комфортной среды для человека.

Что ж, давайте тоже приобщимся к этому направлению, а заодно подумаем о своем здоровье.

Мы все дышим. Этот клинический факт означает, что в наш организм поступает смесь газов, не все из которых одинаково полезны. К примеру СО2. В сети достаточно информации о влиянии этого газа на самочувствие человека. В целом все сходятся на мнении, что нормальная концентрация CO2 это 400-600 ppm, 800-1000 ppm Легкое недомогание, выше 1000ppm общий дискомфорт, головные боли, проблемы с концентрацией внимания.

Удивительно, но факт: уровень CO2 в комнате с закрытыми окнами и одним человеком легко уходит в зону 900ppm всего за пару часов.


Заинтересовал? Теперь давайте покажу, как я его измеряю

Очевидно, что основной канал предоставления информации - это либо дисплей, либо цветовая подсветка. Это удобно и быстро. Далеко всегда хочется лезть в телефон, чтобы посмотреть чем я дышу.

Я выбрал цветовую индикацию

Зеленый, медленно мигает раз в 5 секунд - до 600ppm

Желтый горит постоянно  - до 900ppm

Красный горит постоянно  - выше 900ppm

Вот как это выглядит

Помимо цветовой индикации, устройство подключается по WiFi  к серверу Home Assistant и по протоколу MQTT передает показания CO2, температуры, влажности и давления. Выглядит это как-то так:

Графики тоже строятся, но я не вижу в них большой пользы

теперь давайте посмотрим, что внутри:

Основа - микроконтроллер ESP-8266/ В моем случае его реализация в виде Wemos D1 mini.

CO2 измеряет MH-Z19B. Похоже это наиболее популярный датчик по соотношению цена/ вранье по ppm

Датчик температуры, давления, влажности BMP-280. Точный, надежный и беспроблемный.

Само собой все пришло с алиэкспресса, так же как и корпус, рожденный мини колонкой и безжалостно растерзанный.

Светодиоды на нижней стороне платы светят через корпус

Код прошивки честно скопирован с интернета, чего и вам желаю


Ну и в заключение... Устройство, которое изначально делалось ради забавы успешно прижилось и стало арбитром в спорах за проветривание

Показать полностью 6
Отличная работа, все прочитано!

Темы

Политика

Теги

Популярные авторы

Сообщества

18+

Теги

Популярные авторы

Сообщества

Игры

Теги

Популярные авторы

Сообщества

Юмор

Теги

Популярные авторы

Сообщества

Отношения

Теги

Популярные авторы

Сообщества

Здоровье

Теги

Популярные авторы

Сообщества

Путешествия

Теги

Популярные авторы

Сообщества

Спорт

Теги

Популярные авторы

Сообщества

Хобби

Теги

Популярные авторы

Сообщества

Сервис

Теги

Популярные авторы

Сообщества

Природа

Теги

Популярные авторы

Сообщества

Бизнес

Теги

Популярные авторы

Сообщества

Транспорт

Теги

Популярные авторы

Сообщества

Общение

Теги

Популярные авторы

Сообщества

Юриспруденция

Теги

Популярные авторы

Сообщества

Наука

Теги

Популярные авторы

Сообщества

IT

Теги

Популярные авторы

Сообщества

Животные

Теги

Популярные авторы

Сообщества

Кино и сериалы

Теги

Популярные авторы

Сообщества

Экономика

Теги

Популярные авторы

Сообщества

Кулинария

Теги

Популярные авторы

Сообщества

История

Теги

Популярные авторы

Сообщества