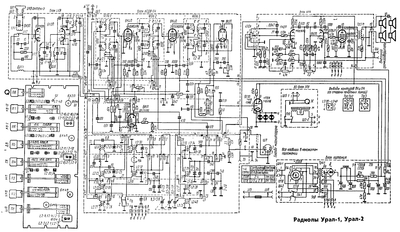
Можно ли воскресить?...
салют, Пикабу. от покойной крестной осталась вот такая железка
мне она в хер не тарахтела, но мать хочет крутить тут винил советских времён (ес чё, некоторые пластинки и сам запущу с превеликим)
если вдруг у кого найдется нормальное руководство, что куда и зачем ( в Гугле не забанен, но походу у меня руки из жо, за полдня ничего дельного не нашарил), то попрошу дать ссылку. а если расскажете ещё как на этом агрегате научить радио говорить, то цены вам не будет. но винил в приоритете.
всем спасибо заранее, пост без рейтинга



