Как читать чертеж шестерни: пошаговое руководство
Чертёж — это не просто набор линий и цифр. Это язык, на котором инженеры рассказывают историю детали: для чего она, как её сделать и как проверить. Давайте возьмём чертёж конической шестерни с круговыми зубьями (документ СПА.25072022.001)и научимся этому языку.
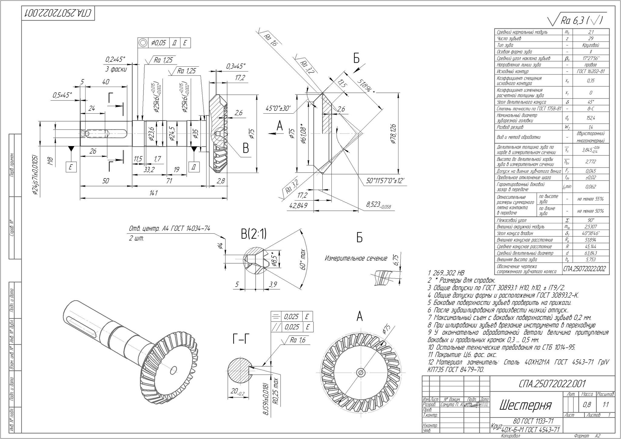
Быстрый портрет. Основная надпись и общие данные
С этого начинается чтение любого чертежа. В правом нижнем углу мы находим «паспорт» детали:
Наименование: «Шестерня». Уже понятно, что это ведущее зубчатое колесо.
Обозначение: СПА.25072022.001. Это уникальный код детали в системе документации.
Материал: 40Х-Б-М ГОСТ 4543-71.
Твёрдость: 269...302 HB. Это контрольный параметр для термиста. Готовую деталь будут проверять на твёрдость.
Масса: 0,8 кг. Важно для расчётов динамики и подбора двигателей.
Что это нам дало? Мы уже знаем, что перед нами ответственная, термообработанная деталь из качественной стали.
Анатомия шестерни. Виды, разрезы и сечения
Чертёж использует классические инженерные приёмы:
Вид слева (основной): Показывает профиль шестерни, внешние диаметры, посадочное отверстие.
Вид Б: Измерительное сечение ключевое для зубчатого зацепления!
Таблица параметров (в левом верхнем углу): Это «шпаргалка» для сборщика и контролёра. Она связывает наш чертёж с сопряжённой деталью (колесом СПА.25072022.002) и содержит выверенные геометрические и контрольные параметры. Например:
he = 5,753 — внешняя высота зуба.
d = 63,843 — средний делительный диаметр (воображаемый диаметр, на котором толщина зуба равна ширине впадины).
sx = 3,845 и hax = 2,772 — делительная толщина зуба по хорде и высота до неё в измерительном сечении. Это то, что будут непосредственно замерять калибром на производстве!
Мы перешли от общего вида к пониманию критически важных элементов — формы и размеров зуба.
Глубокое погружение. Расчётная таблица как источник истины
Чертёж показывает что проверить, а расчётная таблица объясняет, почему такие цифры и как их получили. Это логика конструктора, оцифрованная в таблицы.
Число зубьев (z1, z2): 29 у шестерни и 29 у колеса. Это первое и главное решение. Оно диктует, что передаточное число равно 1.
Модуль средний нормальный (m_n): 2.1 мм. Это, условно, "размер" зуба. Чем больше модуль, тем крупнее и прочнее зуб.
Межосевой угол передачи (Σ): Мы проектируем угловую передачу, которая передает вращение "за угол" в 90 градусов.
Угол наклона зубьев (β):. Это угол, под которым зубья "закручены" (спиральные). Это делает работу передачи более плавной и тихой по сравнению с прямыми зубьями.
Направление линии зуба: "правое" у шестерни и "левое" у колеса. Это обязательное условие для их зацепления.
Коэффициент смещения (x_n): +0,35 у шестерни и -0,35 у колеса. Это очень важный технологический "трюк". Намеренно сместил режущий инструмент:
+0,35 (Шестерня): Сместил от центра. Зуб у основания стал толще и прочнее, но у вершины — острее.
-0,35 (Колесо): Сместил к центру. Зуб у основания стал тоньше, но у вершины — толще.
Зачем? Это делается для выравнивания прочности зубьев, улучшения условий зацепления и избежания подрезания (когда инструмент срезает часть ножки зуба).
Определяемые параметры: "Что у нас получилось"
Это результат расчетов, основанных на исходных данных. Это чистая геометрия.
Угол делительного конуса (δ): для обеих шестерен. Расчет подтвердил: раз число зубьев одинаковое (29 и 29), то для 90-градусного угла передачи каждая шестерня должна иметь угол конуса ровно 45 градусов. Это значение мы видим на чертеже.
Внешнее конусное расстояние (R_e): 51,894 мм. Это расстояние от теоретической вершины конуса до внешней кромки зуба. Этот размер также вынесен на чертеж.
Ширина зубчатого венца (b): 13,5 мм. Это ширина рабочей части зуба, и она тоже есть на чертеже.
Внешний диаметр вершин зубьев (d_ae): 78,126 мм. Это тот самый максимальный габаритный диаметр шестерни, который мы видим на чертеже.
Углы конуса вершин (δ_a) и впадин (δ_f): .Они тоже перенесены на чертеж и показывают точные углы, под которыми нужно обрабатывать заготовку.
Почему шестерня именно такая?
Передаточное число u = 1: Шестерня и колесо имеют одинаковое число зубьев (z1 = z2 = 29). Это прямая передача, часто используется для изменения направления вращения без изменения скорости.
Угол наклона β = 17°27'56": Круговые зубья обеспечивают плавное, бесшумное зацепление и возможность регулировки при сборке.
Степень точности 8-С по ГОСТ 1758-81: Указывает на допуски на изготовление. «8» — средняя степень точности, «С» — нормальный вид сопряжения. Баланс между ценой и качеством для большинства промышленных применений.Как её изготовят?
Метод обработки: «Двухсторонний многономерный». Это означает, что зубья нарезаются за один проход специальной зуборезной головкой (do = 152,4 мм), которая обрабатывает обе боковые стороны зуба одновременно.
Развод резцов W2 = 1,4: Параметр настройки режущего инструмента для формирования правильного профиля впадины.Как убедиться, что она будет работать хорошо?
Пятно контакта: «не менее 50%». В процессе испытаний на краску проверят, чтобы реальная площадь контакта зубьев была не меньше этой цифры. Это гарантия бесшумности и долговечности.
Боковой зазор jn min = 0,062: Минимальный зазор между зубьями сопряжённой пары для размещения смазки и компенсации температурных расширений.
Проверка на подрезание: В таблице есть расчёт, подтверждающий, что геометрия инструмента не срежет опасную поднутрение у основания зуба («выполнено»).
Технические требования
Это текстовая часть, где прописаны все нюансы, которые нельзя или сложно отобразить графически. Они превращают чертёж из картинки в технический закон:
«После зубошлифования произвести низкий отпуск»: Шлифовка вызывает напряжения в металле. Низкий отпуск их снимает, предотвращая трещины.
«Боковые поверхности зубьев проверить на прижоги»: Контроль дефектов термической обработки.
«Максимальный съём с боковых поверхностей зубьев 0,2 мм»: Запас на последующую притирку или ремонт.
«При шлифовании зубьев врезание инструмента в переходную...» (оборвано, но смысл ясен) — запрет на повреждение галтели (перехода у основания зуба), где концентрируются напряжения.
«Покрытие: Ц6. фос. окс.»: Фосфатирование (Ц6) для защиты от коррозии и улучшения приработки поверхностей.
Читая чертёж таким образом, мы видим не просто диск с зубьями, а сложную инженерную систему. Каждый параметр — от химического состава стали до допуска в 0.025 мм — является результатом расчётов и компромиссов между прочностью, стоимостью, технологичностью и долговечностью.
На этом мы сегодня ставим точку, но только для того, чтобы завтра начать снова. Ваша обратная связь — это тот самый мост, который я строю от сегодняшней статьи к завтрашней, чтобы она была еще ближе к вашим сердцам и задачам. Пожалуйста, помогите мне укрепить этот мост. Оцените статью по предложенным критериям — это займет у вас секунды, но даст мне бесценные данные. Каждый ваш комментарий — это кирпичик в фундаменте нашего общего знания. С любовью и надеждой на диалог.
Пожалуйста, оцените эту статью от 1 до 5 в комментариях по следующим критериям:
А. Актуальность для вас и ваших коллег (насколько порекомендуете?).
Б. Информативность (насколько помогает решать насущные задачи?).
В. Полезность для расширения картины мира.
На ваши вопросы и пожелания с удовольствием отвечу. Ваша обратная связь поможет создавать еще более ценный контент для вас!
Если у вас возникли вопросы, не стесняйтесь задавать их в комментариях или свяжитесь со мной лично.
Об авторе:
Я, Павел Самута, инженер-конструктор, практикующий с 2007 года после обучения в БрГТУ и БГПК. Сферы моего интереса – машиностроение, теплоэнергетика, киносъемочное оборудование, где я использую передовые технологии моделирования и расчёта. В моём блоге я рассказываю о вызовах современного общества, про инжиниринг и его влиянии на индустрию.





Инженеры машиностроения
208 постов401 подписчик
Правила сообщества
Мы создаем доброжелательную среду совместными усилиями. Давайте уважать друг друга! Конструктивные споры — это нормально, но они должны быть дружелюбными.
Мы верим, что каждый инженер — это уникальная личность со своим набором талантов, взглядов и опыта. Твои идеи, твой подход к решению задач, твоя способность видеть неочевидное — вот что делает тебя по-настоящему ценным. В "Инженерном Полигоне" мы не пытаемся подогнать тебя под общий стандарт. Напротив, мы ценим именно твою неповторимость, ведь она — двигатель инноваций. Твоё достоинство не зависит от званий, достижений или чужого мнения; оно присуще тебе просто потому, что ты есть. И, конечно, мы помним: достоинство равно для всех, независимо от того, кто ты и откуда.
Уважение к Тебе и Твоим Границам
"Инженерный Полигон" — это место, где слова "тимбилдинг" и "нетворкинг ради нетворкинга" не звучат как приговор. Мы говорим на языке логики, эффективности и, главное, уважения к личному пространству. Здесь никто не станет тебя "тащить на обязательные онлайн-встречи" или "заставлять выходить из зоны комфорта". Твоё участие в сообществе — это твой личный выбор, продиктованный твоими потребностями. Мы прекрасно знаем, что лучшие идеи часто рождаются в тишине, когда ты можешь сосредоточиться. И мы полностью уважаем твоё право на это тихое пространство, на свои убеждения и на принятие собственных решений.
Все участники должны чувствовать себя в безопасности. Запрещены любые формы травли, а также унижающие комментарии на тему расы, религии, культуры, сексуальной ориентации, пола или самоидентификации.
Данная группа построена на взаимном доверии участников друг к другу. Эмоциональные, искренние обсуждения делают группы отличным местом для общения, но могут затрагивать личные или чувствительные темы. Информация, которой участники делятся в группе, не должна покидать ее пределы.