Сброс пароля BIOS на серверах Lenovo System x3650 M5
В наследство достались данные сервера. На всех стоит пароль.
Единственное, что сработало, это решение с github https://github.com/bdutro/ibm_pw_clear/tree/master
Вот готовые файлы https://disk.yandex.ru/d/rYcD1lrlf1OqPw
Копируем на флешку fat32
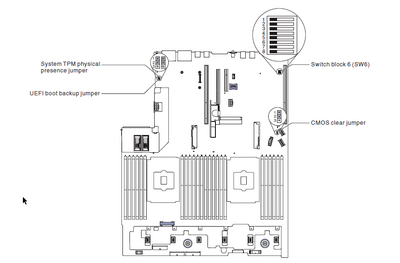
Я делал так
через ф12 ушел в boot menu. У меня запросили пароль. Я нажал Esc. Загрузился с флешки, где был у меня ventoy. Ушел в обзор файлов и на второй флешке запустил UEFI shell
Пароль сброшен.
Может, будет кому полезно.








Лига Сисадминов
2.5K поста19K подписчиков
Правила сообщества
Мы здесь рады любым постам связанным с рабочими буднями специалистов нашей сферы деятельности.