Нужна помощь с поиском трансформатора ресивера Denon AVR 1804
Всем доброго времени суток.
Мне достался 5.1-ресивер Denon AVR 1804, но он был без трансформатора. По словам предыдущего владельца, ресивер перестал включаться, его отнесли в ремонт, но оттуда его отдали через несколько дней со словами, что трансформатор сгорел и они его починить не смогут. И, как выяснилось позже, из ремонта он вернулся уже без трансформатора.
Соответственно проблема - нужен новый трансформатор, но я не знаю ни номер старого трансформатора, ни напряжения и мощность вторичных обмоток.
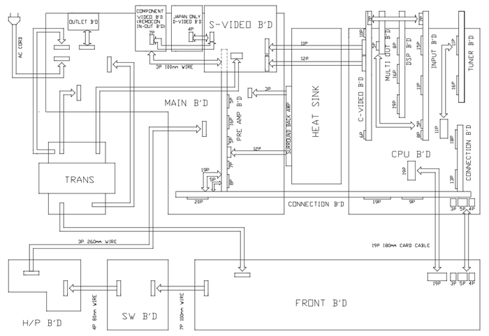
В сервис-мануале эта информация в явном виде не указана (привожу кусок схемы с трансформатором и схему соединения плат внутри ресивера здесь, на всякий случай полный мануал в облаке: https://cloud.mail.ru/public/G6Eg/9V3Whenkg).
Ну и собственно вопрос - может ли кто-то помочь в определении параметров по схеме, чтобы заказать намотку нового трансформатора, либо подобрать аналог, т.к. оригинальный трансформатор на данную модель на просторах интернета найти не удалось. Или может кто-то знает, от какой еще модели ресивера Denon или другого производителя может подойти трансформатор.
Заранее спасибо за помощь.







