0

Прошу помощи

Прошу помощи

Ребята, может есть специалисты. Двигатель Cummins qsx15, работает через контроллер, выдаёт следующую ошибку и отключается,даже не запуская. не мог найти никакой информации, надеюсь, что кто то поможет разобраться в причинах

Вы смотрите срез комментариев. Показать все
1
Автор поста оценил этот комментарий

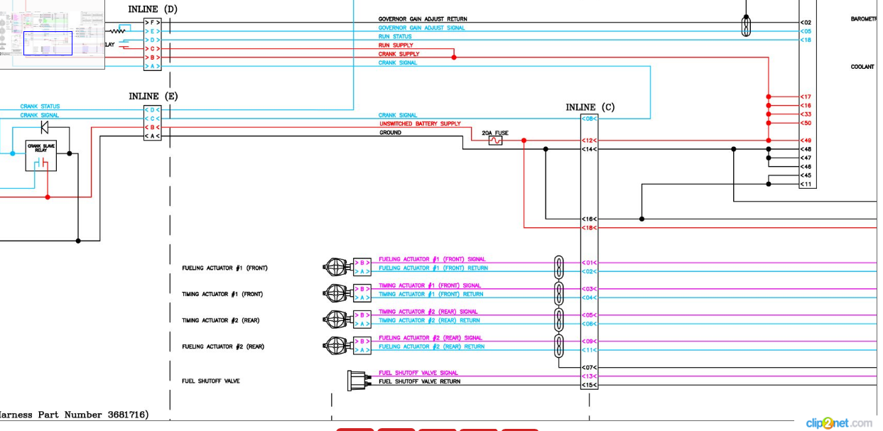
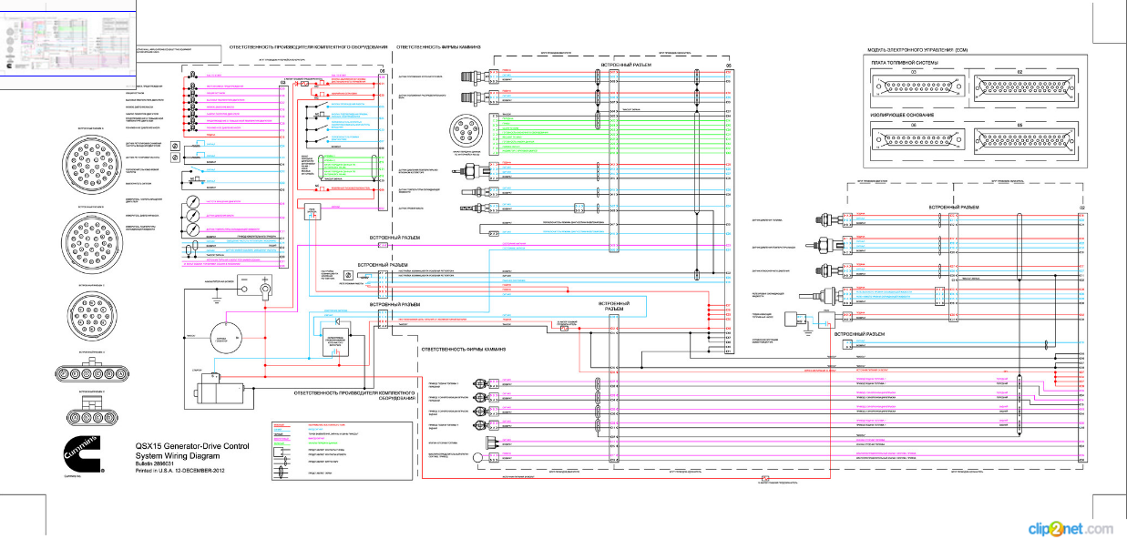
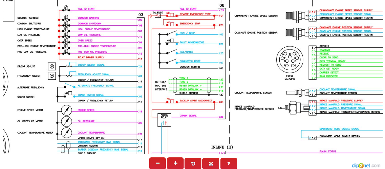
честно говоря я думал что под такой генератор руководству можно и купить диагностику в виде камминс инсайт с паролями на доступ к генераторам шоб не гадать что произошло.

а так- по номеру ESN могу тебе схему посмотреть этого генератора (электрическую) в принципе и оборудование для диагностики продать тоже ))))))

раскрыть ветку (17)
0
Автор поста оценил этот комментарий
Я тоже думал, но ржд очень бедная организация) а обратная связь с производителем происходит через анус ежа, поэтому сижу и думаю об этом я((((
раскрыть ветку (16)
0
Автор поста оценил этот комментарий

блин как коллеге я тебе конечно помогу со схемой на этот мотор и распиновкой. ESN только нужен и 8 цифр есн-на. По ошибке сорян конечно с такой панелью не сталкивался управления. я обычно ноут подоткнул и работаю с ними

3490- может быть банально разомкнут концевик. либо кнопка стопа. по самой установке критические ошибки с других цифр начинаются. что делали со станцией ?

раскрыть ветку (15)
0
Автор поста оценил этот комментарий
А через какую прогу работаешь? Я вообще первый раз столкнулся с таким, думаю может раздобуду как то, да и пригодится в будущем
0
Автор поста оценил этот комментарий
Работает как дгу и привод для движения, последний раз заводился за три дня до этого, все было норм, а тут просто отказался заводится и все. Я бы скинул тебе есн и цифры если бы знал где они находятся)
раскрыть ветку (13)
0
Автор поста оценил этот комментарий

я через программу -cummins insite  работаю с  такими моторами. ESN находится на блоке управления двигателем и на крышке клапанов есть табличка. на ней углы распредвала и прочая поебень и в том числе ESN

раскрыть ветку (12)
0
Автор поста оценил этот комментарий
Все безбожно пересвечено, но не могу сфоткать нормально, хотя цифры вроде видно
Иллюстрация к комментарию
Иллюстрация к комментарию
раскрыть ветку (10)
0
Автор поста оценил этот комментарий

да нормально все. самое главное номер мотора виден

0
Автор поста оценил этот комментарий

это паспортная табличка на всякий случай

Иллюстрация к комментарию
раскрыть ветку (1)
0
Автор поста оценил этот комментарий

херово тут в личку не на пишешь. так то бы проще было бы с помошью и советами

0
Автор поста оценил этот комментарий
Иллюстрация к комментарию
Иллюстрация к комментарию
Иллюстрация к комментарию
Иллюстрация к комментарию
Иллюстрация к комментарию
Иллюстрация к комментарию
Иллюстрация к комментарию
0
Автор поста оценил этот комментарий
Иллюстрация к комментарию
Иллюстрация к комментарию
Иллюстрация к комментарию
Иллюстрация к комментарию
0
Автор поста оценил этот комментарий

смотри- все ошибки по мотору (генератору) начинаются с 7-ки.  так что искать надо в концевиках все таки проблему

раскрыть ветку (4)
0
Автор поста оценил этот комментарий
Нашли отгоревший провод от генератора на стартер
перетерся и сел на корпус, в понедельник будем менять, может в этом причина
раскрыть ветку (3)
0
Автор поста оценил этот комментарий

как вариант конечно. сам в каком городе?

раскрыть ветку (2)
0
Автор поста оценил этот комментарий
Я в Вологде, машина бороздит костромскую область.
раскрыть ветку (1)
0
Автор поста оценил этот комментарий

О в Вологде есть человек который поможет с каменсами. Андрюха- напротив ТЦ Рио. ремонт америки и европы.

0
Автор поста оценил этот комментарий
Хорошо, утром попробую найти,спасибо большое)
Вы смотрите срез комментариев. Чтобы написать комментарий, перейдите к общему списку

Темы

Политика

Теги

Популярные авторы

Сообщества

18+

Теги

Популярные авторы

Сообщества

Игры

Теги

Популярные авторы

Сообщества

Юмор

Теги

Популярные авторы

Сообщества

Отношения

Теги

Популярные авторы

Сообщества

Здоровье

Теги

Популярные авторы

Сообщества

Путешествия

Теги

Популярные авторы

Сообщества

Спорт

Теги

Популярные авторы

Сообщества

Хобби

Теги

Популярные авторы

Сообщества

Сервис

Теги

Популярные авторы

Сообщества

Природа

Теги

Популярные авторы

Сообщества

Бизнес

Теги

Популярные авторы

Сообщества

Транспорт

Теги

Популярные авторы

Сообщества

Общение

Теги

Популярные авторы

Сообщества

Юриспруденция

Теги

Популярные авторы

Сообщества

Наука

Теги

Популярные авторы

Сообщества

IT

Теги

Популярные авторы

Сообщества

Животные

Теги

Популярные авторы

Сообщества

Кино и сериалы

Теги

Популярные авторы

Сообщества

Экономика

Теги

Популярные авторы

Сообщества

Кулинария

Теги

Популярные авторы

Сообщества

История

Теги

Популярные авторы

Сообщества