Плавающие дефекты и Русский “кЕтай”
Дорогой Пикабу! Пост технологий и подгорания. Статья это моя, и была написана на моём сайте. Решил забросить сюда. Зайдёт / не зайдёт.
Однажды, в 2019 году, в нашей маленькой студии стало очень много света. Понятное дело, что 70+ единицами света нужно управлять централизовано. А потому, как и положено, свет весь был подключен по протоколу DMX512 к пульту управления. Протокол этот сам по себе далеко не новый и ему на смену уже шагает продвинутый ArtNet, но речь не об этом. Работала вся эта DMX сеть у нас 4 года без забот и хлопот, а потом начала «уставать». И вот, как-то утром, при подготовки студии к эфиру, все задействованные прожекторы да светильники решили устроить дискотеку в стиле «привет эпилепсия». Подергали мы за рычажки да кнопочки и, о чудо, всё успокоилось. Звоночек тревожный: плавающий дефект отловить сложно, в виду того, что он не стабильный.
Пока мы проверяли нашу DMX сеть на соответствие рекомендациям, а точнее поняли, что она не соответствует ни одному совсем никак, было принято решение пересобрать все наши устройства в нормальную организованную сеть и накидать все эти пироги на бумагу. Т.е. составить схему. Но меня не покидала одна мысль: Да, свет у нас подключен неправильно! Но 4 года же он работал как надо, что же изменилось? А изменилось то, что мы начали добавлять в сеть светодиодные приборы в дистрибьюторы, которые ранее не использовались. И вот на данные дистрибьюторы и упал мой взор…
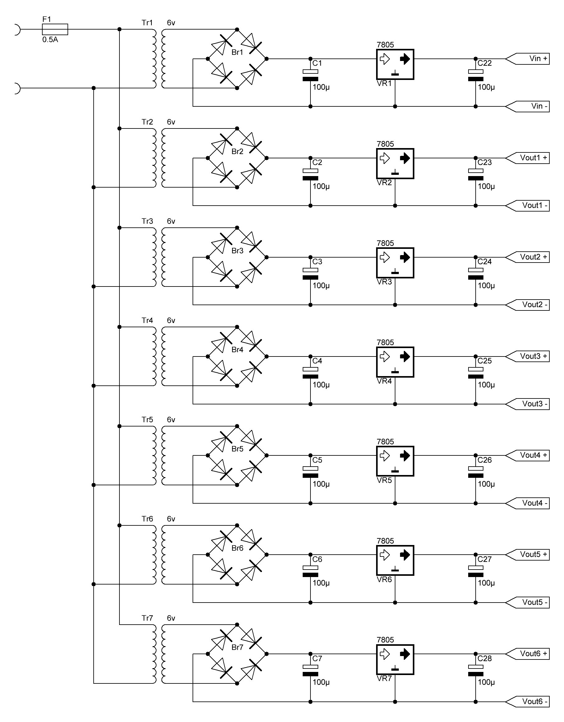
Было принято решение снять разветвители и заглянуть внутрь. С виду ничего криминального, но инженер никогда не ведется на красивую обёртку. А вот стандартная диагностика при помощи мультиметра и пары прямых рук тут же показала крайне интересный диагноз. Но сначала расскажу, что же из себя представляет данный девайс. При ближайшем рассмотрении вырисовывается довольно неэкономная, но надежная концепция. По сути внутри не одно, а шесть устройств передачи и одно устройство приёма, связанных общей шиной RS485. Каждое из семи устройств имеет собственный блок питания на базе понижающего трансформатора и линейного стабилизатора:
Казалось бы жир! Т.е. логика производителя была проста: профессиональное устройство, надежное и гальванически развязанное. Так где же «лужа»? Опытный читатель наверняка уже увидел на схеме неприятный нюанс, но остановимся пока на проверке ёмкостей. Диагноз, о котором я упоминал выше: все 14 ёмкостей по 100 мкФ пришли в негодность за 4 года эксплуатации. А как нам говорит «Теория передачи сигналов», когда уровень помехи превышает уровень полезного сигнала, начинается нечто непредсказуемое. В данном случае шум от линейного стабилизатора, не сглаженный пересохшими конденсаторами, вносит искажения в сигнал DMX.
И казалось бы, меняем ёмкости и вот оно – счастье. Но, как говорит народная мудрость: один раз – случайность, два – закономерность, три – … А у нас то в руках оказалось ПЯТЬ дистрибьюторов с одинаковым диагнозом! Какова же причина? Можно было бы подумать на некачественные ёмкости, но все 70 штук как на подбор? 100% брак – это нонсенс.
Как я уже говорил выше, Опытный читатель наверняка уже увидел на схеме неприятный нюанс. Да, я про отсутствие керамических конденсаторов в обвязке стабилизатора 7805. Открыв любой мануал на данный стабилизатор, мы увидим, что производитель рекомендует устанавливать блокировочные керамические конденсаторы 0,33 мкФ на входе и 0,1 мкФ на выходе. Это необходимо что бы отсекать ВЧ помехи и не позволять стабилизатору возбуждаться.
Вопрос «почему производитель счел ненужным установку данных элементов», остается загадкой. Не в моих правилах кого-то обвинять публично, но после такой пляски с бубном у меня возникли некоторые жжения в области, где спина заканчивает своё благородное название. С учетом того, что данный отечественный производитель позиционируется как производитель профессионального оборудования, при не самой низкой цене возникают вопросы. Например, почему разработчики не придерживаются мануалов на элементную базу? Или к примеру почему производитель считает нормальным выпускать платы после пайки не отмыв их:
Глядя на такие вот недочеты хочется обратить внимание на нарицательное «кЕтай».
Нет, дорогие читатели, «Китай» стоит градуировать:
«Китай» брендовый – именитые производители, которые за свою цену работают на 100%.
«Китай» безымянный – работающий по принципу «за что уплачено, то и получено».
«Китай» русский – самый страшный вид поделок, когда китайские запчасти попадают в руки русских маркетолухов.
В общем, я кончил, пользуйтесь своими мозгами правильно, тапками не кидайте.




