Часики
Достались мне в подарок пять стрелочных приборов. Идея сделать часы на стрелочниках бродила в мое голове давно, а тут такая оказия.
В интернете на хабре мне посоветовали человека https://habr.com/ru/users/levvarrr/ который уже нечто такое сделал:
и попросил все материалы которые у него есть для последующего усовершенствования.
После чего стрелочники и исходники легли на полку. В январе только купил через озон две заготовки для деревянных шкатулок и лак акриловый матовый, прозрачный.
За февраль немного поговнокодил и уродил прошивку на основе той что дал мне автор оригинальной идеи.
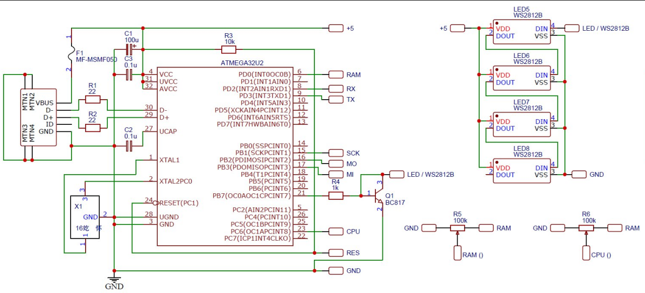
Схемотехника:
пика оригинальная до переработки мной:
моя же схема отличается от оригинальной:
1)нет транзистора на адресные светодиоды.
2)ШИМ у меня программный и подстроечные резисторы сидят на пинах PF4 PF5 PF6
3) PF7 ИК приёмник TSOP 1736 с подтягивающим к питанию резистором.
4) PB6 у меня для адресных светодиодов
5) добавлен мудоль DS3231;
По поводу самих стрелочников - мои все в оригинале были амперметрами.
Каждый прибор был разобран и из них было вынуто шунтирующее сопротивление. С МК идёт ШИМ от 0 до 5в, но благодаря резистивному делителю можно отрегулировать максимальное сопротивление до приемлемого для конкретного стрелочника.
Первые часы-приставка с тремя стрелочниками.
В независимом от ПК режиме - показывает время.
В режиме приставки к ПК - показывает % загрузки ЦП и ОЗУ.
Третья шкала - на выбор из приложения (приложение ПК требует доработки).
Также есть ИК приёмник(приложение ПК требует доработки).
На часах 01:30:хх секунд. (ночью снимал)
RGB светодиодов не имеет хотя прошивка это поддерживает. Немного поспешил и при финальной сборке я расколол уже наклеенные светодиоды. Может чуток позже когда заказанные приедут, таки воткну.
Ход секундной стрелки сделан по аналогии с маятником часов. Это для того чтобы стрелка не долбилась в ограничители. Да и выглядит прикольно, аки маятник.
(Фоном машинка отжимает, извините)
Вторые часы приставка;
Функционал автономного режима - часы;
подсветка шкалы неярким белым цветом. (тут думаю доработать чтобыкаждый час был свой цвет,или переливаться рандомно. думаю над этим).
Функционал режима приставки ПК - отображение % загрузки CPU MEM с приложения;
RGB подсветка шкал цветами и яркость задаваемых с ПК;
Приём и декодирование команд с ИК пультов (приложение ПК требует доработки);
Настройка часов на данный момент в текущем состоянии производится только из приложения.
Про корпуса приборов:
Это деревянные заготовки шкатулок из сосны, заказанные на озоне за дёшево ( районе 600 руб за штуку).
Покупал в январе 2022г.
С них снята вся фурнитура, отверстия крепежа фурнитуры заглушены зубочистками с клеем ПВА.
В боковых стенках встроены винты и болтики для винтового закрытия корпусов приборов.
В крышке каждого корпуса размечено циркулем и лобзиком разврата по дереву сделаны отверстия для стрелочников;
Сделаны отверстия для гнезда питания и винтов подстроечных резисторов головок.
Ошкурены 220 - 400 - 800 наждачками.
Нанесено два слоя прозрачного акрилового лака в два слоя; Что большая ошибка - надо не менее 3х слоёв с обязательным ошкурением нулёвкой после нанесения лака и его высыхания. Учту на будущее;
Винты крепления - м3 х 40мм. Чернение льняным маслом.
Нутрянка часов - убрите детей, беременных и впечатлительных ибо
Мондаж навесной, всратый, как я люблю.
Эти двое часов считаю одним проектом ибо делались одновременно.
Планы на будущее, доработки железа и софта:
1)Приделать кнопки для настройки времени и собственно продумать как настроить время ТОЧНО (может I2C дисплейчик сзади для точной настройки? хз) ибо по стрелкам точно настраивать - такое себе.
2)Шлифануть и убрать царапины бакелита. Или так оставить.
3)Перепаять резисторы на USB линии Ардуины что стоит в часах на три стрелочника, ибо пока это просто часы. Достопоченные(нет) китайцы сунули туда резисторы на 510 ом вместо резисторов на 51 ом. И на длинных провода USB устройство не определяется и как приставка не работат. И это печально.
4) Дописать, лучше переписать ПО на ПК. Чтобы не падало, и ИК приёмник был не для красоты, а что-нибудь по командам с пульта происходило.
5) приделать светодиоды для трёхстрелочных часов.
Ну и всё. наверное...
Сроки исполнения проекта:
Когда захотел сделать такие часы - ~2010 год.
Лучший друг(спасибо Тёмыч!) подарил стрелочники - ноябрь 2021г.
Когда сделал - май 2022г.
з.ы. кто тут их любит ,,,,,,,,,,,,,,,,,,,,,, держите, сами расставите.
https://t.me/Skermajenie




