ATtiny85 стала сверх-мини с Nanite
Nanite это сверх-мини DEV плата построена вокруг Atmel ATtiny85 микроконтроллера (MCU).
Плата имеет размер 0,4 дюйма, и имеет такое же расположение контактов как и DIP версия ATtiny85.
Я хотел иметь свою собственную плату для отладки и разработки с USB загрузчиком и оптимизированную для вездесущих 170 контактных (и более) брэдбордов.
Nanite имеет быструю кнопку сброса RESET, но не имеет встроенного конвертера напряжения, так как питание будет от USB. — Nanite creator Tim explained in a recent blog post.
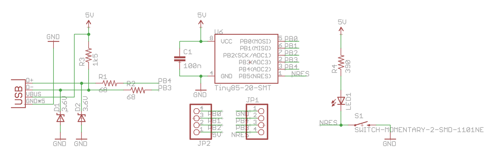
Кроме маленького размера, Nanite имеет небольшую схему-трюк чтобы совместно использовать один пин с светодиодом и кнопкой сброса.
Схема платы показана ниже, схема крепится к контакту сброса, PB5 который расположен справа.
Дело вот в чём, если PB5 сконфигурирован как обычный сброс то кнопка будет как обычный сброс, вместе с LED принимая на себя роль «pull up» функцию RESET.
НО, если отключить функцию RESET и настроить порт как обычный I/O пин — то состояние кнопки можно опрашивать простым чтением из порта.
Тим уточнил что:
«Светодиод может быть включен путем установки выхода на»LOW» и выключен путем настройки выхода в состояние высокого импеданса. Не рекомендуется устанавливать выход ‘HIGH’, так как в этом случае кнопка может коротнуть выход на землю «
«Я использую микроядро в конфигурации, где оно запускается только тогда, когда кнопка нажата. Это означает, что пользовательская программа запускается без задержки после того устройство получает питание «.
В то же время, функциональность кнопки сброса эмулируется с помощью программного обеспечения, периодически опрашивает состояние кнопки и активации таймера Watch Dog, если она нажата. Если Watch Dog время вышло, сбрасывается устройство.
Также он добавил что:
«Помимо LED вывода, взаимодействия с пользователем и мягкого сброса, PB5 также может быть использован в качестве простого вывода SERIAL отладки — подключен к входу RX SERIAL к адаптеру USB. Я использую простую реализацию программного обеспечения-UART и макрос для перенаправления STDOUT к SERIAL выходу. Это обеспечивает очень удобную отладку с PRINTF(), «
Хотите узнать больше? Вы можете посмотреть Nanite’s official page здесь и также Eagle файлы и исходный код доступны на Github здесь.
Оригинал статьи — ATtiny85 goes uber-mini with The Nanite
Перевод от Dionisnation




TECHNO BROTHER
2.2K поста13.9K подписчиков
Правила сообщества
1-Мы А-политическое сообщество. 2-Запрещено оскорбление: Администрации Пикабу, сообщества, участников сообщества а также родных, близких выше указанных.
3-Категорически запрещается разжигание межнациональной розни или действий, направленных на возбуждение национальной, расовой вражды, унижение национального достоинства, а также высказывания о превосходстве либо неполноценности пользователей по признаку их отношения к национальной принадлежности или политических взглядов. Мат - Нежелателен. Учитесь выражать мысли без матерщины