Большое спасибо. Подписался с первой части, эту часть так же прочитал с удовольствием. Жду продолжения.
раскрыть ветку (43)
Я тебе советую, друг мой, почитать статьи di'halt, с которых этот господин пытается что либо изложить.
Мы сейчас сидим, 4 человека в инженерном отделе, читаем это, и лица рукой отбили себе все.
Нет, правда. Подобные статьи до добра не доведут.
Я понимаю, что вроде как старается человек и излагает, молодец, все же просто и понятно, и значит хорошо - но я вижу невооруженным взглядом, что иногда он совершенно не понимает о чем говорит.
Мы сейчас сидим, 4 человека в инженерном отделе, читаем это, и лица рукой отбили себе все.
Нет, правда. Подобные статьи до добра не доведут.
Я понимаю, что вроде как старается человек и излагает, молодец, все же просто и понятно, и значит хорошо - но я вижу невооруженным взглядом, что иногда он совершенно не понимает о чем говорит.
раскрыть ветку (42)
Например? я так понимаю что он забанен щас..
позже, давай те, проверим это?) попросим его создать тему для вопросов. и Узнаем его квалификацию!
позже, давай те, проверим это?) попросим его создать тему для вопросов. и Узнаем его квалификацию!
раскрыть ветку (34)
Не вижу смысла, просить его создавать опрос.
За примерами ходить не нужно далеко : человек абсолютно не понимает, как работает конденсатор, и вводит читателя в полнейшее заблуждение, включая представленное им изображение.
Человек заблуждается в самых основах, и пытается донести их же, до читателя.
Я поставил ему плюс за старание, и явно указал, в чем именно он не прав.
За примерами ходить не нужно далеко : человек абсолютно не понимает, как работает конденсатор, и вводит читателя в полнейшее заблуждение, включая представленное им изображение.
Человек заблуждается в самых основах, и пытается донести их же, до читателя.
Я поставил ему плюс за старание, и явно указал, в чем именно он не прав.
раскрыть ветку (31)
Объясните тогда в крадце, как работаеткондер, и в чем косвенное отличие от описания автора?
Ну, схема подключения на рисунке конечно не совпадает с истиной, но это ведь бочка. Тут скорее принцип - я себе представляю кондер, как 2 пластинки с обкладкой. При постоянном напряжении, он заряжается и все, прекращает так сказать свою роль. Но в случает скачка (в отрицательную сторону), напряжения, происходит стабилизация. Так?
При работе кондера в переменном напряжении, он разряжается и заряжается постоянно, согласно переменчивости самого напряжения.. или что то понял не верно?
Ну, схема подключения на рисунке конечно не совпадает с истиной, но это ведь бочка. Тут скорее принцип - я себе представляю кондер, как 2 пластинки с обкладкой. При постоянном напряжении, он заряжается и все, прекращает так сказать свою роль. Но в случает скачка (в отрицательную сторону), напряжения, происходит стабилизация. Так?
При работе кондера в переменном напряжении, он разряжается и заряжается постоянно, согласно переменчивости самого напряжения.. или что то понял не верно?
раскрыть ветку (27)
Совершенно верно!
Каак ты мог заметить чуть ниже, я уже расписывал, но повторюсь :
1.Конденсатор представляет из себя две пластины, между которыми находится диэлектрик.
2. Для постоянного тока (течет в одну сторону) конденсатор рассматривается как разрыв цепи.
3. Исходя из предыдущего - ток через конденсатор НЕ течет. Вообще. Никогда.
4. Исходя из предыдущего, если напряжение на обкладках превысило норму, и диэлектрик пробит - через конденсатор течет ток - но с этого момента, он уже не конденсатор.
Если тебе нужно именно понимание, и визуализация, то лови :
Конденсатор на примере с водой, представляет из себя расширительный бачок, с внутренней абсолютно непроницаемой пластичной мембраной. Вход и выход из бачка находятся по разную сторону от мембраны.
Мембрана может выгибаться в обе стороны
Соответственно вода в такой системе будет течь только в тот короткий промежуток - когда мембрана выгибается под давлением (напряжением). Как только она достигла номинала - мембрана перестает выгибаться, и вода прекратит течь по трубе.
Как только давление в трубе спадает - мембрана (она эластична) начинает выгибаться обратно и толкает воду обратно в трубу, но ровно столько, на сколько ей хватит своей эластичности.
В цепи переменного тока, это двусторонний процесс - она выгибается попеременно и туда, и сюда, создавая ограниченный резерв возможности тока, для своего участка цепи.
Неправдиво - но наглядно.
Повторюсь - через конденсатор ток НЕ течет!!!
Каак ты мог заметить чуть ниже, я уже расписывал, но повторюсь :
1.Конденсатор представляет из себя две пластины, между которыми находится диэлектрик.
2. Для постоянного тока (течет в одну сторону) конденсатор рассматривается как разрыв цепи.
3. Исходя из предыдущего - ток через конденсатор НЕ течет. Вообще. Никогда.
4. Исходя из предыдущего, если напряжение на обкладках превысило норму, и диэлектрик пробит - через конденсатор течет ток - но с этого момента, он уже не конденсатор.
Если тебе нужно именно понимание, и визуализация, то лови :
Конденсатор на примере с водой, представляет из себя расширительный бачок, с внутренней абсолютно непроницаемой пластичной мембраной. Вход и выход из бачка находятся по разную сторону от мембраны.
Мембрана может выгибаться в обе стороны
Соответственно вода в такой системе будет течь только в тот короткий промежуток - когда мембрана выгибается под давлением (напряжением). Как только она достигла номинала - мембрана перестает выгибаться, и вода прекратит течь по трубе.
Как только давление в трубе спадает - мембрана (она эластична) начинает выгибаться обратно и толкает воду обратно в трубу, но ровно столько, на сколько ей хватит своей эластичности.
В цепи переменного тока, это двусторонний процесс - она выгибается попеременно и туда, и сюда, создавая ограниченный резерв возможности тока, для своего участка цепи.
Неправдиво - но наглядно.
Повторюсь - через конденсатор ток НЕ течет!!!
раскрыть ветку (26)
Помогу с аргументами в таких спорах:
Вы не учитываете "ток смещения" внутри конденсатора, не зная о нём или не считая его током через конденсатор в Вашем понимании.
Ваши оппоненты - не различают понятия тока проводимости и тока смещения (тока связанных зарядов), считая их одним явлением.
Для описания «прохождения» переменного тока через конденсатор (разрыв по постоянному току) Максвелл ввёл понятие тока смещения.
Ток связанных зарядов — это перемещение средних положений связанных электронов и ядер, составляющих молекулу, относительно центра молекулы.
Ток проводимости — это направленное движение на большие расстояния свободных зарядов...
Тут подробнее:
https://ru.wikipedia.org/wiki/Ток_смещения_(электродинамика)
Один про Фому, другие про Ерёму. Несколько часов обсуждений течёт/не течёт)))
Вы не учитываете "ток смещения" внутри конденсатора, не зная о нём или не считая его током через конденсатор в Вашем понимании.
Ваши оппоненты - не различают понятия тока проводимости и тока смещения (тока связанных зарядов), считая их одним явлением.
Для описания «прохождения» переменного тока через конденсатор (разрыв по постоянному току) Максвелл ввёл понятие тока смещения.
Ток связанных зарядов — это перемещение средних положений связанных электронов и ядер, составляющих молекулу, относительно центра молекулы.
Ток проводимости — это направленное движение на большие расстояния свободных зарядов...
Тут подробнее:
https://ru.wikipedia.org/wiki/Ток_смещения_(электродинамика)
Один про Фому, другие про Ерёму. Несколько часов обсуждений течёт/не течёт)))
Ну, значит я все верно понимаю) Тогда, чего тут все кричат про конденсаторы в переменке? они ведь тоже вполне себе в нем работают, но по другому, нежели в постоянном.
Не знаю как другие, но я, прочитав тему не подумал что идет речь о стабилизации Переменного напряжения, в самой сети.. В общем, для себя дам автору реванш, так сказать, в том чтобы формулировал мысль четче и яснее))
Не знаю как другие, но я, прочитав тему не подумал что идет речь о стабилизации Переменного напряжения, в самой сети.. В общем, для себя дам автору реванш, так сказать, в том чтобы формулировал мысль четче и яснее))
Чет разошелся, переменный ток пропускает, постоянный нет. Заряжается конденсатор на случай если какому либо элементу (микросхеме,например) на 1 такт работы вдруг понадобиться больше энергии чем может поставить за это время ИП по махонькой проезжей части. И в общем - то пример автора нисколько не претит ни одному из этих утверждений, так что и его пример, и твой, имеют место быть.
раскрыть ветку (8)
Пример, описанный @Budjaka наглядный и правильный. От себя добавлю, что конденсатор является простейшим фильтром верхних частот (фильтром первого порядка), т.е. пропускает высокие частоты и не пропускает низкие, в зависимости от ёмкости нелинейно изменяется полоса пропускаемых частот. В свою очередь катушка индуктивности имеет прямо противоположные свойства, т.е. является простейшим фильтром нижних частот - отрезает высокие частоты, так же в зависимости от индуктивности катушки изменяется полоса частот пропускаемых таким фильтром. Эти свойства вышеуказанных радиодеталей применяются в аудиосистемах. Например, "пищалка" в автомобиле обязательно подключена через конденсатор, тем самым она воспроизводит только высокие частоты, если убрать конденсатор и подключить ее напрямую к выходу усилителя, то через достаточно короткое время она просто выйдет из строя, может быть даже задымится.
Почему то, многие начинающие считают, что конденсатор является исключительно элементом стабилизации.
Увы, не так. Волею иронии, на ваш вопрос, я примерно ответил в другом обсуждении :-)
Увы, не так. Волею иронии, на ваш вопрос, я примерно ответил в другом обсуждении :-)
раскрыть ветку (3)
раскрыть ветку (2)
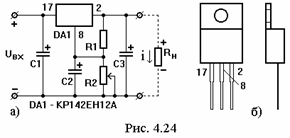
Обычная схема включения любого линейного стабилизатора напряжения. Соб-но стабилизатор сам - это DA1, а кондеры сглаживают пульсации до и после для более стабильного напряжения на выходе. Можно и без них обойтись, всё зависит от необходимых характеристик.
Именно здесь, да, приведен пример использования в сети постоянного тока конденсаторов, для защиты от кратковременных понижений(c1/c3)
Конденсатор сам по себе в принципе не способен стабилизировать напряжение. Он может лишь сгладить переменную составляющую в цепи постоянного тока (если его включить параллельно). Для стабилизации (в пределах определенного диапазона напряжений) используются схемы основанные на стабилитронах.
Так-же конденсаторы полезны тем, что являясь диэлектриками для постоянного тока, очень даже неплохо проводят переменный ток. Это качество позволяет использовать их в различных частотных фильтрах.
Так-же конденсаторы полезны тем, что являясь диэлектриками для постоянного тока, очень даже неплохо проводят переменный ток. Это качество позволяет использовать их в различных частотных фильтрах.
Если нарисовать график выпрямленного напряжения после, например, диодного моста, без кондера, а затем с ним то все будет наглядно видно.. На словах обьяснить трудно
Конденсатор можно рассматривать как тот же источник эдс, если смотреть со стороны выпрямителя, то когда конденсатор заряжается на нем выделяется напряжение равное питающему, когда после моста нет напряжения то в нагрузку идет напряжение с конденсатора. и собственно напряжение более сглажено, а не чистые полуволны синусоиды.
Ток не течет через конденсатор? а как насчет такого явления как коммутация? емкость ведет себя как накороткозамкнутый контакт, а индуктивность наоборот как разрыв цепи )) (переходные процессы) У емкости и индуктивности есть еще и не только активное сопротивление, но и полное! а что оттуда можно достать? а вот что: Xc=1/wC XL=wL, где w-частота, та что да! если частота = ? ,то конденсатор не проводит.
Ток через конденсатор не течет)) Ну насмешил, товарищ инженер) А как же переходные процессы?)) Ну например использование в цепях постоянного тока динамической работы конденсатора=) Да и вообще использование частотных и временных свойств) А как же ток утечки??)) А как же влияние температуры на проницаемость и разряд?) А пьезоэффект от вибровоздействий?) А если металлопленочный конденсатор пробило, то разве он не может восстановиться?)
раскрыть ветку (12)
Я по моему ответил на большинство поставленных вопросов. Внимательнее читайте.
Речь идет о классическом понимании, и практичном использовании.
Есть доводы - приводи конкретные примеры. Ток утечки, ток пробоя и подобным, можешь пренебречь
Речь идет о классическом понимании, и практичном использовании.
Есть доводы - приводи конкретные примеры. Ток утечки, ток пробоя и подобным, можешь пренебречь
раскрыть ветку (11)
Ну вот то, что вы этими вещами пренебрегаете - это ваше дело, что ничего общего не имеет с классическим пониманием, а тем более с практическим использованием. Если вы, конечно, не инженер автоваза или учитель физики в начальной школе) У нас, в военной промышленности, прецизионная электроника. Наносекунды задержек прохождения сигнала, его фронты и много других параметров, на которые влияют многие конфигурации цепи, в том числе емкости. Да ладно, ничего доказывать смысла не вижу, так как у вас слишком примитивные познания в электротехнике/электронике, да и вообще есть специализированные форумы для этого.
раскрыть ветку (10)
Пока у тебя не бомбануло, ставлю тебя в известность, что мой пост написан не в целях, " разрешите доебаться " , а для опровержения слов автора, о том, что ток свободно течет через конденсатор.
Я рад, что вы дистанционно ставите диагнозы.
Если я пренебрегаю током утечки, током пробоя и " многими другими параметрами ", как вы выразились - то именно для того, чтобы наглядно показать, что автор некомпетентен, и некорректно привел объяснения.
А по теме - я по прежнему пренебрегаю подобными факторами для базовых объяснений.
Если вам спорить бессмысленно, либо вы не в состоянии привести адекватные доводы - не к чему было начинать диалог.
Повторюсь - мое высказывание служит для прямого опровержения автора поста.
В его доказательство, я готов прямо сейчас, с помощью макетной платы, конденсатора, и амперметра, показать, что через конденсатор не течет ток полезной нагрузки. Наглядно. С фото, и без смс.
Перечитайте еще раз мои слова, и говорите более предметно
Я рад, что вы дистанционно ставите диагнозы.
Если я пренебрегаю током утечки, током пробоя и " многими другими параметрами ", как вы выразились - то именно для того, чтобы наглядно показать, что автор некомпетентен, и некорректно привел объяснения.
А по теме - я по прежнему пренебрегаю подобными факторами для базовых объяснений.
Если вам спорить бессмысленно, либо вы не в состоянии привести адекватные доводы - не к чему было начинать диалог.
Повторюсь - мое высказывание служит для прямого опровержения автора поста.
В его доказательство, я готов прямо сейчас, с помощью макетной платы, конденсатора, и амперметра, показать, что через конденсатор не течет ток полезной нагрузки. Наглядно. С фото, и без смс.
Перечитайте еще раз мои слова, и говорите более предметно
раскрыть ветку (8)
ппц, день не заходил, теперь все коммы и не прочитать уже..))
Извините, если ввел кого либо в заблуждение.
Я не сказал что через конденсатор перетекает ток.
Сказав что с другой части бочки можно взять стабильное напряжение - я всего лишь, простенько объяснил то ЧТО может конденсатор, для чего и пренебрег точностью..
И еще, мой дикий косяк, в примере использования конденсатора, что я написал не стабилизатор напряжения а "сетевой фильтр". Сам не знаю как так вышло)
скажу для сотни людей, кто говорил о кондерах и переменке..
С чего это они не работают в переменном напряжении? работают! Только по другому! И, объясняя, я имел ввиду постоянку.
Из за, похоже, моей небрежности, все это и началось. По этому, в течении дня, я напишу отдельное описание работы конденсатора, показав тем самым, я надеюсь, всем, что пренебрегаю точность, ради понимая. А не по своей не компетентности. И, скажу честно, трудно писать "на пальцах" о том что для тебя очевидно, так как легко упустить что то важное.
Извините, если ввел кого либо в заблуждение.
Я не сказал что через конденсатор перетекает ток.
Сказав что с другой части бочки можно взять стабильное напряжение - я всего лишь, простенько объяснил то ЧТО может конденсатор, для чего и пренебрег точностью..
И еще, мой дикий косяк, в примере использования конденсатора, что я написал не стабилизатор напряжения а "сетевой фильтр". Сам не знаю как так вышло)
скажу для сотни людей, кто говорил о кондерах и переменке..
С чего это они не работают в переменном напряжении? работают! Только по другому! И, объясняя, я имел ввиду постоянку.
Из за, похоже, моей небрежности, все это и началось. По этому, в течении дня, я напишу отдельное описание работы конденсатора, показав тем самым, я надеюсь, всем, что пренебрегаю точность, ради понимая. А не по своей не компетентности. И, скажу честно, трудно писать "на пальцах" о том что для тебя очевидно, так как легко упустить что то важное.
раскрыть ветку (3)
Перефразирую предыдущий пост более кратко.
Конденсатор, с точки зрения своей функциональности, должен обладать диэлектрическими свойствами.
Иначе говоря - он должен не пропускать через себя ток.
О несовершенстве реалий речи не идет. Речь идет о базовом понимании
Конденсатор, с точки зрения своей функциональности, должен обладать диэлектрическими свойствами.
Иначе говоря - он должен не пропускать через себя ток.
О несовершенстве реалий речи не идет. Речь идет о базовом понимании
раскрыть ветку (2)
Как именно он работает - описал чуть выше.
Вы вероятно хотели спросить, на кой он там нужен? Ответов может быть много - фильтрация постоянной составляющей, в линии переменного тока, отлавливание ВЧ помех там, где быть их не должно (т.н. шунтирование), актуальное для керамики.
Могу привести множество примеров, в т.ч. и использование как элементов поддержки от кратковременных спадов (при включении параллельно основному участку цепи)
Вы вероятно хотели спросить, на кой он там нужен? Ответов может быть много - фильтрация постоянной составляющей, в линии переменного тока, отлавливание ВЧ помех там, где быть их не должно (т.н. шунтирование), актуальное для керамики.
Могу привести множество примеров, в т.ч. и использование как элементов поддержки от кратковременных спадов (при включении параллельно основному участку цепи)
раскрыть ветку (1)
вот пример- я сижу и вижу как новоиспеченный электронщик тащит к своим розеткам все кондеры что смог найти в доме, стабилизировать сетевое напряжение как бэ................
внимание вопрос! вызывать пожарных сейчас? или подождать до золотистой корочки?
внимание вопрос! вызывать пожарных сейчас? или подождать до золотистой корочки?
раскрыть ветку (1)
там же написано что это не про переменный ток.. А постоянный, в приборах после преобразователя.. Я не так понял?
раскрыть ветку (3)
ну как бы да, существуют и ламповые диоды.
о них в современном образовании говорят мало, и очень зря!
именно на примере лампового диода происходит понимание, что это вообще, да и работает он проще для понимания.
о них в современном образовании говорят мало, и очень зря!
именно на примере лампового диода происходит понимание, что это вообще, да и работает он проще для понимания.
раскрыть ветку (1)
ладно, про лампы я забыл, но ламповый диод в первую очередь дает понимание что такое электронная эмиссия
не понимает о чем говорит,у меня тоже такое впечатление,иногда срывается на бред,особенно как конденсаторами стабилизировать переменный ток в квартире)
раскрыть ветку (1)
хм. Уже 100 тый раз вижу как люди пишут об этом)) там же ясно написали, что не о переменном напряжении реч..

