Помощь в ремонте автомагнитолы Pioneer MVH-X580BT
Сосед принес такую автомагнитолу со словами, мол просто в один день с утра не включилась:
С заключением из СЦ:
"Требуется замена основной платы. Сажает по цепи 3,3В." Так же в устной форме добавил, что сгорел центральный процессор. На фото ниже, тот, что перечеркнут. А в кружочках - микросхемы со следами пайки, как будто их снимали в СЦ:
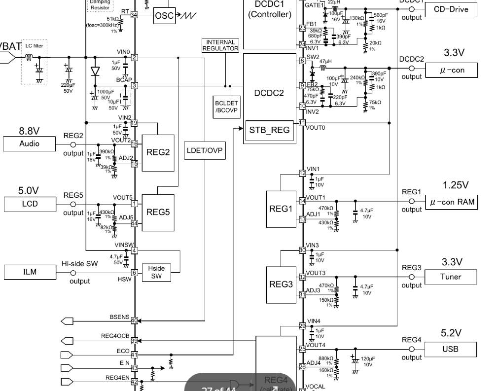
Прозвонил цепи питания - козы нигде нет. При подаче напряжения на сей аппарат, 3,3В отсутстует, а так же дико греется эта микруха, отвечающая за все возможные питания:
Поскольку моя квалификация, как диагноста, на этом заканчивается (я радиомонтажник, поменять на этой плате смогу что угодно), то вопрос:
Может ли кто из уважаемых Пикабушников взяться подтвердить, а лучше опровергнуть (и починить магнитолу) заключение СЦ? Естессно не без оплаты труда.
Место действия - Казань





Сообщество Ремонтёров - Помощь
11.3K постов14.7K подписчик
Правила сообщества
Посты с процессом ремонта создавайте в родительском сообществе pikabu.ru/community/remont.
В этом сообществе, можно выкладывать посты с просьбами о помощи в ремонте электро-техники. Цифровой, бытовой и т.п., а про ремонт картин, квартир, ванн и унитазов, писать в других сообществах :)
Требования к оформлению постов:
1. Максимально полное наименование устройства.
2. Какие условия привели к поломке, если таковые известны.
3. Что уже делали с устройством.
4. Какое имеется оборудование.
5. Ну и соответственно, уровень знаний.