Перезагрузка видеорегистратора по пингу
Итак, началась жара, регистратор с завидной стабильностью, раз в неделю, стал уходить в кому. Проверка диска на SMART ничего не дала, в логах числилось сухое Abnormal shutdown. Чистка, глажка, уговоры и заговоры не помогали, а так как регистратор стоит в помещении где нет кондея, то открытая форточка не помогала. Ставить бытовой вентилятор не вижу смысла, еще больше пыли, да и гонять теплый воздух по кладовке нет смысла.
Было принято решение сделать реле для перезагрузки регистратора если он не пингуется.
Суть поста: где взять реле за один день? Ближайшее было найдено в Москве, затем на Али (с сомнительной программой), все это долго и дорого.
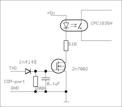
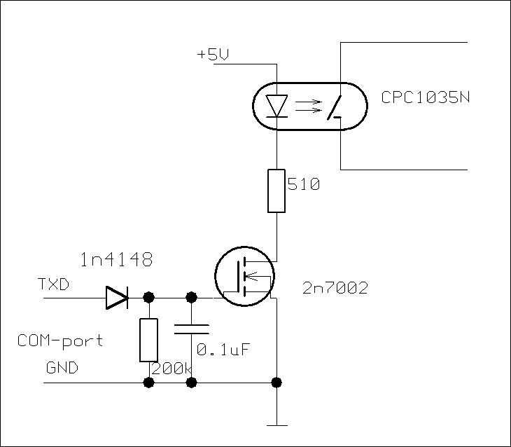
Так как рядом с регистратором стоял сервер на WIN, в уме всплыла байка про выдвигающийся CD-ROM, который нажимал на кнопку сброс. С полки взят старый привод, разобран, убрана резинка с привода и в параллель моторчику открывания припаяно реле на 5V. Щелкает! Но на 2с открывания, затем пауза 0,5с и еще 2сек закрывания, не пойдет, так можно и регистратор спалить. Достаем конденсатор, добавляем на реле в надежде получить четкое зависание на 5сек – нифига, релейный ключ не тянет кондёр, что же, включаем реле через диод, вуаля, 2сек отключения питания 12В на регистратор получены, программа для cmd написана, включая email уведомление об отключении и лог результатов пинга каждые 15 минут в файл.
Пост не о правилах охлаждения помещения и обслуживания техники, согласен заранее – надо решать кардинально, суть поста про то, как за день сделать реле управляемое из cmd.
На вопрос – зачем там компьютер отвечаю сразу – распознавание номеров для открывания шлагбаума, реле расположено прямо в камере, но это уже другая история.
Холодных процессоров и чистых вентиляторов вам.
@Echo off
echo PING VIDEO REGISTRATOR
:start
TIMEOUT /T 900
ping -n 2 192.168.0.8 | find /i "TTL=">nul
if %errorlevel%==0 (
echo PING %date% %time% >>C:\log_ping.txt
goto start
) else (
echo REGISTRATOR NOT WORK %date% %time% >>C:\log_ping.txt
"C:\Program Files (x86)\CD Eject Tool\CD Eject Tool.exe" -o D
c:\blat\blat.exe -body "CRASH VIDEO REGISTRATOR" -u mail@domen.ru -pw password -to "admin@adminich.ru" -f mail@domen.ru -charset utf-8 -s "DOM" -server mail.server.ru
goto start
)






Инженериум DIY
577 постов5.4K подписчик
Правила сообщества
Давайте уважать друг друга - любые аморальные посты выпиливаются, даже если они затрагивают основную тематику сообщества.
В сообществе будут попадаться посты для новичков, поэтому не стоит влетать в пост с минусомётом, направленным на задающих вопросы по теме поста.