Акустическая система 2.1
Всем привет!
Обратился как-то приятель с просьбой, мол, надо колонки хорошие, для компьютера, что-бы и в игры поиграть, ну и музыку не громко послушать. А самое главное - надо бюджетненько :)
"- Да легко!", - подумал я тогда :)
На тот момент у меня уже был не большой опыт создания колонок, так что примерно представлял, что мне надо будет сделать. Начал с схемы.
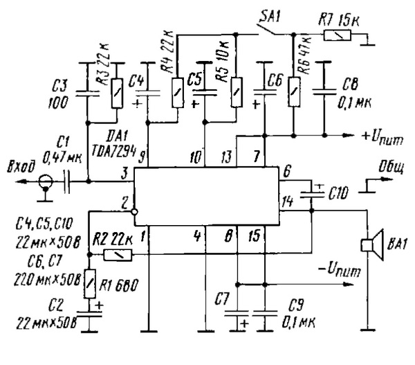
1) Конечно же нужен сабвуфер, куда же без него в фильмах и играх. Для воспроизведения низких частот решено было использовать довольно распространённую, доступную и надёжную схему на TDA7294:
Ну и раз это сабвуфер, то надо так же собирать активный фильтр низких частот, с схемой тоже определился быстро:
2) Следующий этап - выбор усилителя для сателитов. Рассматривал разные варианты, но остановился на схеме с LM1876. Она доступна, выдаёт хороший звук, минимум искажений на большой громкости. Так же один из критериев выбора в пользу этой микросхемы - это максимальный предел напряжения питания в 32 Вольта. Таким образом можно подключить к одной обмотке трансформатора усилитель на TDA7294, и LM1876.
Ну и как же обойтись без предварительного усилителя? А никак :) И выбрал я хорошую схему на LM1036N:
Схема реально хорошая неоднократно её собирал.
3) Блок питания. Куда же без него. У себя в закромах нашёл какой-то силовой трансформатор от ламповой аппаратуры, перемотал вторичные обмотки: одна двух полярная, для питания оконечных усилителей, вторая одно полярная, для предварительного усилителя.
Ну что ж, раз уж мы собираем бюджетную акустическую систему, то будем её делать из того, что есть. Печатные платы рисовал в ручную (только хардкор, только в ручную, никакой лазерно-утюжной технологии)
Корпуса АС собирал из ДСП - останки старого шкафа.
Динамик для сабвуфера был выбран 25ГД-26:
По мощности как-раз подходил.
Корпус сабвуфера было решено делать в оформлении бандпас 4-го порядка, Этому две причины: во первых, вроде как подъём НЧ лучше; во вторых, динамик спрятан внутри корпуса и его трудно повредить внешним воздействием.
Т.к. вся электроника прячется в корпусе саба, то начал работу с него.
Ну и немного фоток самого процесса:
Пазы вырезал фрезером.
Немного внутренностей:
Т.к. шкаф был довольно старый, то корпус сабвуфера я оклеил самоклейкой. Два цвета: белый мрамор и чёрный мрамор. На мой взгляд, сочетаются удачно :) Органы управления вывел на переднюю панель. Изнутри все соединения промазал герметиком.
И так, усилители собраны, и установлены в корпус сабвуфера. Настало время мастерить сателиты. Материал всё тот же ДСП из старого шкафа, ведь я собираю бюджетную АС :)
И про гриль АС не забываем:
Всё тоже самое проделываем и со второй такой же колонкой :)
Окончательная сборка: не забываем все стыки промазывать герметиком. Оклеиваем наши колонки остатками самоклейки, и смотрим на получившийся результат.
Динамики для колонок: ВЧ от старых телевизоров или радиол, не помню уже, СЧ (а может и широкополосники) куплены в радиотоварах. Разделительный фильтр ВЧ звена колонок, представляет собой большой не полярный МБГО-2 конденсатор на 1Мкф.
Ну и что в итоге у меня получилось:
Ну собственно отзыв:
Сабвуфер получился не маленький, зато звук баса просто шикарный. Для фильмов и игрушек - идеально! Был протестирован на фильме (уж извините, что было) "Сумерки". Сцены, в которых бегали и рычали оборотни приводили в восторг! Ну и подруга в шоке :)
Музыка. С этой стороны АС показала себя тоже не плохо. Громко, мощно, без намёка на хрип и искажения!
Приятель остался доволен, и хотя колонки были собраны лет 5 назад, они до сих пор (2017 год) работают, и радуют их обладателя хорошим звуком.
Спасибо, что дочитали до конца. Если статья оказалась кому-то полезной, буду рад :)















