Вопрос самодельщикам-электронщикам
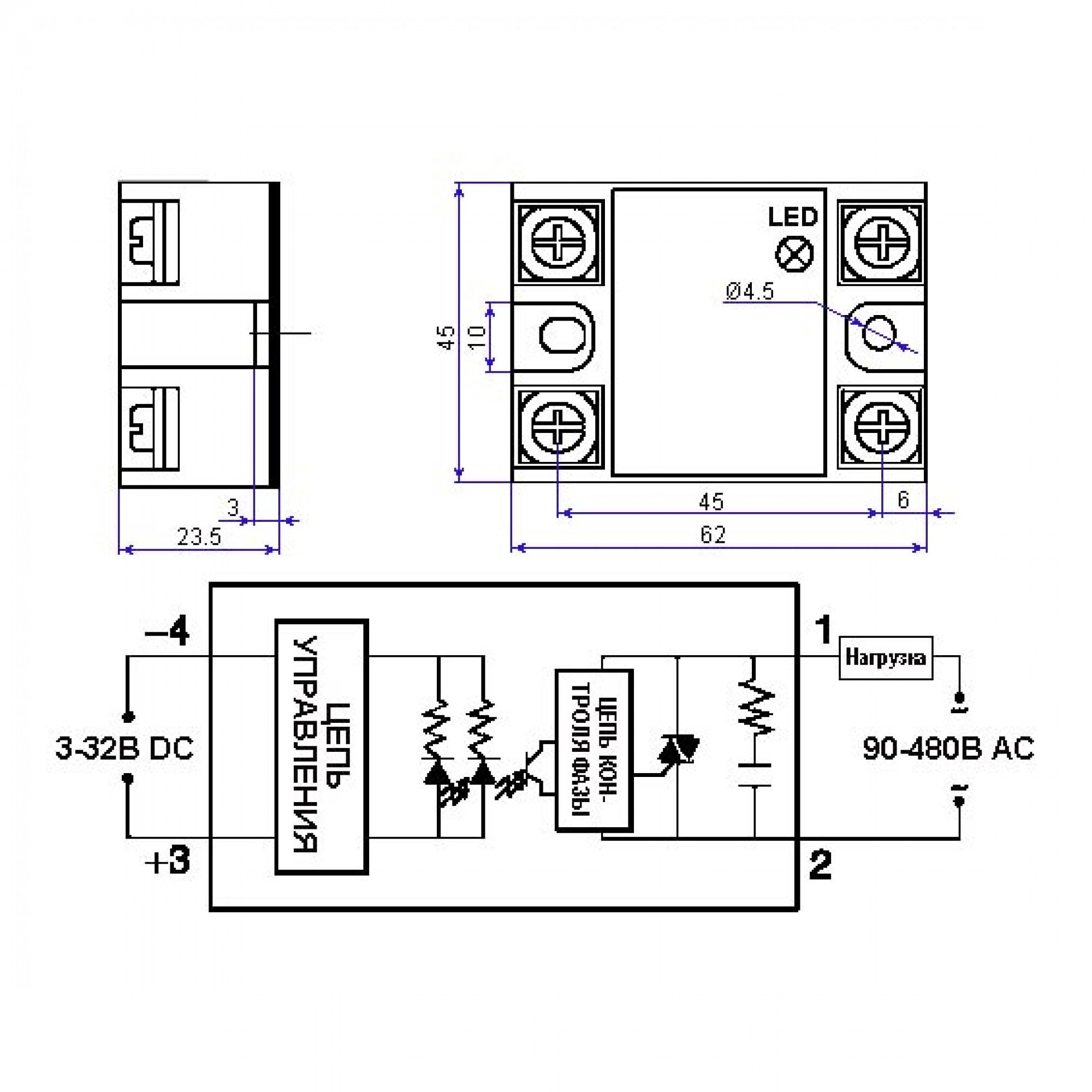
Всех приветствую, загорелся в реализации проекта на ардуино, хочу заменить механическое реле давления в частном доме т.к. оно регулярно выходит из строя. Примерная схема выглядит так:
Вопрос, не сгорит ли вся схема сразу при включении в сеть и если да, то как можно скорретировать схему или какие элементы нужно добавить?



