Ремонт Sharp LC-32DH57RU-BK
Решил попробовать отремонтировать данный телевизор. Симптомы: не включается, красный индикатор не горит.
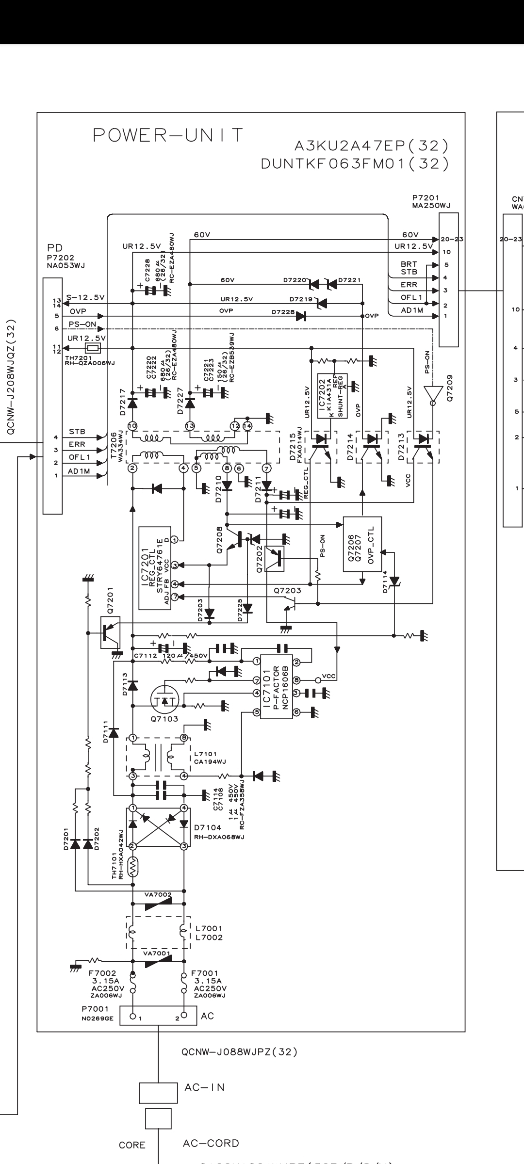
Ранее он был уже в ремонте. После этого проработал несколько лет. Судя по следам пайки, в прошлый раз мастер заменил шим-контроллер IC7201 и выпаял сгоревший варистор VA7001.
В интернете легко ищется мануал и схема на этот телек. Хотя бы по этой ссылке https://tel-spb.ru/remont-tv-lcd/sharp-lc-32dh57ru-bk
Также в этом документе есть инструкция по ремонту.
Вероятно всего проблема в основном блоке питания. Ну чтож пойдем по порядку данной инструкции.
1. Проверяем подключен ли кабель питания в розетку - YES
2. Проверяем подключена ли плата блока к плате инвертора - YES (там такое подключение, что его просто так не отключить)
3. Проверяем предохранители F7001 и F7002 - YES
4. Есть ли напряжение 310 вольт на конденсаторах C7114 и C7108 - YES (если точно, то у меня на них напряжение 320 вольт. Наверное нормально)
5. Есть ли напряжение 12.5 вольт на 13, 14 пинах коннектора P7202 - NO (вот тут то и начинается проблема, напряжение на этих пинах прыгает от 5 до 7 вольт, что явно не нормально)
6. Есть ли напряжение 400 вольт на конденсаторе C7112 - NO (вот тут тоже непонятно, на этом конденсаторе у меня показывает также 320 вольт, как и на элементах из 4 пункта. Нормально ли это?)
7. Если это не нормально, то нужно проверять элементы IC7101, Q7103, D7113, D7213.
8. А если нормально, то нужно проверить сигнал PS_ON на 6 пине коннектора P7202 - это я незнаю как проверить, поэтому пропускаю, как будто бы он есть.
9. Опять возвращаемся к напряжению 12.5 вольт на 13, 14 пинах коннектора P7202 - NO (его нет, оно меньше и прыгает).
10. Тогда смотрит элементы IC7201, T7206, C7220, C7222, C7228, D7215 и вообще ищем КЗ по 12.5 вольтовой линии.
Что было мной сделано.
Сначала я проигнорировал 320 вольт на кондере C7112. И сразу перешёл к пункту 10 моего списка. Впаял отсутствующий варистор, заменил IC7201 и кондеры C7220, C7222, C7228, а также кондер C7227, потому как на нем должно быть 32 вольта с 3 ноги IC7201, но было всего лишь 12-15 вольт.
После замены этих компонентов ничего не изменилось.
Может есть кто может подсказать куда копать. Критично ли 320 вольт на кондере? И нужно ли пытаться заменить элементы из пункта 7 списка? Или нужно искать другие неисправные элементы по 12.5 вольтовой линии?
Спасибо заранее!






Сообщество Ремонтёров - Помощь
11.3K постов14.7K подписчик
Правила сообщества
Посты с процессом ремонта создавайте в родительском сообществе pikabu.ru/community/remont.
В этом сообществе, можно выкладывать посты с просьбами о помощи в ремонте электро-техники. Цифровой, бытовой и т.п., а про ремонт картин, квартир, ванн и унитазов, писать в других сообществах :)
Требования к оформлению постов:
1. Максимально полное наименование устройства.
2. Какие условия привели к поломке, если таковые известны.
3. Что уже делали с устройством.
4. Какое имеется оборудование.
5. Ну и соответственно, уровень знаний.