доставила подпись внизу поста "А без паяльника очень скучно сидеть в этой группе". у меня два самых простейших паяльника, один на 40ватт, второй на 100, который подключаю через тиристорный регулятор напряжения. пока вполне хватает. просто, дешево и сердито))
раскрыть ветку (1)
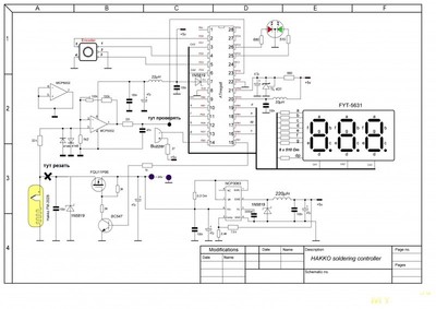
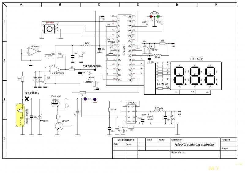
так узкоглазые друзья поменяли схематику и теперь вроде ничего сносить не надо..... я ешо оставил на 24В. Теперь еще расскажи как не работает
раскрыть ветку (1)
Если он специально снесен, то поставьте обратно и подайте 12 вольт, для начала. Если работает то сносили зря. У меня 24 вольта кушает и без всяких сносов
раскрыть ветку (1)
так узкоглазые друзья поменяли схематику и теперь вроде ничего сносить не надо..... я ешо оставил на 24В. Теперь еще расскажи как не работает
раскрыть ветку (1)



Сообщество Ремонтёров
8.2K постов44.4K подписчиков
Правила сообщества
ЕСЛИ НЕ ХОТИТЕ, ЧТОБЫ ВАС ЗАМИНУСИЛИ НЕ ПУБЛИКУЙТЕ В ЭТОМ СООБЩЕСТВЕ ПРОСЬБЫ О ПОМОЩИ В РЕМОНТЕ, ДЛЯ ЭТОГО ЕСТЬ ВТОРОЕ СООБЩЕСТВО:
Посты с просьбами о помощи в ремонте создаются в дочернем сообществе:
К публикации допускаются только тематические статьи с тегом "Ремонт техники".
В сообществе строго запрещено и карается баном всего две вещи:
1. Оскорбления.
2. Реклама.
В остальном действуют базовые правила Пикабу.