Автоматические кофемашины. Основы диагностики и ремонта. Часть 1
Всем добрый день, обмолвился не так давно, что являюсь мастером по кофемашинам и на меня вылился шквал вопросов. Решил разобрать некоторые проблемы, дабы если вы даже не мастер - смогли определить неисправность и починить ее. Если пост зайдет, сделаю еще.
Итак, дорогие мои кофеманы, для начала разберемся, что у нас за кофемашина (КМ). Существует несколько видов, но нам интересны домашние непрофессиональные КМ, которые можно разбить на четыре подвида - рожковые, автоматические, капельные и капсульные. Капельные кофеварки - это простая и дешевая конструкция, которая позволит сделать вам американо. Нормальному ремонту не поддается - лучше выкинуть и купить новую. Если у вас сломалась капсульная - ей тоже путь только в помойку, на них нет запчастей, они неремонтопригодны. Если кто-то говорит, что ремонтопригодны - он юлит) Так что остается два других подвида. В рожковых вы насыпаете молотый кофе в рожок, и прогоняете через него кофе. В автоматических - вы засыпаете зерно, дальше происходит магия и на выходе вы получаете готовый кофе. Достоинство рожковой кофемашины (точнее кофеварки) - простота и дешевизна. Рожковая кофеварка будет служить вам при правильном уходе до конца вашей жизни. В принципе - рожковые кофеварки поддаются ремонту, но смысла большого в нем нет - проще взять новую. Но если вы очень хотите - то пожалуйста, там по сути только два элемента, которые могут капитально сломаться: бойлер и помпа. Помпа стоит от тысячи рублей и меняется за час. Бойлер стоит дороже раза в четыре и меняется за пару часов. Есть полуавтоматические рожковые кофеварки спаренные с кофемолкой (типа Bork) - там еще и электромагнитные клапаны есть. Тоже все можно отремонтировать, но Bork не рекомендую, слишком завышают цены.
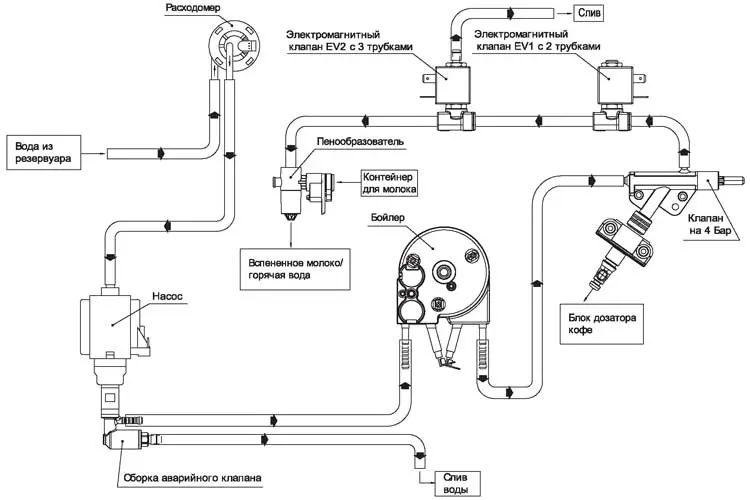
Итак, давайте разбираться с автоматической кофемашиной. Первая неисправность, которую мы рассмотрим будет звучать так - не идет кофе. Что это значит? Мы нажали на кнопочку, чтобы кофе приготовилось, что-то пощелкало (или не пощелкало), пожужжало (или не пожужжало), но кофе нам в кружку не вылилось. Сначала немного теории. Вот принципиальная схема работы КМ
Вода прежде чем попасть к нам в кружку проходит такой путь
БАК>ФЛОУМЕТР (РАСХОДОМЕР)>НАСОС>БОЙЛЕР>ЗАВАРНОЕ УСТРОЙСТВО>КЛАПАН>ДОЗАТОР
Это простейшая кофемашина. Бывают кофемашины и с двумя помпами, с двумя бойлерами и так далее...
Так что где-то тут что-то не так.
Будем рассматривать по порядку.
Проверяем помпу
Сначала включите подачу горячей воды - если вода идет, значит помпа в порядке. Если не идет, но вы слышите как помпа тарахтит (жужжит), а в баке есть вода, то будем смотреть. Вылейте воду из поддона, протрите его насухо. Снова включите горячую воду. Вода не льется даже в поддон, но помпа тарахтит? Возможно в системе образовалась воздушная пробка. Устраняем проблему: разбираем машинку (почти все разборки есть на ютубе). Убеждаемся что помпа работает от 220 вольт переменного тока (90 процентов всех помп), это нам может пригодится. Берем грушу медицинскую, набираем воды, отсоединяем нижний патрубок помпы от флоуметра, вставляем в патрубок грушу, давим от души и включаем горячую воду. Вода потекла? Прекрасно, проблема решена.
Помпа выглядит так:
Флоуметр выглядит так:
Второй вариант - мы включили горячую воду, помпа не тарахтит. Либо вы слышите такое слабое натужное жужжание внутри машинки. Что делать в этот раз? Разбираем машинку, тестируем помпу. Как это сделать? Снимите помпу. Убедитесь что она работает от 220 вольт переменного тока. Нижний патрубок помпы опустите в воду. Зажмите верхний патрубок пальцем. Подключите два вывода помпы к 220 вольт. Делайте все в диэлектрических перчатках, а то ебанет. Если помпа исправна, то из верхнего патрубка будет, кхм, хреначить так, что пальцем не удержите, все таки там 15 бар. Если удержали, а из верхнего патрубка вода льется как то неубедительно - помпа на замену. Если все нормально, то сгорел предохранитель, обычно это такая штучка на самой помпе, сгорает от перегрева помпы обычно. Если вы залили горячую воду в бак, то он тоже сгорит, так все устроено. Так, все работает, и предохранитель не пробит, а вы изначально слышали натужное жужжание - значит вышел из строя электромагнитный клапан. Проблему с ЭМ клапанами рассмотрим далее. А на сегодня все, и так простыню накатал)


